三菱S6R-PTA柴油發動機噴油泵(大修包)
|
參考號 |
零件編號 |
零件名稱和描述 |
數量 |
|
3810 |
48250-05700 |
凸緣螺母 |
2 |
|
3820 |
48250-05602 |
三菱S6R 聯軸器三菱S6R 墊圈 |
2 |
|
3910 |
48250-05800 |
短三菱S6R 螺栓 |
6 |
|
3960 |
48250-05300 |
長三菱S6R 螺栓 |
2 |
|
5000 |
48250-06100 |
飛輪 |
1 |
|
5060 |
48208-11203 |
夾箍 |
1 |
|
5150 |
48250-06602 |
三菱S6R 聯軸器十字頭 |
1 |
|
5180 |
48208-01401 |
三菱S6R 聯軸器疊層板T1.0 |
4 |
|
5200 |
48208-10401 |
三菱S6R 聯軸器疊層板 |
12 |
|
5220 |
* |
疊層板組件 |
2 |
|
5250 |
48208-50500 |
長軸襯 |
4 |
|
5300 |
48208-50600 |
短軸襯 |
4 |
|
5350 |
48208-30701 |
三菱S6R 聯軸器三菱S6R 墊圈 |
8 |
|
5380 |
48208-12024 |
三菱S6R 聯軸器組件 |
1 |
|
5450 |
48208-21024 |
夾箍 |
1 |
|
7080 |
F1035-14085 |
三菱S6R 螺栓 |
1 |
|
7200 |
F2325-24000 |
鎖緊螺母 |
1 |
|
7300 |
48A17-08100 |
三菱S6R 聯軸器三菱S6R 墊圈 |
1 |
|
7340 |
32507-01400 |
三菱S6R 墊圈 |
1 |
|
7400 |
F2870-07025 |
半圓鍵 |
1 |

三菱S6R-PTA柴油發動機噴油泵(大修包)
|
9005 48202 |
59901 維修三菱S6R 墊片套件 1 |
|
9005001 F3019 |
02531 油封不表示 1 |
|
9005002 05507 |
10080 三菱S6R O型圈 2 |
|
9005003 05507 |
20350 三菱S6R O型圈 1 |
|
9005004 05507 |
20800 三菱S6R O型圈 2 |
|
9005005 05507 |
20250 三菱S6R O型圈 6 |
|
9005006 05946 |
00801 密封三菱S6R 墊圈 3 |
|
9005007 05946 |
01001 密封三菱S6R 墊圈 M10用 12 |
|
9005008 05946 |
01201 密封三菱S6R 墊圈 M12用 13 |
|
9005009 05946 |
01401 密封三菱S6R 墊圈 6 |
|
9005010 48202 |
07100 油封 1 |
|
9005011 48202 |
12400 三菱S6R O型圈 18 |
|
9005012 48202 |
13500 波紋管 2 |
|
9005013 48202 |
14100 調整三菱S6R 墊片,殼體厚度0.50 4 |
|
48202 |
14200 調整三菱S6R 墊片,殼體T |
|
48202 |
14300 調整三菱S6R 墊片,殼體厚度0.15 1 |
|
48202 |
14400 調整三菱S6R 墊片,殼體厚度0.30 2 |
|
9005014 48270 |
05600 調整三菱S6R 墊片,筒體厚度0.65 2 |
|
48270 |
05700 調整三菱S6R 墊片,筒體厚度0.70 4 |
|
48270 |
05800 調整三菱S6R 墊片,筒體厚度0.75 6 |
|
48270 |
05900 調整三菱S6R 墊片,筒體厚度0.80 8 |
|
48270 |
06100 調整三菱S6R 墊片,筒體厚度0.85 10 |
|
48270 |
06200 調整三菱S6R 墊片,筒體厚度0.90 12 |
|
48270 |
06300 調整三菱S6R 墊片,筒體厚度0.95 12 |
|
48270 |
06400 調整三菱S6R 墊片,筒體厚度1.00 12 |
|
48270 |
06500 調整三菱S6R 墊片,筒體厚度1.05 10 |
|
48270 |
06600 調整三菱S6R 墊片,筒體厚度1.10 8 |
|
48270 |
06700 調整三菱S6R 墊片,筒體厚度1.15 6 |
|
48270 |
06800 調整三菱S6R 墊片,筒體厚度1.20 4 |
|
48270 |
06900 調整三菱S6R 墊片,筒體厚度1.25 2 |
|
9005015 48202 |
09200 套筒備用零件 1 |
|
9005016 48202 |
05800 封印鐵絲 1 |
|
9005017 48202 |
07700 鉛封 1 |
|
9005018 05507 |
10360 三菱S6R O型圈 1 |
|
9005019 05946 |
02701 密封三菱S6R 墊圈不表示 1 |
|
9005020 05507 |
10390 三菱S6R O型圈 1 |
|
9005021 37564 |
05200 螺母(防改動) 2 |
|
9005022 F1035 |
08045 三菱S6R 螺栓 2 |
|
9005023 48202 |
08200 波紋管夾 2 |
|
9005024 48202 |
08300 波紋管夾 2 |
|
9005025 48202 |
23500 波紋管 2 |

檢測軸和驅動器殼體的軸承安裝部位,嚴重磨損時更換新品。

2.15 軸承、磨擦橡膠片、墊圈的檢測檢測軸承、磨擦橡膠片和墊圈,發現異常時更換新品。
2.16 油封三菱S6R發動機軸套的檢測
因油封軸套的漏油引起擊痕、損傷、磨損、松馳等時,更換油封軸套。
2.17 更換三菱S6R發動機油封軸套
2.17.1拆卸油封軸套
在軸套的端面3 處用錘垂直打擊鋼鑿,減小軸套的張緊力將其拆出。用此方法不能拆卸時,將鋼鑿沿軸向放置,輕擊軸套使其伸長失去緊固力后拆出。
2.17.2安裝三菱S6R發動機油封軸套
用加熱器等預熱油封軸套至180 ~ 200 ℃。將油封軸套插入驅動軸內。

2.18 風扇驅動器的組裝

風扇驅動器的組裝
2.18.1風扇驅動器殼體的組裝
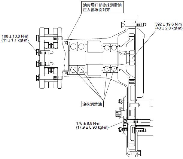
(1) 使用軸承安裝器,將軸承壓入驅動軸。

(2) 使用安裝器,將油封裝入風扇驅動器殼體。
(3) 在油封的唇口均勻涂抹潤滑油。
(4) 將驅動軸裝入風扇驅動器殼體。

(5) 使用軸承安裝器,將軸承壓入驅動軸。
(6) 安裝卡環。

(7) 在驅動軸的齒輪側安裝鍵。
(8) 風扇驅動齒輪和驅動軸的鍵對準后安裝,按照規定的扭矩緊固螺帽。

2.18.2三菱S6R發動機風扇的組裝
在組裝作業的最后階段,安裝風扇。
(1) 將磨擦橡膠片裝入驅動軸。
(2) 將磨擦橡膠片裝入驅動軸。
(3) 將風扇裝在軸承上。
注: 安裝時,注意風扇的安裝方向(風向∶鼓風)不要裝錯。
(4) 將墊圈裝入風扇。
(5) 將隔套插入墊圈和磨擦橡膠片之間。
(6) 將磨擦橡膠片安裝在風扇轂上。
(7) 將風扇板安裝在風扇轂上,按照規定的扭矩緊固螺栓。

3. 三菱S6R發動機冷卻系統的安裝
組裝時的順序和解體時相反。( 參照解體圖)
冷卻水通路要充分清洗,并使其干燥。
3.1 安裝水管(三菱S6R發動機空氣冷卻器)
三菱S6R發動機空氣冷卻器進出口接頭和水管間的墊片兩面涂抹硅系密封劑。
3.2 安裝水泵、海水泵
按照規定的扭矩緊固安裝螺帽。
