三菱S6R柴油發動機燃油噴油管、燃油溢流管的拆卸,檢測
燃油系統的拆卸,檢測
1.1 三菱S6R柴油發動機燃油噴油管、燃油溢流管的拆卸,檢測

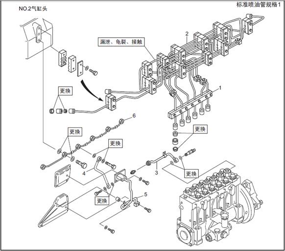
三菱S6R柴油發動機燃油噴油管、燃油溢流管的拆卸,檢測
拆卸順序
1 管夾
2 No.1 ~ 6 噴油管
3 溢流管
4 溢流管
5 溢流排出管
6 溢流管
注: 燃油進出口的零部件構成根據不同客戶和規格有所不同。

三菱S6R柴油發動機燃油噴油管、燃油溢流管的拆卸,檢測
拆卸順序
1 管夾
2 No.1 ~ 6 噴油管
3 溢流管
4 溢流管
5 溢流排出管
6 溢流管

三菱S6R柴油發動機燃油噴油管、燃油溢流管的拆卸,檢測
拆卸順序
1 溢流管
2 溢流管接頭
3 管夾
4 No.1 ~ 6 噴油管
5 溢流管
6 溢流管
7 溢流排出管
8 溢流管

三菱S6R柴油發動機燃油噴油管、燃油溢流管的拆卸,檢測
拆卸順序
1 溢流管
2 溢流管接頭
3 管夾
4 No.1 ~ 6 噴油管
5 溢流管
6 溢流管
7 溢流排出管
8 溢流管