三菱S12柴油發動機風扇驅動器總成的解體、檢修

三菱S12柴油發動機風扇驅動器總成的解體、檢修
解體順序
1 三菱S12柴油發動機風扇壓板
2 磨擦橡膠片
3 座圈
4 三菱S12柴油發動機風扇、襯圈( 約 50 kg)( 大型三菱S12柴油發動機風扇規格約80 kg)
5 襯圈
6 磨擦橡膠片
7 三菱S12柴油發動機風扇轂
8 三菱S12柴油發動機風扇驅動齒輪
9 三菱S12柴油發動機推力片
10 聯軸器
11 驅動軸
12 軸承
13 軸承
14 三菱S12柴油發動機油封軸套
15 三菱S12柴油發動機油封
16 三菱S12柴油發動機風扇驅動器本體( 約 26 kg)
三菱S12柴油發動機風扇的1片葉片損傷時因振動會引起其他葉片的損傷,軸承的異常磨損等,應更換新的三菱S12柴油發動機風扇。
2.11 三菱S12柴油發動機風扇驅動器的檢測
檢測三菱S12柴油發動機風扇驅動軸和驅動器殼體的軸承安裝部位,嚴重磨損時更換新品。

2.12 襯套、磨擦橡膠片、襯圈的檢查
檢查襯套、磨擦橡膠片、襯圈,發現異常時更換新品。
2.13 檢查三菱S12柴油發動機油封軸套
發現三菱S12柴油發動機油封軸套有引起潤滑油漏油的擊痕、損傷、磨損和變形等異常時,更換三菱S12柴油發動機油封軸套。
2.14 更換三菱S12柴油發動機油封軸套
2.14.1拆卸三菱S12柴油發動機油封軸套
在軸套的端部3處用錘垂直打擊鑿子,降低軸套的張力后拆出。用此方法不能拆出時,將鑿子軸向放置,輕輕打擊軸套使其伸長,消除過盈量后拆出。
2.14.2安裝三菱S12柴油發動機油封軸套
用加熱器等加溫三菱S12柴油發動機油封軸套至180 ~ 200 ℃左右。將三菱S12柴油發動機油封軸套插入驅動軸。

2.15 三菱S12柴油發動機風扇驅動器的組裝

三菱S12柴油發動機風扇驅動器的組裝
2.15.1三菱S12柴油發動機風扇驅動器本體的組裝
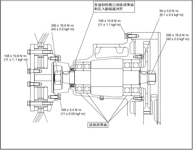
(1) 使用軸承安裝器,將軸承壓入驅動軸。

(2) 使用安裝器將三菱S12柴油發動機油封裝入三菱S12柴油發動機風扇驅動器本體。
(3) 在三菱S12柴油發動機油封的唇口涂抹清潔潤滑油。
(4) 將驅動軸裝入驅動器本體。

(5) 安裝三菱S12柴油發動機推力片,按照規定的扭矩緊固螺栓。
(6) 在驅動軸齒輪側安裝鍵。
(7) 和驅動軸的鍵對準后安裝驅動齒輪,用規定的扭矩緊固螺帽。

(8) 在驅動軸三菱S12柴油發動機風扇側安裝鍵。
(9) 和驅動軸的鍵對準后安裝聯軸器,用規定的扭矩緊固螺帽。

2.15.2三菱S12柴油發動機風扇的組裝
三菱S12柴油發動機風扇在組裝作業的最后階段進行安裝。
(1) 將三菱S12柴油發動機風扇轂安裝在聯軸器上,按照規定的扭矩緊固螺栓。
(2) 將磨擦橡膠片安裝在三菱S12柴油發動機風扇轂上。
(3) 將襯圈安裝在三菱S12柴油發動機風扇轂上。
(4) 將三菱S12柴油發動機風扇安裝在襯圈上。
注: 安裝時,注意三菱S12柴油發動機風扇的安裝方向( 風向:排出) 不要裝錯。
(5) 將襯圈安裝在三菱S12柴油發動機風扇上。
(6) 將襯套插入襯圈、磨擦橡膠片內。
(7) 將磨擦橡膠片安裝在三菱S12柴油發動機風扇轂上。
(8) 將三菱S12柴油發動機風扇壓板安裝在三菱S12柴油發動機風扇轂上,按照規定的扭矩緊固螺栓。

3. 安裝三菱S12柴油發動機冷卻系統
安裝時的順序和拆卸時相反。( 參照解體圖)
充分清洗、干燥冷卻水管路。
3.1 安裝冷卻水管(空氣冷卻器)
在空氣冷卻器出入口接頭和水管之間的墊片兩面涂抹硅密封劑。
3.2 安裝三菱S12柴油發動機水泵
按照規定的扭矩緊固安裝螺帽和皮帶輪。
