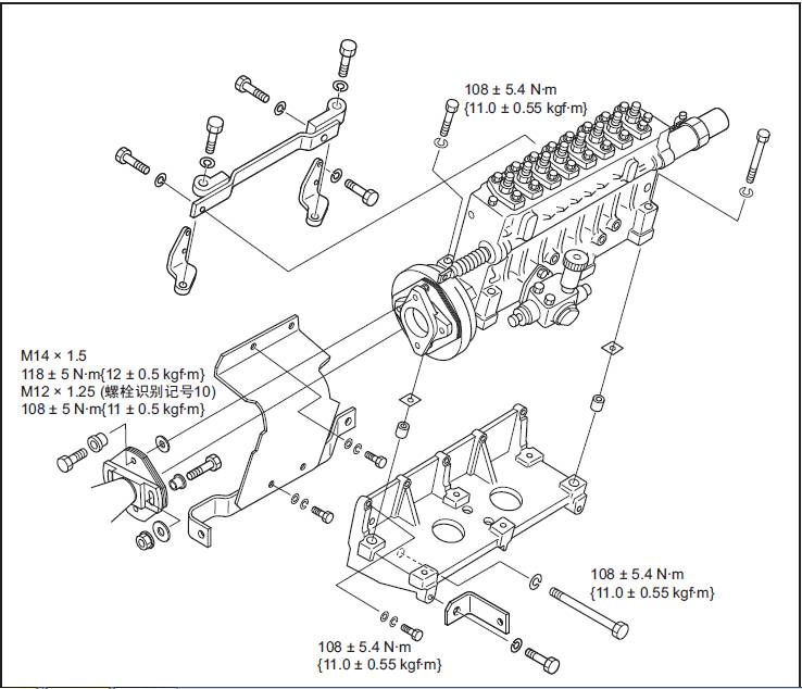
安裝三菱R16柴油發動機燃油噴油泵

安裝三菱R16柴油發動機燃油噴油泵
3.1.1 噴油泵安裝前的確認
安裝時,注意驅動器聯軸器的安裝位置和方向不要裝錯。180°反裝時,燃油噴油定時不能進行調整。
(1) 盤轉三菱R16柴油發動機曲軸,安裝右側噴油泵時盤車至No.1 壓縮上死點位置,安裝左側噴油泵時盤車至No.7 汽缸的壓縮上死點位置。
(2) 將臨時安裝在噴油泵的驅動器聯軸器和驅動軸聯軸器側的疊層板拆開,在驅動器軸上安裝半月形鍵并連接。這時,驅動側聯軸器盡量向驅動器殼體側插入,安裝螺栓處于松動狀態。
(3) 將三菱R16柴油發動機燃油噴油泵三菱R16柴油發動機飛輪的記號「0」的刻線和指針位置對齊。(No.1、7 氣缸的噴油開始位置)
注: 安裝時,注意驅動器聯軸器的安裝方向不要裝錯。

3.1.2 安裝三菱R16柴油發動機燃油噴油泵
(a) 在右側噴油泵座的噴油泵安裝面上,插入和拆卸時相同厚度(t=0.25 mm) 的新品墊片。( 左側噴油泵座沒有墊片)
(b) 驅動器聯軸器和疊層板的連接螺栓( 長) 按照規定扭矩緊固后一旦全部旋松,再次按照規定扭矩擰緊。(2 次緊固)
(c) 驅動器聯軸器和疊層板的配合面如有雜質嵌入會引起打滑或損傷,使用前螺栓、襯套和墊圈要清洗干凈。
(d) 各聯軸器旋緊后,如果疊層板發生扭曲變形時,應重新旋緊。
(1) 在右側噴油泵座的噴油泵安裝面上,插入和拆卸時相同厚度(t=0.25 mm) 的新品墊片。
注: 左側泵座不使用墊片。
(2) 吊起三菱R16柴油發動機燃油噴油泵。緩慢吊落三菱R16柴油發動機燃油噴油泵,對準泵座的定位銷后安裝。
注: 安裝螺栓時,確認墊片確實插入。
(3) 連接疊層板、驅動器聯軸器,用螺栓臨時固定。這時,確認在No.1、7 壓縮上死點位置處時三菱R16柴油發動機燃油噴油泵三菱R16柴油發動機飛輪的記號「0」的刻線在指針附近。
注: 安裝各聯軸器的連接螺栓時,注意不要忘記安裝襯套、墊圈并注意其安裝方向。
(4) 調整驅動器聯軸器和三菱R16柴油發動機飛輪之間的間隙為標準值。調整要領參照「三菱R16柴油發動機燃油系統」的「噴油泵三菱R16柴油發動機飛輪和驅動軸聯軸器的間隙調整」項。
(5) 各聯軸器臨時緊固的所有螺栓和螺帽按照規定的緊固緊固。
(6) 再次確認各聯軸器的間隙和各部分螺栓緊固狀態。

(7) 安裝噴油泵殼體和三菱R16柴油發動機三菱R16柴油發動機缸體之間的支架。
(8) 從凸輪室三菱S16柴油機潤滑油管安裝孔補充三菱R16柴油發動機潤滑油。
(9) 安裝三菱S16柴油機潤滑油管、燃油管。

3.1.3 噴油泵三菱R16柴油發動機飛輪和驅動器聯軸器的間隙調整
用噴油泵聯軸器塞規設定三菱R16柴油發動機飛輪和聯軸器之間的間隙。
(1) 將塞規的GO 側插入間隙內,設定三菱R16柴油發動機飛輪和聯軸器之間的間隙尺寸。
(2) 按照規定的扭矩緊固螺栓。
(3) 確認塞規的NO GO側插不進,然后再次將GO側插入進行確認。此狀態,噴油泵三菱R16柴油發動機飛輪和驅動器聯軸器之間的間隙作為設定值。
(4) 當插入塞規不能達到上記狀態時,應旋松螺栓,重新設定間隙。

3.2 安裝燃油控制三菱R16柴油發動機連桿
3.2.1 安裝控制軸
控制軸兩端的軸承裝配不良、或軸承不能正常回轉時,會引起顫振等機器故障。

安裝控制軸
(1) 將裝有O形圈的管插入三菱R16柴油發動機正時齒輪箱內。
(2) 將控制軸插入管內。
(3) 控制軸兩端壓入軸承后安裝軸承端蓋。
(4) 用塑料軟錘左右交換輕擊控制軸兩端,使其活動順滑。
(5) 用手轉動控制桿,確認回轉正常。
3.2.2 安裝控制三菱R16柴油發動機連桿柄
(1) 兩氣缸側的三菱R16柴油發動機連桿柄( 刻印L、R) 和球軸承、卡環、端板一起安裝在座上。
(2) 控制軸的右側端部安裝有鋸齒孔的三菱R16柴油發動機連桿柄。
(3) 控制軸的左側端部,和球軸承、卡環、端板一起,安裝連接調速器執行器的三菱R16柴油發動機連桿柄。
(4) 調速器執行器輸出軸的角度刻度「0」( 燃油減側) 時,調速器柄置于規定的位置處和鋸齒孔連接。
注: 調速器柄的規定位置參照「三菱R16柴油發動機燃油系統」的「燃油控制三菱R16柴油發動機連桿的安裝和調整」項。
3.2.3 燃油控制三菱R16柴油發動機連桿的安裝和調整

左氣缸側的三菱R16柴油發動機連桿總圖

右氣缸側的三菱R16柴油發動機連桿總圖
三菱R16柴油發動機燃油噴油泵的游隙量過大時,調速器在三菱R16柴油發動機停止位置時有可能不能切斷燃油供應,引起三菱R16柴油發動機超速。
(1) 三菱R16柴油發動機燃油噴油泵齒條和齒條控制柄之間的三菱R16柴油發動機連桿A (左右側氣缸同)調整至65±0.7 mm,安裝在左右氣缸側。
(2) 右氣缸側用固定長度(239 mm)的控制三菱R16柴油發動機連桿B-1,連接控制三菱R16柴油發動機連桿柄和控制軸的柄。
(3) 左氣缸側用可調長度控制三菱R16柴油發動機連桿B-2 調整至239 mm 臨時鎖緊,和有鋸齒孔的停止柄連接。確認兩氣缸側的三菱R16柴油發動機燃油噴油泵齒條處于「0」位置,油門柄和套管、回程彈簧一起和控制軸的鋸齒孔連接。
注: 反旋螺紋部分左右均等旋緊。
(4) 通過對左氣缸側可調長度控制三菱R16柴油發動機連桿C 的微調整,使兩氣缸側的三菱R16柴油發動機燃油噴油泵的齒條移動量相同。

(5) 控制軸柄和調速器柄之間安裝可調長度控制三菱R16柴油發動機連桿。調速器執行器輸出軸的角度刻度「0」( 不噴油位置) 時,作微調整使噴油泵端面至齒條前端的距離為67 mm。
注: 各可調長度三菱R16柴油發動機連桿的反旋螺紋部分左右均等旋緊,螺紋旋緊量8 mm 以上。
(6) 當停機柄扳至停止側末端( 齒條「0」) 時,確認噴油泵和齒條前端的距離為65 mm,游隙量為2 mm。
僅適用Woodward Governr,Ltd. 制造PROACT 型執行器規格
將止位螺栓安裝在板上。
調速器執行器輸出軸的角度刻度「0」( 不噴油位置)時,旋入止位螺栓至調速器柄的上面相接觸并鎖緊。

安裝三菱S16柴油機停機電磁鐵
3.3.1 三菱S16柴油機停機電磁鐵
RUN-OFF 型:
三菱R16柴油發動機運轉時不動作(OFF),動作(ON) 時三菱R16柴油發動機停止。
RUN-ON 型∶
三菱R16柴油發動機運轉時動作(ON),不動作(OFF) 時三菱R16柴油發動機停止。
3.3.2 起動齒條限制電磁鐵
RUN-OFF 型:
三菱R16柴油發動機起動時不動作(OFF),通常運轉時動作(ON) 解除限制。
RUN-ON 型∶
三菱R16柴油發動機起動時動作(ON),通常運轉時不動作(OFF) 解除限制。
3.3.3 三菱S16柴油機停機電磁鐵(RUN ON) 的調整

(1) 使三菱S16柴油機停機電磁鐵OFF 狀態( 三菱R16柴油發動機停止)。
(2) 通過座板的長螺栓孔調整三菱S16柴油機停機電磁鐵的安裝位置,使隨動器和連接器的間隙為0 mm (接觸)。
注: 調速器執行器的電源OFF 時,三菱R16柴油發動機燃油噴油泵齒條處于不噴油( 三菱R16柴油發動機停止) 位置。這時,三菱R16柴油發動機燃油噴油泵本體端面至三菱R16柴油發動機燃油噴油泵齒條前端的距離為68 ± 0.5 mm。
3.3.4 三菱S16柴油機停機電磁鐵(RUN OFF) 的調整

(1) 用手拉引三菱S16柴油機停機電磁鐵使其處于ON 狀態( 三菱R16柴油發動機停止)。
(2) 對可調長度控制三菱R16柴油發動機連桿作微調整,使兩氣缸側的三菱R16柴油發動機燃油噴油泵端面至控制齒條前端的距離為68 ±0.5 mm。
注:(a) 三菱S16柴油機停機電磁鐵ON 狀態時,保持約3 mm 的間隙量,使控制齒條在到達「0」位置前不動作。(b) 可調長度控制三菱R16柴油發動機連桿的反旋螺紋部分左右均等旋緊,螺紋旋入量8 mm 以上。
3.3.5 三菱S16柴油機停機電磁鐵(RUN ON)、起動齒條限制電磁鐵(RUN OFF) 的調整

(1) 使三菱S16柴油機停機電磁鐵OFF 狀態( 三菱R16柴油發動機停止)。
(2) 通過座板的長螺栓孔調整三菱S16柴油機停機電磁鐵的安裝位置,使隨動器和連接器的間隙為0 mm (接觸)。
注: 調速器執行器的電源OFF 時,三菱R16柴油發動機燃油噴油泵齒條處于不噴油( 三菱R16柴油發動機停止) 位置。這時,三菱R16柴油發動機燃油噴油泵本體端面至三菱R16柴油發動機燃油噴油泵齒條前端的距離為68 ± 0.5 mm。
(3) 用手拉引起動齒條限制電磁鐵,使其處于ON 狀態( 三菱R16柴油發動機起動狀態)。調整可調長度控制三菱R16柴油發動機連桿,使三菱R16柴油發動機燃油噴油泵端面至控制齒條前端的距離為81 mm,桿和隨動器相接觸。
3.3.6 三菱S16柴油機停機電磁鐵(RUN OFF)、起動齒條限制電磁鐵(RUN ON) 的調整

(1) 用手拉引三菱S16柴油機停機電磁鐵使其處于ON 狀態( 三菱R16柴油發動機停止)。
(2) 調節可調長度控制三菱R16柴油發動機連桿,使隨動器和桿的間隙為0 mm( 接觸)。
注: 調速器執行器的電源OFF 時,三菱R16柴油發動機燃油噴油泵處于不噴油( 三菱R16柴油發動機停止) 位置。這時,三菱R16柴油發動機燃油噴油泵本體端面至三菱R16柴油發動機燃油噴油泵齒條前端的距離為68± 0.5 mm。
(3) 使起動齒條限制電磁鐵OFF 狀態( 三菱R16柴油發動機起動狀態)。
(4) 通過座板的長螺栓孔調整起動齒條限制電磁鐵的安裝位置,使三菱R16柴油發動機燃油噴油泵端面至控制齒條前端的距離為81 mm,連接器和隨動器相接觸。
3.3.7 電磁鐵的動作確認
確認三菱R16柴油發動機起動時、運轉時、緊急停止時的各電磁鐵的動作和噴油泵齒條的位置。
三菱S16柴油機停機電磁鐵

注:(a) 三菱R16柴油發動機燃油噴油泵的燃油齒條前端距離68.5 mm( 至齒條0 位的間隙量3.5 mm) 以上時 ,三菱R16柴油發動機有可能不停止。(b) 當三菱R16柴油發動機燃油噴油泵齒條前端距離65mm( 齒條0 =和止位器接觸的狀態) 時有可能損壞止位器,確保有適當的間隙量(2 ~ 3 mm)。
起動齒條限制電磁鐵RUN ON
