威爾遜信珀金斯柴油發電機組2871 A145交流發電機 T4.20
項目 零配件號碼 最近的部分號碼
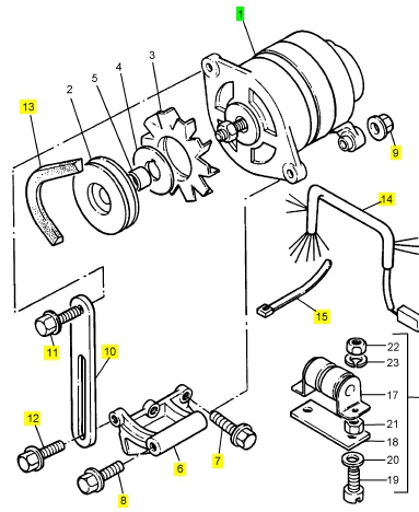
1 2871 A145 1 2871 A145 交流發電機
6 L826HF01 1 L826HF01 托架
7 2314 J004 3 2314 J004 螺旋
8 2314 H021 1 2314 H021 螺旋
9 2318 A603 1 2318 A603 螺帽
10 36155155 1 36155155 桿
11 2314 H003 1 2314 H003 螺旋
12 2314 H003 1 2314 H003 螺旋
13 2614 A028 1 2614 A028 帶
14 4172 H012 1 4172 H012 線束
15 2817154 4 2817154 拉桿
16 4173 A001 1 4173 A001 熔斷絲
24 2131 A008 1 2131 A008 墊圈
Item Parts No. Qty. Latest Part No. Description Cut Out Cut In Comment
17 PF65133 1 4173A001 FUSE
18 3684U003 1 3684U003 STRIP
19 2163745 2 2163745 SCREW
20 2131109 2 2131109 WASHER
21 2168519 2 2168519 NUT
22 2168519 2 2168519 NUT
23 0920052 2 0920052 WASHER
2 1 PULLEY
2 2871W005 1 2871W005 ALTERNATOR PULLEY
3 1 FAN
2 28710263 1 28710263 COVER
3 28710264 1 28710264 REGULATOR
4 28710265 1 28710265 RECTIFIER
5 28710266 1 28710266 BOX
6 28710267 2 28710267 BRUSH
7 28710268 1 28710268 PROTECTOR
8 28710269 2 28710269 CAPACITOR
9 28710270 3 28710270 BOLT
10 28710271 1 28710271 BRACKET
11 28710272 1 28710272 STATOR
12 28710273 1 28710273 ROTOR - ELECTRIC REPAIR
13 28710274 1 28710274 RING
14 28710275 1 28710275 BALL BEARING
15 28710276 1 28710276 BRACKET
16 28710277 1 28710277 BALL BEARING
17 28710278 1 28710278 SUNDRY KIT
18 28710279 1 28710279 CLIP
19 28710280 1 28710280 FAN

珀金斯柴油機配件批發2488 A401水泵
項目 零配件號碼 最近的部分號碼
1 2488 A401 1 2488 A401 水泵
2 2314 F006 4 2314 F006 螺旋
3 3381 D004 1 3381 D004 密合墊
4 3344 A014 1 3344 A014 承接器
5 3751 C071 1 3751 C071 托架
6 2314 H006 3 2314 H006 螺拴
7 3272 X001 1 3272 X001 承接器
8 2311 D038 3 2311 D038 螺旋
9 34821112 1 34821112 連接
10 2481886 1 2481886 夾
11 2481886 1 2481886 夾

項目 零配件號碼 最近的部分號碼
1 1 水泵
13 24880452 1 24880452 動葉輪

項目 零配件號碼 最近的部分號碼
2 24880187 1 24880187 體
3 24880188 1 24880188 橋
4 24880183 1 24880183 滾珠橋承
5 24880182 1 24880182 墊圈
6 24880182 1 24880182 墊圈
7 24880183 1 24880183 滾珠橋承
8 24880184 1 24880184 密封 -橋
9 24880185 1 24880185 密封 - O 的圈
10 24880186 1 24880186 間隔器
11 24880184 1 24880184 密封 -橋
12 24880108 1 24880108 板
13 0460038 1 0460038 動葉輪
14 24880181 1 24880181 電腦輔助制造
15 0730110 1 0730110 栓塞
16 24880189 1 24880189 蓋
17 0490785 1 0490785 密合墊 - 水的泵
18 0720866 6 0720866 螺旋
19 0720688 1 0720688 螺旋
20 24880180 1 24880180 修理裝備 - 水的泵
