珀金斯900柴油機進口配件銷售
項目 零配件號碼 最近的部分號碼
1 ZZ90179 1 ZZ90179 曲軸裝備 U983574C
(1) ZZ90179P 1 ZZ90179 曲軸裝備 -交換
7 ZZ90151 1 ZZ90174 曲軸裝備 U983573C
(7) ZZ90151P 1 ZZ90174 曲軸裝備 -交換
8 ZZ90010 3 ZZ90010 連桿總成
14 U5LP0017 3 U5LL0042 活塞裝備
18 41158144 3 41158144 活塞環裝備
19 31163495 1 31163495 曲軸傳動機構
20 33125151 1 33125151 間隔器
21 36271704 1 36271704 半圓鍵
22 31328242 2 31328242 重量
23 2185189 4 2185189 螺旋
24 31731515 2 21826055 墊圈 30/11/94
25 31731516 2 31731516 墊圈 30/11/94

項目 零配件號碼 最近的部分號碼
4 68084 A 1 U5MB0036A 曲軸瓦 -U/S
4 68084 B 1 U5MB0036B 曲軸瓦 -U/S
4 68084 C 1 U5MB0036C 曲軸瓦 -U/S
4 68084 1 U5MB0036 曲軸瓦

項目 零配件號碼 最近的部分號碼
9 1 連桿
9 1 CONROD
10 1 帽
10 1 帽
11 0095250 2 0095250 連桿螺拴
12 33221327 2 33221327 連桿螺帽
13 31134151 1 31134151 連桿小的一端襯套

項目 零配件號碼 最近的部分號碼
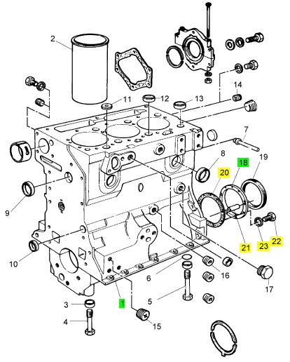
1 ZZ50275 1 缸體總成
1 ZZ50206 1 缸體總成
18 4142 V002 1 4142 V002 密封 - 再操作系統殼
20 33826115 1 33826115 密合墊
20 33826111 1 33826115 密合墊
21 0350015 2 0350015 合釘
22 0746255 9 0746255 螺旋
23 0920003 9 0920003 墊圈

項目 零配件號碼 最近的部分號碼
2 31358356 3 31358356 缸套 - 壓八配合
(2) 31358358 3 31358358 缸套 -特大號 預先完成的 +0.030"
3 33137409 8 33137409 套管
4 32181441 6 32181441 螺旋
5 32181442 2 32181442 螺旋
6 2415608 2 2415608 密封 - O 的圈
7 2485 A204 1 2485 A304 栓塞
8 0650710 5 0650710 栓塞
9 0650710 1 0650710 栓塞
10 0650566 2 0650566 栓塞
11 33141124 1 33141124 栓塞
12 33157142 2 33157142 栓塞
13 33157143 2 33157143 栓塞
14 32417163 2 32417163 栓塞
15 32114472 2 32114472 栓塞
16 2431131 1 2431131 栓塞
17 32161114 1 32161114 栓塞

項目 零配件號碼 最近的部分號碼
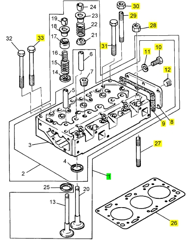
1 ZZ80113 1 ZZ80113 汽缸蓋裝備
(1) ZZ80113P 1 ZZ80113R 汽缸蓋裝備 -EXCH
8 1 板
9 1 接合
10 6 螺旋
11 6 墊圈
12 1 栓塞
26 3681 E024 1 3681 E024 密合墊 - 汽缸蓋
27 32524132 1 32524132 圖釘
28 33221329 1 33221329 螺帽
29 32524148 3 32524148 圖釘
30 33221329 3 33221329 螺帽
31 32181457 5 32181457 汽缸蓋螺拴
33 32181458 9 32181458 汽缸蓋螺拴

項目 零配件號碼 最近的部分號碼
2 ZZ80017 1 汽缸蓋裝備
4 3314 A005 3 3314 A005 閥座氣門座圈
4 33124428 3 33124428 閥座氣門座圈
13 31431121 3 31431121 吸入口閥
13 31431981 3 31431981 吸入口閥
14 33177518 3 33177518 墊圈
15 0780006 3 0780006 閥彈簧外部的
17 2415258 3 2415258 密封 - 閥轉桿
18 33423148 3 33423148 帽
19 0230001 6 0230001 閥筒夾
20 3142 A081 3 3142 A081 排氣閥
20 31431031 3 31431031 排氣閥
21 33415133 3 33415133 彈簧塾圈
22 0780006 3 0780006 閥彈簧外部的
23 33423148 3 33423148 帽
24 0230001 6 0230001 閥筒夾

項目 零配件號碼 最近的部分號碼
3 1 冒口
5 3313 E734 3 3313 E734 氣門導管 進模口
5 3316 A031 3 3316 A031 氣門導管 進模口
6 3313 E734 3 3313 E734 氣門導管 排氣
6 3316 A031 3 3316 A031 氣門導管 排氣
7 2431154 2 2431154 栓塞

項目 零配件號碼 最近的部分號碼
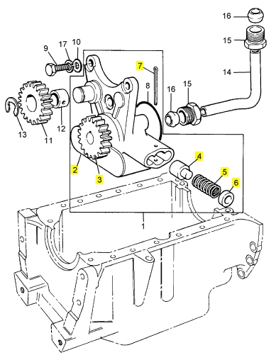
1 41314187 1 41314187 油泵
9 0746355 3 0746355 螺旋
11 41115086 1 41115086 惰輪傳動機構
13 0180831 1 0180831 夾
14 34711129 1 34711129 油管
15 33532121 2 33532121 螺帽
16 0560244 2 0560244 橄欖
17 0920053 3 0920053 墊圈

項目 零配件號碼 最近的部分號碼
2 1 體
3 1 傳動機構
4 32712715 1 32712715 柱塞
5 31742128 1 31742128 彈簧
6 33157122 1 33157122 帽
7 0610012 1 0610012 銷

項目 零配件號碼 最近的部分號碼
1 4115 R807 1 4115 R807 搖臂總成
12 0206002 1 0206002 管套節
13 2214209 2 2214209 圖釘
14 2211283 2 2211283 螺帽
15 0920004 2 0920004 墊圈
16 32754435 2 32754435 圖釘
17 2211283 2 2211283 螺帽
18 0920004 2 0920004 墊圈
19 0860012 6 0860012 挺桿
21 0576052 6 0576052 螺帽

項目 零配件號碼 最近的部分號碼
2 ZZ90047 1 ZZ90047 搖臂 ASSY-
4 0170033 2 0170033 CIRCLIP
5 0780005 2 0780005 搖臂彈簧
6 0780175 1 0780175 搖臂彈簧
7 0101138 3 3818 X121 托架
8 0330505 4 0330505 間隔器
9 3737 A091 3 3737 A091 搖臂
10 3737 A101 3 3737 A101 搖臂
11 35568352 1 35568352 油管
20 32151116 6 32151116 螺旋
30 37521212 1 3818 X121 托架
31 2112 A066 1 2112 A066 銷

項目 零配件號碼 最近的部分號碼
1 31415264 1 3141 A021 凸輪軸
2 3116 K111 1 3116 K111 凸輪軸傳動機構
2 0410241 1 3116 K111 凸輪軸傳動機構
3 0746214 3 0746214 螺旋
4 0920053 3 0920053 墊圈
5 0995447 1 0995447 輪轂
6 0350005 1 0350005 合釘
7 31164362 1 4111 A015 惰輪傳動機構
9 3241 H013 1 3241 H013 板
10 0095199 1 0095199 螺拴
11 0920883 1 0920883 墊圈
12 37161482 1 37161482 正時安排箱
13 36814119 1 36814161 密合墊 - 正時安排的箱
14 0746355 12 0746355 螺旋
15 0920053 12 0920053 墊圈
16 0096234 2 0096234 螺拴
17 0920053 2 0920053 墊圈
18 37354312 1 37354312 蓋
19 0746259 2 0746259 螺旋
20 0920053 2 0920053 墊圈
21 ZZ90039 1 ZZ90039 護封裝備
25 2415344 1 2415344 密封 -前面端油
26 36813136 1 3681 P026 密合墊 - 正時安排的蓋
27 0748414 2 0748414 固定螺釘
28 0920053 2 0920053 墊圈
29 0576002 1 0576002 螺帽
30 0920053 1 0920053 墊圈
31 0748354 8 0748354 螺旋
32 0920052 8 0920052 墊圈
33 2233207 3 2233207 螺旋
34 0920053 3 0920053 墊圈
35 2511 A735 1 2511 A735 惰輪傳動機構襯套
36 0096213 1 0096213 螺拴
