珀金斯柴油機配件T412942提升泵銷售中心
項目 零配件號碼 最近的號碼 描述
1 T412942 1 T412942 提升泵
2 3685 R007 1 3685 R007 密合墊 - 提升泵
3 2314 H005 4 2314 H005 螺旋
4 T400106 1 T400106 保護裝備

項目 零配件號碼 最近的號碼 描述
1 T406963 1 T406963 高壓燃油管 - 提升泵過濾
7 2314 J002 2 2314 J002 螺旋
8 T400106 1 T400106 保護裝備

項目 零配件號碼 最近的號碼 描述
1 2656 F702 1 2656 F702 燃料過濾器組合
7 2314 J006 2 2314 J006 螺旋
8 2318 A634 2 2318 A634 螺帽
9 T400106 1 T400106 保護裝備

項目 零配件號碼 最近的號碼 描述
2 1 燃料過濾器組合
3 26560608 2 26561118 燃料過濾器裝備

項目 零配件號碼 最近的號碼 描述
1 2848 A071 1 2848 A071 油壓開關
2 2415 H002 1 2415 H002 密封 - O 的圈

項目 零配件號碼 最近的號碼 描述
1 2848 A126 1 2848 A126 水溫度開關
2 2415 H003 1 2415 H003 密封 - O 的圈

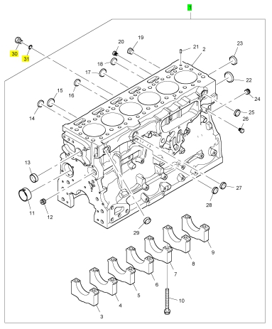
項目 零配件號碼 最近的號碼 描述
1 T405458 1 T405458 缸體組合
1 T405458 1 T405458 缸體組合
30 3278 A006 1 3278 A006 栓塞
31 2415 H519 1 2415 H519 密封 - O 的圈

項目 零配件號碼 最近的號碼 描述
2 1 缸體
2 1 缸體
3 1 橋承蓋
4 1 橋承蓋
5 1 橋承蓋
6 1 橋承蓋
7 1 橋承蓋
8 1 橋承蓋
9 1 橋承蓋
10 3218 A511 14 3218 A511 螺旋
11 T410164 1 T410164 凸輪軸襯套
11 3112 D091 1 T410164 凸輪軸襯套
12 3212 P008 1 3212 P008 栓塞
13 2485 A526 1 2485 A526 栓塞
14 0650710 1 0650710 栓塞
15 3241 A011 1 3241 A011 栓塞
16 0650710 1 0650710 栓塞
17 3241 A011 1 3241 A011 栓塞
18 0650710 1 0650710 栓塞
19 2431154 1 2431154 栓塞
20 32141316 1 32141316 栓塞
21 3244 A009 2 3244 A009 合釘
22 2485 A526 1 2485 A526 栓塞
23 3241 A012 1 3241 A012 栓塞
24 3212 P008 1 3212 P008 栓塞
25 0650710 1 0650710 栓塞
26 32141316 1 32141316 栓塞
27 0650710 1 0650710 栓塞
28 0650710 1 0650710 栓塞
29 0650710 1 0650710 栓塞

項目 零配件號碼 最近的號碼 描述
1 2418 F704 1 2418 F704 密封 - 再操作系統殼
2 3211 C002 10 3211 C002 公制的螺拴

項目 零配件號碼 最近的號碼 描述
1 T405344 6 T405344 活塞冷卻噴射
2 2314 F001 6 2314 F001 螺旋

項目 零配件號碼 最近的號碼 描述
1 T407896 1 T407896 曲軸滑車
2 T406172 1 T406172 擋板
3 T405640 3 T405640 螺旋
4 2314 J704 6 2314 J704 螺旋

項目 零配件號碼 最近的號碼 描述
1 T410861 1 T410861 啟動馬達
1 2873 K631 1 T410861 啟動馬達
2 2313 C078 3 2313 C078 圖釘
3 2318 A604 3 2318 A604 螺帽
