操作和保養手冊
1103 和 1104 工業發動機
DC(發動機)
DD(發動機)
DJ(發動機)
DK(發動機)
RE(發動機)
RG(發動機)
RJ(發動機)
RR(發動機)
RS(發動機)
RT(發動機)
DF(發動機)
DG(發動機)
This document has been printed from SPI2. NOT FOR RESALE
![]()
![]()
![]()
![]()

重要安全事項
產品的操作、保養和修理中的大多數事故,都是由于不遵守基本安全規則或預防措施引起的。若能在事
故發生前認識到各種潛在危險,事故往往是可以避免的。對各種潛在的危險,必須對工作人員提出警
告。還必須對工作人員進行培訓,使其掌握必要的技能和正確使用工具。
不正確的操作、潤滑、保養或修理產品是危險的,并會造成人身傷亡。
必須閱讀和理解產品的操作、潤滑、保養和修理的資料后,才可進行這些工作。
在本手冊中和在產品上都提供有安全預防措施和警告。如果對這些警告不予注意,會給自己或他人
造成人身傷亡。
識別危險用“安全警告符號”和“標志文字”,如“危險”、“警告” 或 “當心”。“警告” 標貼如下所示。
安全警告符號的含義如下:
注意!提高警惕! 事關您的安全。
警告的下面,說明危險的情況,有的用文字書寫,有的用圖形表示。
對能造成產品損壞的操作,在產品上和在本手冊中都以“注意”標貼表示。
� � � � 不能預料到可能發生危險的每一種情況。所以,本手冊和產品上提出的警告并不包括所有
情況。如果采用的工具、操作程序、工作方法或操作技術未經 Perkins 專門推薦,您必須保障您自己和
他人的安全。還要保證您所選擇的操作方法、潤滑、保養或修理程序不會損壞產品或造成不安全。
本手冊中的資料、技術規范和圖表是根據編寫當時可得到的資料匯編的。 所列舉的技術規范、扭矩、壓
力、測量值、調整值、圖表和其它項目,隨時都可能變更, 這些變更會影響對產品的維修。因此,在進
行各項作業前,必須獲得完整的最新的資料。 � � � � 代理商備有最新的資料。
本產品需要更換零件時, � � � � 推薦使用
Perkins 原廠生產的零件或者相同技術規范的零
件。相同的技術規范包括,但不局限于外形尺寸、
類型、強度和材料。
忽視此警告會導致過早發生故障、產品損壞甚至人
員傷亡。
This document has been printed from SPI2. NOT FOR RESALE
![]()
![]()
![]()
保修部分
SCBU7833
3
目錄
目錄
保修信息資料..................................................78
索引部分
前言..................................................................4
安全部分
索引................................................................79
安全標志..........................................................5
一般危險信息...................................................6
防止燙傷..........................................................7
防火與防爆........................................................8
防止壓傷和割傷.............................................10
上、下設備.....................................................10
起動發動機前..................................................10
發動機起動.....................................................10
發動機停機.....................................................11
電氣系統........................................................11
產品信息資料部分
機型視圖說明..................................................12
產品識別信息資料..........................................18
操作部分
起吊和貯存.....................................................22
儀表和指示燈..................................................24
發動機起動.....................................................25
發動機運行.....................................................28
發動機停機.....................................................29
寒冷天氣操作..................................................30
保養部分
加注容量........................................................33
保養周期表.....................................................48
This document has been printed from SPI2. NOT FOR RESALE
![]()
前言
4
SCBU7833
前言
保養周期
進行保養時,應同時做比該次規定時間間隔小的
前幾級的保養項目。我們建議復制一份保養計劃
表并展示在發動機附近,作為一種方便的提醒。
我們還建議將保養紀錄作為發動機永久性記錄的
一部分保存好。
文獻資料
本手冊包含安全事項、操作說明、潤滑和保養資
料。本手冊應存放在靠近發動機的一個文件夾內
或文件存放處。閱讀、分析本手冊并將它與文件
和發動機資料放在一起。
Perkins特約代理商或Perkins分銷商能夠幫助
您根據機器的運行環境的需要來調整您的保養計
劃。
英語是所有Perkins出版物的主要語言。使用英
語便于翻譯并保持一致。
大修
本手冊中的某些照片和圖示上顯示的細節或選裝
部件可能與您發動機上的有所不同。為了說明方
便,一些護罩和蓋板可能已經拿掉。產品設計的
不斷改進和發展可能對發動機有所改變,而這些
改變可能未編入本手冊中。當您對發動機或本手
冊有任何疑問時,請向您的Perkins代理商或
Perkins分銷商咨詢最新的資料。
除了大修時間和在此周期時的保養項目外,在操
作和保養手冊中沒有發動機大修的細節。只有
Perkins授權的人員才能進行大修。Perkins代
理商和Perkins分銷商可以提供大修程序的多種
方案。如果遇到重大的發動機故障時,還有許多
故障后大修的選擇方案。與Perkins代理商或
Perkins分銷商聯系以獲得這些方案。
安全
加利福尼亞州65號提案中的警告
安全部分列出了基本的安全注意事項。此外,本
部分還標出了各種危險情況和警告內容。在操
作、潤滑、保養和修理本發動機以前,要閱讀和
理解列在安全部分上的基本注意事項。
加利福尼亞州認為,柴油發動機排氣及其中的某
些成分會致癌,引起生育缺陷和其它生殖方面的
危害。蓄電池接線柱、端子和相關的附件中含有
鉛和鉛化合物。接觸后要洗手。
操作
在本手冊中指出的操作方法是最基本的。它們能
幫助操作人員提高技術和技能從而更有效、更經
濟地運轉發動機。當操作人員獲得發動機知識和
掌握其性能后,操作技巧和方法將得到提高。
操作部分是供操作人員參考的,各種照片和圖示
指導操作人員進行發動機的檢查、起動、運行和
停機。本部分還包含電子診斷方面的論述。
保養
保養部分是對發動機維護的指南。附有插圖的逐
步說明是按工作小時和(或)日歷時間保養周期
編排的。保養周期表中的項目參閱后面的詳細說
明。
應按保養周期表中指出的相應間隔期進行推薦的
保養。發動機的實際工作環境也會影響保養周
期。因此,在極度惡劣、多塵、潮濕或冰凍的寒
冷條件下運轉,可能需要比保養周期表中規定的
潤滑和保養次數多。
保養計劃中的保養項目是按預防性保養管理程序
編制的。如果遵照預防性保養管理程序進行保
養,那就不需要進行定期調整。履行預防性保養
管理程序,由于減少了計劃外停機和故障造成的
費用損失,將使運行成本降到最低。
This document has been printed from SPI2. NOT FOR RESALE
![]()
SCBU7833
5
安全部分
安全標志
安全部分
i06059602
安安全全標標志志
發動機上可能有一些特定的警告標志。本章節介
紹了危險的確切位置并對危險加以描述。請熟悉
所有安全標志。
請確保所有安全標志都很清晰易讀。如果警告標
志的說明文字或插圖無法辨識,請進行清潔或更
換。用布、水和肥皂來清潔這些警告標志。不
要使用溶劑、汽油和其他刺激性化學制品來清潔
這些警告標志。溶劑、汽油或刺激性化學制品可
能會使粘貼安全標志的粘著劑喪失粘性。松動的
警告標志可能從發動機上脫落。
更換損壞的警告標志或重新粘貼缺失的警告標
志。如果有警告標志貼在了被更換的零件上,應
在替換零件上粘貼新的警告標志。Perkins代
理商或Perkins分銷商可提供新警告標志。
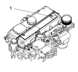
圖2
g03715977
四缸發動機的典型示例
除非已了解了操作和保養手冊里的說明和警告,
否則不要在發動機上工作或操作發動機。小心行
事是您的責任。不按說明去做或不對警告予以留
意都可能會導致人身傷亡。
(2) 乙醚
(1) 通用警告
不不要要使使用用類類似似乙乙醚醚的的噴噴霧霧劑劑輔輔助助起起動動。。否否則則可可能能導導
致致爆爆炸炸和和人人身身傷傷害害。。
在在閱閱讀讀和和了了解解《《操操作作和和保保養養手手冊冊》》中中的的指指示示和和警警告告
之之前前,,請請勿勿操操作作機機器器。。不不遵遵守守這這些些警警告告,,可可能能會會導導
致致人人身身傷傷亡亡。。
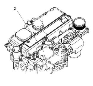
圖3
g01682820
乙醚警告標簽 (2)位于進氣歧管蓋上。參考圖2
。
圖1
g01154807
典型示例
通用警告標簽 (1)將位于氣門機構蓋上。參考圖
2。
注:此標簽的位置將取決于發動機的應用。
This document has been printed from SPI2. NOT FOR RESALE
![]()
![]()
![]()
![]()

![]()
![]()

![]()
![]()
![]()

![]()
![]()
6
SCBU7833
安全部分
一般危險信息
i06059648
一一般般危危險險信信息息
圖6
g00037887
圖4
g03715988
在維修或修理設備前,要在起動開關或操縱桿上
掛一個 “不準操作”或類似的警告標簽。
四缸發動機的典型示例
圖7
g00702020
請按要求戴上安全帽、護目鏡和其他保護裝備。
不要穿寬松的衣服或佩帶首飾,因為它們可能勾
住控制裝置或發動機的其他零件。
圖5
g03715821
應確保所有護板和罩蓋都固定在發動機的正確位
置上。
3缸發動機。
(1)通用警告標簽
(2)乙醚警告標簽
保持發動機上沒有異物。清除車內地板、通道和
階梯上的碎屑、機油、工具和其他物品。
通用警告標簽 (1)位于三缸發動機的氣門機構蓋
后面。乙醚警告標簽 (2)位于三缸發動機的氣門
機構蓋前面。
切勿將保養液體倒入玻璃容器內。將所有的液體
排放到適當的容器內。
請遵守當地關于處置各種液體的一切法規。
小心使用所有清洗溶液。
報告所有必要的修理。
不準未經許可的人員登上設備。
This document has been printed from SPI2. NOT FOR RESALE
![]()

![]()
![]()

![]()
![]()

![]()
![]()

![]()
![]()
SCBU7833
7
安全部分
防止燙傷
在進行保養時或維修電氣系統時,要斷開蓄電
池。斷開蓄電池接地導線。用膠帶包住導線以
防止火花產生。如有配備,斷開蓄電池前,先凈
化柴油排氣處理液。
在設備維修區保養發動機。有關將設備放在維修
位置的步驟,請參閱OEM資料。
不要試圖修理您不了解的東西。使用適當的工
具。更換或修理損壞的設備。
對于初次起動的新發動機或維修后的發動機,應
做好發生超速時的進行停機操作的準備。可通過
斷開燃油供給和/或空氣供給關閉發動機。確保
只有供油管切斷。確保回油管打開。
圖8
g00687600
應從操作員操作臺(駕駛室)起動發動機。決不
要靠短接起動馬達端子或蓄電池來起動發動機。
此動作會旁通發動機空檔起動系統和/或電氣系
統可能會受到損壞。
請務必使用木板或硬紙板來檢查泄漏。在壓力下
所噴出的液體可能會穿透人體組織。液體穿透進
入身體會造成嚴重的人身傷害,甚至可能導致死
亡。即使是一個針孔大小的泄漏,也可能導致嚴
重的人身傷害。如果油液噴射進您的皮膚,必須
立刻治療。要找熟悉這類創傷的醫生來治療。
發動機排氣含有可能對人體有害的燃燒產物。務
必在通風區域起動和運行發動機。如果發動機處
于封閉區域,應將發動機廢氣排到外面去。
盛裝泄漏的液體
拆卸蓋板時要小心。逐漸松開但不拆卸位于蓋板
或裝置上相對兩端的最后兩個螺栓或螺母。在拆
下最后兩個螺栓或螺母之前,將蓋撬松,以便釋
放彈簧壓力或其他壓力。
在檢驗、保養、測試、調整和修理發動機時,請
嚴格確保有盛裝流出液體的容器。在打開任何腔
室或拆解任何部件之前,請準備好用適當的容器
來收集流出的液體。
壓縮空氣和水
•只能使用適于盛裝液體的工具及設備。
•只能使用適于盛裝液體的工具及設備。
請遵守當地關于處置各種液體的一切法規。
壓縮空氣和/或加壓水可將碎屑和/或熱水吹出
來。這種行為可能會導致人身傷害。
在殼體上直接使用壓縮空氣或加壓水可能會造成
人身傷害。
使用壓縮空氣和/或加壓水進行清洗時,請穿戴
防護衣、防護鞋和眼部護具。眼部護具包括護目
鏡及防護面罩。
i06059611
防防止止燙燙傷傷
用于清理的最大氣壓一定要低于205kPa
(30psi)。用于清潔的最大水壓一定要低于
275kPa(40psi)。
不要觸摸運轉中的發動機的任何部位。一定要待
發動機冷卻下來后,才對發動機進行保養。在拆
開任何管道、管接頭或相關零件之前,要釋放空
氣系統、液壓系統、潤滑系統、燃油系統和冷卻
系統中的全部壓力。
液體穿透
即使發動機已經熄火很久,液壓回路中仍可能滯
留壓力。如果沒有正確地釋放壓力,會導致液壓
油或管塞之類的物體高速射出。
冷卻液
發動機處于工作溫度時,發動機的冷卻液是熱
的,而且處于壓力下。水箱和通向加熱器或發
動機的所有管道內都有熱的冷卻液。
在釋放壓力之前,不可拆卸任何液壓零部件,否
則會造成人身傷害。在釋放壓力之前,不可拆解
任何液壓零部件,否則會造成人身傷害。有關釋
放液壓壓力所需的任何步驟,請參閱OEM資料。
觸摸熱的冷卻液或蒸汽都會造成嚴重燙傷。泄放
冷卻系統以前,讓冷卻系統部件先冷卻下來。
在發動機停機和冷卻后,檢查冷卻液液位。
This document has been printed from SPI2. NOT FOR RESALE
![]()

![]()
![]()
8
SCBU7833
安全部分
防火與防爆
確保加液口蓋冷卻后再將其打開。蓋溫必須達到
徒手可以觸摸的溫度。慢慢拆下加注口蓋,以便
釋放壓力。
確定發動機是否在可燃氣體可被吸入進氣系統的
環境下運行。這些氣體會造成發動機超速。這
可能會導致人身傷害、財產損失或發動機損壞。
冷卻系統添加劑含堿。堿性物質會造成人身傷
害。不要讓堿接觸皮膚,也不要讓其進入眼睛或
嘴。
如果應用類型涉及存在可燃氣體的情況,請咨詢
您的Perkins代理商和/或Perkins分銷商,以
獲得關于適當防護裝置的更多資料。
機油
清除發動機上的所有易燃或導電材料,例如燃
油、機油和碎屑。禁止在發動機上堆積任何易燃
或導電材料。
反復或長時間暴露于礦物油或合成基礎油后可能
會感覺到皮膚疼痛。有關詳細信息,參考供應商
提供的《材料安全數據表》。熾熱油和潤滑部件
會造成人身傷害。不要讓熾熱的機油接觸皮膚。
應使用適當的個人防護設備。
將燃油和潤滑劑裝入正確標記的容器內,并存放
在遠離未經授權人員的位置。將油布和其他易燃
物存放在保護性的容器內。切勿在存放易燃物的
場所吸煙。
柴油
不得讓發動機暴露在任何明火之下。
柴油可能會刺激眼睛、呼吸系統和皮膚。長時間
暴露于柴油下可能會導致各種皮膚狀況。應使用
適當的個人防護設備。有關詳細信息,參考供應
商提供的《材料安全數據表》。
如果管路、管道和密封件損壞,排氣管隔熱板
(如有配備)可以保護熱的排氣管部件不被機油
或燃料的噴射到。排氣隔熱板必須正確安裝。
蓄電池
禁止在裝有易燃液體的管路或油箱上進行焊接。
禁止在裝有易燃液體的管路或油箱上進行火焰切
割。在焊接或火焰切割這些管路或油箱前,先用
不可燃的溶劑徹底將其清洗。
電解液是酸性的,電解液會造成人身傷害。避
免電解液接觸皮膚或眼睛。保養蓄電池時一定要
戴防護眼鏡。接觸了蓄電池和接線柱后要洗手。
建議使用手套。
導線必須保持在良好狀態。確保所有電線正確安
裝并且牢固連接。每天檢查所有的電線。請在
運轉發動機之前修復松動或磨損的電線。清潔并
緊固所有線路接頭。
i06059642
防防火火與與防防爆爆
去掉所有無關的或不必要的導線。不要使用比推
薦規格小的導線或電纜。不得將任何保險絲和/
或斷路器旁通短接。
電弧或火花會引起火災。牢固連接、按照推薦布
設的線路和正確保養的蓄電池電纜有助于防止產
生電弧和火花。
檢查所有的管路和軟管有無磨損或老化。軟管必
須布設正確。管路和軟管必須有適當的支撐或牢
固的管夾。按照推薦扭矩擰緊所有接頭。泄漏
會造成火災。
機油濾清器和燃油濾清器必須安裝正確。濾清器
殼體必須擰緊到正確的扭矩。
圖9
g00704000
所有的燃油、大多數的潤滑油和某些冷卻液混合
物都是易燃品。
易燃液體滲漏或濺到熾熱表面或電器部件上時,
可能引起火災。火災會引起人身傷害和財產損
失。
如果在緊急停機后15分鐘內拆卸發動機曲軸箱
的蓋子,則有可能引起火花。
This document has been printed from SPI2. NOT FOR RESALE
![]()

![]()
![]()
SCBU7833
9
安全部分
防火與防爆
跨接電纜連接不當可能會引起爆炸,造成人身傷
害。有關具體的說明,請參考本手冊的操作部
分。
不得給凍結的蓄電池充電。這樣做會引起爆炸。
蓄電池必須保持清潔。每個電池柵格單元都必須
蓋好蓋子(如有配備)。在發動機運轉時,要使
用推薦的電纜、接頭和蓄電池箱蓋。
滅火器
確保備有滅火器供使用。要熟悉滅火器的使用方
法。經常檢修滅火器。遵從指示板上的說明。
乙醚
乙醚是有毒且易燃的物質。
更換乙醚罐或使用乙醚噴射裝置時切勿吸煙。
不要將乙醚罐存放在生活區或發動機艙室中。也
不要將乙醚罐存放在太陽光直射的地方,或者溫
度超過49°C(120°F)的地方。.使乙醚罐遠
離明火或火花。
圖10
g00704059
向發動機加燃油的時候要小心謹慎。不要在向發
動機加燃油的時候吸煙。也不要在靠近明火或火
花的地方向發動機加燃油。切記加燃油前將發動
機熄火。
管路、管道和軟管
請勿將高壓管線彎折。請勿敲擊高壓管線。請
勿安裝任何已彎折或損壞的管線。不要在高壓管
上夾上任何其它的東西。
請修理或更換任何已松脫或損壞的管路。泄漏會
造成火災。請向您的Perkins代理商或您的
Perkins分銷商咨詢零件的維修或更換。
仔細檢查管線、管子和軟管。不要用徒手來檢查
泄漏。使用一塊木板或紙板檢查泄露按照推薦
扭矩擰緊所有接頭。
若出現下列任何一種情況,請更換零件:
•端接頭損壞或滲漏。
•外層有磨損或割傷。
•金屬線暴露在外。
•外層鼓包隆起。
•軟管的彈性零件扭曲。
•鎧裝護套嵌入外層。
•端接頭移位。
圖11
g00704135
蓄電池散發出來的氣體能引起爆炸。讓明火或火
花遠離蓄電池的頂部。不要在蓄電池充電的場所
吸煙。
確保所有管夾、防護板和隔熱罩安裝正確。安裝
正確有助于防止發動機工作時的振動、零部件間
的相互摩擦以及過量生熱。
不得采用將金屬物體跨接在接線端子上的辦法來
檢查蓄電池的充電情況。必須使用電壓表或比重
計。
This document has been printed from SPI2. NOT FOR RESALE
![]()

![]()
![]()

![]()
![]()
10
SCBU7833
安全部分
防止壓傷和割傷
i03018585
如有配備,確保用于發動機的照明系統適合于工
況條件。確保所有照明燈工作正常。
防防止止壓壓傷傷和和割割傷傷
如果進行維修作業必須啟動發動機,必須安裝好
所有保護罩、蓋。為了預防旋轉件引起事故,在
旋轉件周圍工作要小心。
在部件下面工作時,部件應有可靠的支撐。
不要旁通自動關斷電路。不要停用自動關斷電
路。這種電路的設置是為了防止人身傷害,同
時也可防止發動機損壞。
如果沒有提供另外的保養說明,在發動機運轉
時,切勿試圖進行調整。
避開所有轉動部件和運動部件。直到進行保養時
再拿掉保護罩。保養結束后重新裝上護罩。
請參閱維修手冊以了解修理和調整信息。
將物件遠離轉動的風扇葉片。風扇葉片會拋出或
切割物件。
i02616984
發發動動機機起起動動
敲擊物件時,要戴護目鏡,以免傷及眼睛。
在敲擊物件時,碎片或其它碎屑會四處飛散。敲
擊物件之前,應確保周圍無人會被飛出的碎屑擊
傷。
不不要要使使用用類類似似乙乙醚醚的的噴噴霧霧劑劑輔輔助助起起動動。。否否則則可可能能導導
致致爆爆炸炸和和人人身身傷傷害害。。
i06059630
上上、、下下設設備備
如果發動機起動開關或控制裝置上系有一個警告
標簽,切勿起動發動機或扳動控制裝置。在起動
發動機前,要向掛系警告標簽的人咨詢。
不要攀爬發動機。發動機不適合用作安裝或拆卸
位置。
如果必須起動發動機進行維修作業,必須安裝好
所有保護罩、蓋。為了預防旋轉件引起事故,在
轉動件周圍工作要小心。
請參閱OEM信息以了解在具體應用中手和腳應抓
住哪些位置。
在操作人員的操作室或使用發動機起動開關來起
動發動機。
i06059655
一定要按照操作和保養手冊發動機起動(操作部
分)中所敘述的步驟起動發動機。了解正確的起
動步驟有助于防止發動機零部件的重大損壞。了
解正確起動步驟有助于防止人身傷害。
起起動動發發動動機機前前
為了確保水套水加熱器(如有配備)和/或潤滑
油加熱器(如有配備)工作正常,在加熱器工作
期間,要查看水溫計和油溫計。
注意
初次起動新發動機或大修過的發動機和起動已經維修
過的發動機時,要作好出現超速時的停機準備。 這可
以通過切斷發動機的空氣和/或燃油供應來實現。
發動機排氣含有對人體有害的燃燒產物。一定要
在通風良好的地方起動和運行發動機。如果在一
個密閉的空間起動發動機,要將發動機廢氣排到
室外去。
發發動動機機排排氣氣含含有有對對人人體體有有害害的的燃燃燒燒產產物物。。必必須須在在良良
好好通通風風的的場場所所起起動動和和運運轉轉發發動動機機,,如如果果在在封封閉閉場場
所所,,要要將將廢廢氣氣排排到到外外面面去去。。
注:發動機配備有正常工作狀況的冷起動的自動設
備。如果發動機將在嚴寒下運轉,那么可能需要嚴寒
輔助起動裝置。通常,發動機將配備有適合于作業地
區的輔助起動裝置。
檢查發動機有無潛在危險。
發動機在每個氣缸內配備有電熱塞輔助起動裝
置,加熱進氣,以利于起動。
如果起動開關或操縱裝置上系有一個 “不準操作”
警告標簽或類似警告標簽,切勿起動發動機或移
動任何操控裝置。
啟動發動機前,確保發動機上面、下面或周圍附
近無人。確保附近沒有任何人員。
This document has been printed from SPI2. NOT FOR RESALE
![]()
![]()
![]()
![]()
![]()
![]()
![]()
SCBU7833
11
安全部分
發動機停機
i03616456
發發動動機機停停機機
遵循操作和保養手冊發動機停機(操作部分)進
行發動機停機操作,以便避免發動機過熱和發動
機部件的加速磨損。
只有在緊急情況下才能使用緊急停機按鈕(如有
配備)。發動機正常停機時不要使用緊急停機按
鈕。在引起緊急停機的問題解決之前,切勿啟
動發動機。
如果新發動機或經大修后的發動機初次起動時發
生超速情況,使發動機停機。這可以通過切斷發
動機的供油和/或供氣來實現。
i02616968
電電氣氣系系統統
充電裝置正在工作時,切勿從蓄電池斷開充電裝
置電路或蓄電池電路電纜。由蓄電池產生的易燃
氣體可能被火花點燃。
為便于防止火花點燃某些蓄電池產生的可燃氣
體,負極 “−”跨接起動電纜應該最后從外接電源
連接到起動馬達的負 “−”接線柱。如果起動馬達
沒有配備負 “−”接線柱,請把跨接起動電纜連接
到缸體。
每天檢查電線是否松動。在發動機起動之前,擰
緊所有松動的電線。發動機起動之前,要修理好
所有擦破的電線。有關具體的起動說明,請參閱
操作和保養手冊。
接地方法
為獲得發動機的最佳性能和可靠性有必要使發動
機電氣系統接地正確。不正確的接地會造成不受
控和不可靠的電路路徑。
不受控制的電路會對主軸承、曲軸軸頸表面和鋁
質部件造成損壞。
未安裝發動機到機架接地帶的發動機可能因電氣
放電而損壞。
為確保發動機和發動機電氣系統工作正常,必須
使用發動機到機架的接地帶,此接地帶直接連到
蓄電池。該通路徑可通過發動機直接接地到機
架。
所有接地點必須緊固和無腐蝕現象。發動機交流
發電機必須通過一根足可以承受其全額充電電流
的電線接地到蓄電池的負 “-”接線柱。
This document has been printed from SPI2. NOT FOR RESALE
![]()
12
SCBU7833
產品信息資料部分
機型視圖
產品信息資料部分
機型視圖說明
i06059623
機機型型視視圖圖
以下機型視圖中所示為發動機的典型特性。由于
具體應用不同,您的發動機可能看起來與圖中所
示有所差異。
1104 發動機型號視圖
圖12
g03706445
典型示例
(1)冷卻液出口
(2)加油口
(3)燃油細濾器
(4)起動馬達
(5)機油表(油尺)
(6)燃油粗濾器
(7)機油濾清器
(8)機油濾清器(較低位置,如有安裝)
(9)冷卻液進口
(10)水泵
(11)皮帶
This document has been printed from SPI2. NOT FOR RESALE

![]()
![]()
SCBU7833
13
機型視圖說明
機型視圖
圖13
g03706446
典型示例
(12)后吊耳
(13)前吊耳
(14)交流發電機
(15)渦輪增壓器
(16)機油排放塞
(17)飛輪
(18)冷卻液排放
This document has been printed from SPI2. NOT FOR RESALE

![]()
![]()
14
SCBU7833
機型視圖說明
機型視圖
1103 發動機型號視圖
圖14
g03705844
典型示例
(1)冷卻液出口
(2)燃油細濾器
(3)噴油器
(4)油冷卻器
(5)開式呼吸器
(6)機油表(油尺)
(7)燃油粗濾器
(8)機油濾清器
(9)機油排放塞
(10)加油口
(11)冷卻液進口
(12)水泵
(13)皮帶
This document has been printed from SPI2. NOT FOR RESALE

![]()
![]()
SCBU7833
15
機型視圖說明
發動機描述
圖15
g03705848
典型示例
(14)交流發電機
(15)渦輪增壓器
(16)起動馬達
(17)飛輪
(18)飛輪殼
(19)冷卻液排放塞
i06059626
發發動動機機描描述述
•渦輪增壓后冷式
•渦輪增壓式
•自然吸氣式
發動機技術規格
注:發動機的前端與發動機飛輪端相對。在飛輪端處
看去,確定發動機的左側和右側。1號氣缸是最前端
的氣缸。
圖16
g00984281
氣門布置的典型示例
(A)進氣閥
(B)排氣閥
This document has been printed from SPI2. NOT FOR RESALE

![]()
![]()

![]()
![]()
16
SCBU7833
機型視圖說明
發動機描述
表 1
(表 3, 續)
1104 工業用發動機 技術規格
直列4缸
旋轉方向(飛輪端)
逆時針
油缸數量
缸徑
氣門間隙設定值(進氣)
氣門間隙設定值(排氣)
0.20 mm (0.008 in)
0.45 mm (0.018 in)
105 mm (4.134 in)
127 mm (5.0 in)
沖程
表 4
進氣方式
渦輪增壓后冷式
渦輪增壓式
1103 恒速技術規格
自然吸氣式
油缸數量
缸徑
直列 3 缸
壓縮比
排量
NA 19.25:1 NA
T 18.23:1 T, TA
105 mm (4.134 in)
沖程
127 mm (5.0 in)
4.4 L (268 in )
3
進氣方式
渦輪增壓式
自然吸氣式
點火順序
1 3 4 2
旋轉方向(飛輪端)
氣門間隙設定值(進氣)
逆時針
壓縮比
排量
NA 19.25:1
T 17.25:1
0.20 mm (0.008 in)
0.45 mm (0.018 in)
3.3 L (201 in )
3
氣門間隙設定值(排氣)
點火順序
1 2 3
表 2
旋轉方向(飛輪端)
氣門間隙設定值(進氣)
逆時針
1103 工業用發動機 技術規格
0.20 mm (0.008 in)
0.45 mm (0.018 in)
油缸數量
缸徑
直列 3 缸
氣門間隙設定值(排氣)
105 mm (4.134 in)
沖程
127 mm (5.0 in)
發動機冷卻與潤滑
進氣方式
渦輪增壓式
自然吸氣式
冷卻系統包括以下部件:
壓縮比
排量
NA 19.25:1
T 18.25:1
•齒輪驅動離心水泵
•調節發動機冷卻液溫度的水溫調節器
•齒輪驅動機油泵(齒輪式)
•油冷卻器
3.3 L (201 in )
3
點火順序
1 2 3
旋轉方向(飛輪端)
氣門間隙設定值(進氣)
逆時針
0.20 mm (0.008 in)
0.45 mm (0.018 in)
發動機潤滑油由一個齒輪泵供應。發動機潤滑油
經過冷卻并過濾。在機油粘度高時,旁通閥向發
動機零件提供不受阻的潤滑油流。如果機油冷卻
器或機油濾清器濾芯出現堵塞,旁通閥亦可向發
動機零件提供不受阻的潤滑油流。
氣門間隙設定值(排氣)
表 3
1104 恒速技術規格
發動機的效率、排放控制效率和發動機性能的最
大利用取決于遵守正確的操作和保養建議。發動
機的性能和效率也依賴于使用建議的燃油、潤滑
油和冷卻液的情況。關于保養事項的更多信息,
參考操作和保養手冊保養周期表。
油缸數量
缸徑
直列4缸
105 mm (4.134 in)
沖程
127 mm (5.0 in)
進氣方式
渦輪增壓后冷式
渦輪增壓式
自然吸氣式
發動機使用壽命
發揮發動機的效率和最大程度利用發動機的性能
取決于對正確的操作和保養建議的遵守程度。此
外,也應使用建議的燃油、冷卻液和潤滑劑。將
操作和保養手冊用作發動機所需進行的保養的指
南。
壓縮比
NA 19.25:1
T 17.25:1, T 18.23:1, TA 18.23:1
排量
4.4 L (268 in )
3
1 3 4 2
點火順序
(續)
This document has been printed from SPI2. NOT FOR RESALE





![]()
SCBU7833
17
機型視圖說明
發動機描述
發動機的預期使用壽命通常可由需求的平均功率
預測出來。需要的平均功率是基于一段時間內發
動機的燃油消耗量來確定的。減少全油門運轉小
時數和/或在減低了的油門設置下運轉可導致較
低的平均功率需求。減少運轉小時數將會延長發
動機需要大修之前的運轉時間。
This document has been printed from SPI2. NOT FOR RESALE
![]()
18
SCBU7833
產品識別信息資料
發動機識別
產品識別信息資料
序列號標牌位于缸體左側靠近發動機后部的地
方。
i03616452
以下資料壓印在序列號標牌上:發動機序列號,
型號和配置總成號.
發發動動機機識識別別
i02890279
珀金斯發動機通過序列號進行識別。此號碼標
注在安裝在發動機缸體左側的序列號標牌上。
參參考考號號
例如發動機號為RE12345U090001H。
訂購零件時,可能需要有關以下項目的信息資
料。找出您的發動機的資料。在相應位置填寫
這些資料。復印此清單作為檔案記錄。保存這
些資料以供將來參考。
RE
型發動機
發動機列表編號
英國制造
RE12345
U
供參考用的檔案記錄
發動機型號
090001
H
發動機序列號
制造年份
發動機生產序號
發動機低怠速
珀金斯代理商需要這些號碼以便確定該發動機上
包括的零部件。這樣可以精確識別替換零件的零
件號。
發動機滿負荷轉速
燃油粗濾器
i03616448
序序列列號號標標牌牌
水分離器濾芯
燃油細濾器濾芯
潤滑油濾芯零件號
輔助機油濾芯零件號
潤滑系統總容量
冷卻系統總容量
空氣濾清器濾芯
風扇傳動皮帶
交流發電機皮帶
i03616462
排排放放認認證證貼貼膜膜
符合排放要求的發動機標牌
排放標牌的典型范例
圖17
g00994966
典型的序列號標牌
(1)臨時零件列表編號
(2)類型
(3)序列號
(4)列表編號
This document has been printed from SPI2. NOT FOR RESALE
![]()
![]()
![]()
![]()
![]()
![]()
![]()
![]()
![]()
![]()
![]()
![]()
![]()
![]()
![]()
![]()
![]()
![]()
![]()
![]()

![]()
![]()
SCBU7833
19
產品識別信息資料
排放認證貼膜
圖18
g01173630
這種標牌的典型范例安裝在使用電子燃油噴射系統或電子噴油泵的發動機上。
圖19
g01156733
這種標牌的典型范例安裝在使用機械燃油噴射系統的發動機上。
This document has been printed from SPI2. NOT FOR RESALE

![]()

![]()
![]()
20
SCBU7833
產品識別信息資料
排放認證貼膜
遵守 MSHA 排放的發動機標簽。
圖20
g01381316
典型示例
圖20中所示標簽表明是北美地下煤礦用發動
機。在遵守礦場安全和健康管理(MSHA)排放要
求的發動機上安裝標簽。經認證的柴油發動機將
通過一個明顯永久的認證標記加以識別。認證標
記刻有一個MSHA認證號。柴油發動機標簽須安裝
牢固。
This document has been printed from SPI2. NOT FOR RESALE
![]()

![]()
![]()
SCBU7833
21
產品識別信息資料
排放認證貼膜
不符合排放要求的發動機標牌
圖21
g01156734
典型標簽安裝在不遵守排放要求的發動機上。
圖22
g01157127
該典型標簽安裝在固定發動機上。
This document has been printed from SPI2. NOT FOR RESALE

![]()

![]()
![]()
22
SCBU7833
操作部分
發動機起吊
操作部分
起吊和貯存
i06059647
發發動動機機起起吊吊
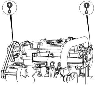
圖25
g03791033
一些三缸應用中可能安裝有吊耳,如圖25所示。
(1)吊耳
注意
千萬不要折彎吊環螺栓和支架。 吊環螺栓和支架只能
承受張力負荷。 要記住當支承構件和物體之間的角度
小于90°時,吊環螺栓的承載能力變小。
當必須在某一角度搬移部件時,只能使用具有適當額
定載荷的連桿支架。
圖23
g03729078
四個氣缸吊耳的典型示例
使用起重機搬移重的部件。使用一個可調的吊粱
起吊發動機。所有的支承構件(鏈條和鋼絲繩)
應互相平行。鏈條和鋼絲繩與被吊物的頂面盡可
能保持垂直。
有些搬移工作要求用吊裝工具吊裝,以確保正確
的平衡和安全。
只在拆卸發動機時,要使用發動機上的吊耳。
吊耳是為特定的發動機配置總成設計和安裝的。
更換吊耳和/或發動機會使吊耳和吊具不能使
用。如果對吊耳和/或發動機作過改動,則應確
保提供正確的起吊裝置。請咨詢您的Perkins
代理商或您的Perkins分銷商以獲得有關正確
發動機吊裝夾具的資料。
i06059657
發發動動機機貯貯存存
Perkins對發動機使用一段時間后存放期間發生
的損壞不承擔任何責任。
圖24
g03791046
三個氣缸吊耳的典型示例
This document has been printed from SPI2. NOT FOR RESALE
![]()
![]()
![]()

![]()
![]()

![]()
![]()

![]()
![]()
SCBU7833
23
起吊和貯存
發動機貯存
您的Perkins代理商或Perkins分銷商可協助您
完成發動機的長期存放準備工作。
每月檢查
必須旋轉曲軸以改變氣門機構的彈簧負荷。將曲
軸旋轉180度以上。目視檢查發動機有無損壞或
腐蝕。
存放條件
發動機必須存放在防水建筑內。建筑內必須保持
恒溫。加注PerkinsELC的發動機可在 − 36°C
(−32.8°F)的環境溫度下實現冷卻劑保護。發
動機不能用于溫度和濕度變化極大的環境。
存放之前,確保完全覆蓋發動機。在發動機記錄
中記下程序。
存放期限
遵循所有建議,發動機可存放長達6個月。
存放程序
對發動機上完成的程序保留適當的記錄。
注:存放發動機時,燃油系統中不能有生物柴油。
1.確保發動機潔凈干燥。
a.如果發動機使用生物柴油運行,必須排放
系統并安裝新濾清器。燃油箱需要沖洗。
b.使用可接受的燃油加注燃油系統。如需了
解可接受燃油的詳細信息,請參閱本操作
和保養手冊油液建議。運行發動機15分
鐘以從系統中清除所有生物柴油。
2.排出粗濾器水分離器中的所有水分。確保燃
油箱加滿。
3.存放發動機時不需要排放發動機機油。如果
使用正確規格的發動機機油,發動機可以存放
長達6個月。如需了解發動機機油的正確規
格,請參閱本操作和保養手冊油液建議。
4.從發動機上卸下驅動皮帶。
密封冷卻系統
確保冷卻系統加注了PerkinsELC或符合ASTM
D6210規格的防凍液。
打開冷卻系統
確保所有冷卻系統排放塞都已打開。使冷卻液放
出。安裝排放塞。在系統中放入汽相抑制劑。
加入汽相抑制劑后,必須密封冷卻系統。如果冷
卻系統與大氣連通,將會導致汽相抑制劑失去作
用。
如需了解保養程序,請參閱本操作和保養手冊。
This document has been printed from SPI2. NOT FOR RESALE
![]()
24
SCBU7833
儀表和指示燈
儀表和指示燈
儀表和指示燈
轉速表 – 此儀表指示發動機轉速。 在無負
載時,把油門控制桿移動到全油門位置,發
動機在高怠速運轉。 在最大額定負載下,
油門操縱桿在全油門位置,發動機在滿負載轉速下運
轉。
i03616444
儀儀表表和和指指示示燈燈
注意
為幫助防止發動機受到損害,切勿超過高怠速轉速。
超速可能導致對發動機的嚴重損害。 發動機可以在高
怠速運行而不受損害,但應絕不許超過高怠速轉速。
您的發動機上的儀表可能與下述儀表不同或不具
備所有下述儀表。更多有關儀表組的資料,請參
閱OEM資料。
儀表用來指示發動機性能。確保儀表處于良好的
工作狀態。觀察儀表一段時間之后,您就能確定
正常的運行范圍。
電流表 – 此儀表指示蓄電池充電電路中的充
電或放電量。 儀表指針應在 “0” (零)位
右側動作。
儀表讀數的顯著變化表明潛在的儀表或發動機問
題。即使儀表讀數在規格范圍內,其讀數變化也
可能表明存在問題。確定和糾正導致任何讀數顯
著變化的原因。請向您的珀金斯代理商或您的
珀金斯分銷商尋求幫助。
燃油油位 – 此儀表指示燃油箱中燃油的液
位。 燃油油位表在 “起動/停機 (START/
STOP)” 開關在 “接通 (ON)” 位置時工作。
工時計 – 此儀表指示發動機的運行時間。
注意
如果顯示無機油壓力,應將發動機停機。 如果發動機
冷卻液超出了最高冷卻液溫度,停止發動機。 否則會
導致發動機損壞。
發動機機油壓力 – 冷態發動機起動后,機油
壓力應在最大值。 在額定轉速下,典型的
SAE10W30 發動機機油壓力為
207 至 413 kPa (30 至 60 psi)。
低怠速時油壓低是正常的。如果負載穩定但儀表
讀數變化,進行以下步驟:
1.1.卸掉負載。
2.2.降低發動機轉速至低怠速。
3.3.檢查和保持機油油位。
水套水冷卻液溫度表 – 典型溫度范圍是
71 至 96 °C (160 至 205 °F)。 壓力為
48 kPa (7 psi) 的加壓冷卻系統的最高容許
溫度為 110 °C (230 °F)。 在某些情況下可能會有更
高的溫度。 隨著負荷的不同,發動機冷卻液溫度讀數
不同。 對于正在使用中的增壓系統,讀數應永遠不能
超過沸點。
如果發動機在正常范圍內運轉且有蒸汽生成,則
進行下列程序:
1.1.降低負載和發動機轉速。
2.2.檢查冷卻系統是否滲漏。
3.3.決定是否必須立即關閉發動機,或者是否可以
通過減少負載使發動機冷卻。
This document has been printed from SPI2. NOT FOR RESALE
![]()
![]()
![]()
![]()
![]()
![]()
![]()
![]()
![]()
![]()
![]()
SCBU7833
25
發動機起動
發動機起動前
發動機起動
•如果發動機起動開關或操縱裝置上系有一個 “不準
操作”警告標簽或類似的警告標簽,切勿起動發動
機或移動任何操控裝置。
i03018700
•確保運轉部件的周圍無異物。
發發動動機機起起動動前前
•所有護罩必須在位。檢查是否有損壞或遺失的護
罩。修理任何損壞的護罩。更換損壞和/或丟失的
護罩。
起動發動機前,先進行所需的日常保養和其他定
期保養。詳細資料請參考操作和保養手冊保養周
期表。
•斷開所有未針對接合電起動馬達時產生的高耗用電
流加以防護的蓄電池充電器。檢查電纜和蓄電池
是否有連接不好和腐蝕。
•為使發動機達到其最大使用壽命,起動發動機之
前,請對發動機室內做徹底檢查。查看以下項
目:油泄漏,冷卻液泄漏,松動的螺栓和過量臟
物和/或油泥.清除堆積的過量臟物和油泥。對檢
查過程中發現的故障進行修理。
•復位所有停機裝置或報警部件(如有配備)。
•檢查發動機潤滑油油位。保持機油油位在發動機
機油油尺的 “加(ADD)”標記與 “滿(FULL)”標記之
間。
•檢查冷卻系統軟管是否有裂紋和松動的夾箍。
•檢查冷卻液液位。觀察集水箱(如有配備)中的
冷卻液液位。保持冷卻液液位在集水箱上的 “滿
(FULL)”標記處。
•檢查交流發電機和附屬傳動皮帶是否有裂紋、斷裂
和其它損壞。
•檢查線路和線束是否連接松動,導線是否磨損或擦
傷。
•如果發動機沒有配備集水箱的話,應將冷卻液油位
保持在距加注口管底部13mm(0.5inch)之內。
如果發動機配備目測表,保持冷卻液液位在目測表
內。
•檢查燃油供油。放掉油水分離器(如有配備)中
的積水。打開供油閥(如有配備)。
•檢查空氣濾清器保養指示器(如有配備)。當黃
膜片進入紅色區或紅色活塞鎖止在可視位置時,要
保養空氣濾清器。
注意
在發動機運行之前和期間必須打開燃油回油管上的所
有閥門,以便防止燃油壓力過高。 燃油壓力高可能導
致濾清器殼體故障或其它損壞。
•確保所有由發動機驅動的設備已從發動機上分離。
最大限度降低電氣負載和卸掉任何電氣負載。
如果發動機數周未起動過,燃油可能從燃油系統
中泄掉。空氣可能進入濾清器殼體。并且更換
燃油濾清器時,一些氣泡將被困在發動機燃油系
統中。在這些情況下,請用手油泵注油。更多
有關泵注燃油系統的信息資料,請參考操作和保
養手冊燃油系統-泵注。
i03616446
發發動動機機起起動動
不不要要使使用用類類似似乙乙醚醚的的噴噴霧霧式式起起動動輔輔助助裝裝置置。。否否則則可可
能能導導致致爆爆炸炸和和人人身身傷傷害害。。
發發動動機機排排氣氣含含有有對對人人體體有有害害的的燃燃燒燒產產物物。。必必須須在在良良
好好通通風風的的場場所所起起動動和和運運轉轉發發動動機機,,如如果果在在封封閉閉場場
所所,,要要將將廢廢氣氣排排到到外外面面去去。。
請參閱操作和保養手冊查尋您的控制裝置類型。
使用下述步驟來起動發動機。
1.1.如有配備,在起動發動機前,將油門桿移動到
全油門位置。
注意
發動機盤車時間不要超過30秒鐘。 再次盤車前,讓起
動馬達先冷卻2分鐘。
This document has been printed from SPI2. NOT FOR RESALE
![]()
![]()
![]()
![]()
![]()
![]()
![]()
![]()
![]()
2.2.將發動機起動開關轉到起動(START)
位置。
4.4.當發動機起動時,松開發動機起動開關鑰匙。
26
SCBU7833
發動機起動
寒冷天氣起動
將發動機起動開關保持在起動(START)位置并
盤動發動機。
5.5.如果發動機沒有起動,松開發動機起動開關,
使電動起動馬達冷卻。然后,重復步驟2至步
驟4。
3.3.當發動機起動時,松開發動機起動開關。
4.4.如有配備,將油門桿緩慢放入低怠速位置,允
許發動機怠速運轉。請參閱操作和保養手冊起
動發動機后主題。
6.6.如果發動機配備有油門,則允許發動機怠速3
至5分鐘,或允許發動機怠速直至水溫指示器
開始上升。發動機應在低怠速平穩運轉直到速
度逐漸提高到高怠速。繼續進行正常運轉之前
要讓白煙消散。
5.5.如果發動機沒有起動,松開發動機起動開關,
使電動起動馬達冷卻。然后,重復步驟2至步
驟4。
7.7.在低載荷下運轉發動機,直至所有系統達到工
作溫度為止。暖機期間,檢查儀表。
6.6.轉動發動機起動開關鑰匙至斷開(OFF)(斷
開)位置以停止發動機。
8.8.轉動發動機起動開關至斷開位置以停止發動
機。
i06059653
i03840672
寒寒冷冷天天氣氣起起動動
用用跨跨接接起起動動電電纜纜起起動動
不不要要使使用用類類似似乙乙醚醚的的噴噴霧霧式式起起動動輔輔助助裝裝置置。。否否則則可可
能能導導致致爆爆炸炸和和人人身身傷傷害害。。
不不正正確確的的跨跨接接起起動動電電纜纜連連接接會會引引起起爆爆炸炸,,造造成成人人身身
傷傷害害。。
通過使用水套水加熱器或更大的蓄電池容量,加
強了 −18°C(0°F)以下溫度的起動能力。
防防止止在在蓄蓄電電池池周周圍圍產產生生火火花花。。火火花花會會引引起起氣氣體體爆爆
炸炸。。不不要要讓讓跨跨接接起起動動電電纜纜端端部部互互相相接接觸觸或或與與發發動動機機
接接觸觸。。
以下項目在寒冷天氣下可將起動問題和燃油問題
出現的幾率降至最低:發動機油底殼加熱器,水
套水加熱器,燃油加熱器和燃油管路隔熱層。
注:如有可能,首先診斷無法起動的原因。進行任何
必要的修理。如果發動機無法起動僅是由于蓄電池的
狀況,給蓄電池充電,或者使用跨接起動電纜起動發
動機。
請遵循寒冷天氣下的起動步驟。
1.1.如有配備,在起動發動機前,將油門桿移動到
全油門位置。
在發動機關閉后,還可再次檢查蓄電池的狀況。
注意
2.2.如有配備,將發動機起動開關轉至加熱位置。
將發動機起動開關在加熱位置保持6秒鐘,直
到預熱塞指示燈點亮。此動作將啟用預熱塞,
幫助發動機進行起動。
使用一個與電起動馬達有相同電壓的蓄電池電源。 跨
接起動只允許使用相同電壓。 使用更高電壓會損壞電
氣系統。
不要反向連接蓄電池電纜。 否則交流發電機可能損
壞。 接地電纜要在最后連接并要最先斷開。
注意
發動機盤車時間不要超過30秒鐘。 再次盤車前,讓起
動馬達先冷卻2分鐘。
當使用外部電源起動發動機時,將發動機操控開關旋
至 “斷開(OFF)” 位置。 在連接跨接起動電纜之前,將
所有電氣附件關閉。
在將跨接起動電纜連接到被起動發動機之前,確保主
電源開關是在斷開(OFF)位置。
3.3.預熱塞指示燈點亮的同時,將發動機起動開關
轉到起動位置,拖動發動機。
1.1.將起動開關轉到斷開(OFF)位置。關閉所有發
動機附件。
注:如果預熱塞指示燈短暫點亮r2至3秒鐘或預熱塞
指示燈不亮,說明冷起動系統中有故障。不要使用乙
醚或其它起動液體來起動發動機。
This document has been printed from SPI2. NOT FOR RESALE
![]()
![]()
![]()
![]()
![]()
![]()
![]()
![]()
![]()
SCBU7 833
27
發動機起動
發動機起動后
2.2.將跨接起動電纜的一個正極端連接到已放電蓄
電池的正極電纜端子。將跨接起動電纜的另一
正極端連接到電源的正極電纜接線端子上。
3.3.將跨接起動電纜的一個負極端連接到電源的負
極電纜接線端子上。將跨接起動電纜的另一端
連接到發動機氣缸體或底盤接地點。這一步驟
有助于防止潛在火花點燃某些蓄電池產生的易
燃氣體。
4.4.起動發動機。
5.5.在起動熄火的發動機之后,馬上以相反順序斷
開跨接起動電纜。
跨接起動后,交流發電機可能不會把嚴重放電的
蓄電池重新充足電。發動機停止后,必須更換蓄
電池或對蓄電池充電到正確電壓。許多蓄電池被
認為是不能再使用了,但仍可以重新充電使用。
請參閱操作和保養手冊蓄電池-更換和測試和調
整手冊蓄電池-測試。
i030187 16
發發動動機機起起動動后后
注:溫度在0至60°C(32至140°F)時,暖機時間
大約需要3分鐘。溫度低于0°C(32°F)時,可能
需要額外的暖機時間。
當發動機暖機怠速時,觀察以下情況:
•向發動機施加負荷之前,在怠速和最高轉速(發動
機無負荷時)的一半轉速時,檢查是否有液體或氣體
滲漏。在某些應用情況下這樣做不可能。
•低怠速運行發動機,直到所有系統達到工作溫度。
暖機期間,檢查所有儀表。
注:發動機運行時,應觀察儀表讀數,經常記錄數
據。比較長期數據將有助于確定每一個儀表的正常讀
數。比較長期數據還將有助于發現非正常運行情況的
發展變化。應查明讀數發生重大變化的原因。
This document has been printed from SPI2. NOT FOR RESALE
![]()
28
SCBU7833
發動機運行
發動機運行
發動機運行
i03018699
燃燃油油省省油油準準則則
i06059631
發發動動機機運運行行
發動機的效率會影響燃油經濟性。珀金斯的設
計和制造工藝為所有應用類型帶來最高的燃油效
率。遵循建議的程序以便獲得發動機使用壽命期
的最佳性能。
正確的運轉和保養是獲得發動機最大壽命和經濟
性的關鍵因素。如果按照操作和保養手冊中的指
示去做,使用費用可以降至最低,使用壽命可以
最大限度地延長。
•避免燃油溢出。
燃油受熱會膨脹。燃油可能會從燃油箱溢出。
檢查燃油管路是否有滲漏。對燃油管路進行所需
的維修。
在達到工作溫度后,發動機可以在額定轉速下運
行。發動機在低發動機轉速和低功率需求時達到
正常工作溫度將會快些。此程序比發動機無負荷
怠速運轉的情況要更有效率。發動機應在數分鐘
內達到工作溫度。
•知道不同燃油的特性。只使用推薦的燃油。
•避免不必要的怠速運轉。
發動機運行時,應觀察儀表讀數,經常記錄數
據。比較長期數據將有助于確定每一個儀表的正
常讀數。比較長期數據也將有助于發覺非正常運
行的發展變化。應調查讀數中的明顯變化。
使發動機停機而不是長時間怠速運行。
•頻繁觀察空氣濾清器保養指示器。保持空氣濾清器
濾芯清潔。
i06059656
•保養電氣系統
發發動動機機暖暖機機
一個壞的蓄電池電池會使交流發電機過度工作。
這將消耗額外的功率和燃油。
•確保驅動皮帶調整正確。驅動皮帶應狀況良好。
•確保所有軟管連接緊密。連接處不應泄漏。
•確保被驅動設備狀況良好。
變速發動機
1.1.低怠速運轉發動機3至5分鐘。或者低怠速
運轉發動機直到水套水溫度開始上升。
•冷發動機消耗額外的燃油。盡可能利用來自水套
水系統和排氣系統的熱量。保持冷卻系統部件清
潔和得到良好維護。決不能運轉未安裝水溫調節
器的發動機。所有這些項目將有助于保持運行溫
度。
當氣溫低于 −18°C(0°F)時,可能需要更長
時間。
2.2.暖機期間檢查所有儀表。
3.3.圍繞機器周圍檢查一圈。檢查發動機是否有
液體和空氣泄漏。
4.4.把轉速提高到額定轉速。檢查是否有液體和
氣體滲漏。當水套溫度達到60°C(140°F)
時,發動機可能以滿額定轉速在滿載下工作。
恒速發動機
1.1.運轉發動機3至5分鐘。
當氣溫低于 −18°C(0°F)時,可能需要更長
時間。
2.2.暖機期間檢查所有儀表。
3.3.圍繞機器周圍檢查一圈。檢查發動機有無漏
液或漏氣,僅在確認無泄漏后才可施加負載。
This document has been printed from SPI2. NOT FOR RESALE
![]()
SCBU7833
29
發動機停機
發動機停機
發動機停機
•檢查曲軸箱的機油油位。保持油位在發動機油尺
上的 “添加”標記與 “充滿”標記之間。
i03616465
•如有必要,進行較小的調整。修理每一處滲漏并
擰緊任何松動的螺栓。
發發動動機機停停機機
•請注意要求的保養周期。按本操作和保養手冊保
養部分的保養周期表所述進行保養。
•加滿燃油箱以防止油箱中積聚濕氣。燃油箱不要
加油過滿。
注意
發動機帶負荷運轉后立即停機會引起過熱并加快發動
機零部件的磨損。
注意
只使用操作和保養手冊冷卻液規格中建議使用的防凍
劑/冷卻液混合液。 不這樣做會造成發動機損壞。
如果發動機已在高速和/或大負荷下持續運轉過,使發
動機停機之前,至少在低怠速運轉發動機 3分鐘以降
低和穩定發動機內部溫度。
避免發動機熱態停機可增加渦輪增壓器軸和軸承的壽
命。
•讓發動機冷卻下來。檢查冷卻液液位。
•如果預期發動機會在冰凍溫度下運轉,檢查冷卻液
是否具有正確的防凍保護。必須保護冷卻系統,
以防其在預計的最低外部溫度下凍結。如果必
要,添加正常的冷卻液/水混合液。
停止在低負載運轉的發動機之前,以低怠速運轉
發動機30秒鐘。如果發動機一直在高轉速和/或
高負荷運轉,停機前以低怠速運轉發動機至少3
分鐘。此步驟將使發動機內部溫度得以降低和穩
定下來。
•對所有被傳動的設備進行必需的定期保養。此保
養會在原始設備制造商(OEM)的使用說明書中述
及。
確保已了解了發動機的停機步驟。停機應按照發
動機上安裝的停機系統或參閱原始設備制造商提
供的說明來進行。
•為停止發動機,應將起動鑰匙開關轉到斷電(OFF)
位置。
i03018541
緊緊急急停停機機
注意
緊急停機控制裝置只用于緊急情況。 切勿把緊急停機
裝置或控制裝置用于正常的停機過程。
OEM可能已裝配了緊急停機按鈕。更多關于緊急
停機按鈕的信息,請參閱OEM資料。
確保發動機停機后支持發動機運行的外部系統的
所有部件安全可靠。
i03616455
發發動動機機停停機機后后
注:檢查發動機機油之前,停止運行發動機至少10分
鐘以便使發動機機油有充分時間回到油底殼。
This document has been printed from SPI2. NOT FOR RESALE
![]()
![]()
![]()
![]()
![]()
![]()
![]()
30
SCBU7833
寒冷天氣操作
寒冷天氣操作
寒冷天氣操作
寒冷天氣操作建議
•如果發動機能夠起動,應運轉發動機直到達到
81°C(177.8°F)的最低工作溫度。達到工作溫
度將有助于防止進排氣門膠結。
i06059616
寒寒冷冷天天氣氣操操作作
•發動機的冷卻系統和潤滑系統不會緊隨停機立即散
失所有熱量。這意味著發動機在停機一段時間后
仍有能力輕易起動。
Perkins柴油發動機能在寒冷天氣下有效運轉。
在寒冷天氣下柴油發動機機的起動和運轉取決于
以下各項:
•寒冷天氣到來之前,加注達到正確技術參數的發動
機潤滑劑。
•使用的燃油的型號
•發動機機油的黏度
•預熱塞的工作
•每周檢查所有橡膠零件(軟管和風扇傳動皮帶
等)。
•檢查所有電氣接線和連接有無任何磨損和絕緣層損
壞現象。
•選裝的冷起動輔助裝置
•蓄電池狀況
•保持所有蓄電池充足電和溫熱。
•在每次輪班結束時加滿燃油箱。
•環境空氣溫度和海拔
•應用的附加載荷
•每天檢查空氣濾清器和進氣口。當在下雪天運轉
時應更頻繁地檢查進氣口。
•確保預熱塞正常工作。請參閱測試和調整手冊預
熱塞-測試。
•應用液壓和變速箱油粘度
本節將介紹下列信息:
•寒冷天氣下運轉引發的潛在問題
酒酒精精或或起起動動液液會會造造成成人人身身傷傷害害或或財財產產損損壞壞。。
•為最大限度減少環境空氣溫度在0°至−40°C
(32°至40°F)時的起動問題和運轉問題而采取
的建議步驟。
酒酒精精或或起起動動液液是是高高度度易易燃燃品品并并且且有有毒毒,,如如果果儲儲存存不不
當當,,會會造造成成人人身身傷傷害害或或財財產產損損壞壞。。
在結凍溫度下發動機的操作和保養非常復雜。這
是由于下述情況造成的:
•天氣情況
不不要要使使用用類類似似乙乙醚醚的的噴噴霧霧式式起起動動輔輔助助裝裝置置。。否否則則可可
能能導導致致爆爆炸炸和和人人身身傷傷害害。。
•發動機應用
您的Perkins代理商或Perkins分銷商所提出的
建議的基礎是以往的可行實踐。本部分所包含的
信息為寒冷天氣的操作提供指導。
•有關寒冷天氣下使用電纜進行跨接起動的信息,請
參閱操作和保養手冊使用跨接起動電纜起動中的
說明。
發動機潤滑油粘度
必須使用粘度正確的發動機機油。機油的粘度影
響盤車扭矩的數值。請參閱本維修和保養手冊油
液建議以了解推薦的機油粘度信息。
推薦使用的冷卻液
該冷卻液應向冷卻系統提供針對最低預期外界溫
度的保護。請參閱本維修和保養手冊油液建議以
了解推薦的冷卻液混合液信息。
在寒冷天氣中,經常檢查冷卻液的乙二醇的濃度
是否正確,以確保有足夠的防凍保護能力。
This document has been printed from SPI2. NOT FOR RESALE
![]()
![]()
![]()
![]()
![]()
SCBU7833
31
寒冷天氣操作
燃油和寒冷天氣的影響
發動機缸體加熱器
此外,發動機必須徹底暖機以使發動機上的其它
零件處于更好的狀況,發動機的使用壽命通常, 來
講將會延長。潤滑將會得到改善。機油中的酸
和油泥將會減少。此潤滑將會使發動機軸承、活
塞環和其它零件具有更長的使用壽命。但是,請
將不必要的空轉時間限制為10分鐘,以減少磨
損和不必要的油耗。
發動機缸體加熱器(如果配備)加熱燃燒室周圍
的發動機缸套水。這些熱量具有以下作用:
•改善起動性能。
•縮短暖機時間。
一旦發動機停機,缸體電加熱器即可通電工作。
有效缸體加熱器的典型電功率為1250/1500W單
位。請咨詢您的Perkins代理商或Perkins分銷
商以了解更多信息。
水溫調節器和絕緣加熱器管路
發動機配有水溫調節器。當發動機冷卻液低于正
確工作溫度時,缸套水經過發動機缸體循環進入
發動機缸蓋。然后,冷卻液通過環繞冷卻液溫度
調節器的內部通道回流到缸體。此系統可確保冷
卻液在低溫工作條件下流經發動機。在發動機缸
套水已達到正確的最低工作溫度時,水溫調節器
打開。當缸套水冷卻液溫度超過最低工作溫度
時,水溫調節器進一步打開,以使更多的冷卻液
流經散熱器以散發過多熱量。
發動機怠速運轉
在寒冷天氣中發動機起動后怠速運轉時,將發動
機轉速從1000rpm提高至1200rpm。轉速提高
后將更快速預熱發動機。如果安裝了手動油門,
使用該控制裝置使長時間將發動機轉速保持在提
升了的低怠速轉速的操作更加容易。發動機不應
通過“高速運轉”來加快預熱速度。
水溫調節器的漸進式開口可漸進關閉缸體和缸蓋
之間的旁通道。此系統可確保流進散熱器的冷卻
液流量最高,以獲得最佳的散熱效果。
發動機怠速運轉過程中,施加輕載(附加載荷)
將會有助于保持最低工作溫度。最低工作溫度為
82°C(179.6°F)。
注:Perkins不鼓勵使用任何氣流限制裝置,例如散熱
器簾。限制氣流可能會產生以下后果:排氣管溫度過
高,功率損失,風扇使用過度和燃油經濟性降低。
冷卻液升溫建議
使因不工作而冷卻到正常工作溫度以下的發動機
升溫。在發動機恢復全面作業前,應先執行升
溫。在非常寒冷的天氣條件下運轉期間,發動機
短時間運轉會導致發動機氣門機構損壞。如果發
動機起動后又停機許多次,而沒有加以運轉以便
徹底暖機,上述情況將會發生。
駕駛室加熱器在極冷天氣條件下十分有用。來
自發動機的供應管和來自駕駛室的回路管應采取
保溫措施,以減少在外部空氣中的熱量損失。
對進氣口和發動機室進行隔熱處理
當頻繁遇到外界溫度低于 −18°C(− 0°F)的天
氣條件時,可規定將空氣濾清器進口置于發動機
室內。位于發動機室的空氣濾清器也可以最大限
度地減少雪進入空氣濾清器。同時,發動機隔絕
的熱量有助于加熱進氣。
當發動機低于正常工作溫度運轉時,燃燒室內的
燃油和機油無法完全燃燒。這些燃油和機油導致
氣門桿上形成軟積碳。通常來講,這些積碳不會
引發問題,它們可以在發動機處于正常工作溫度
時被燒掉。
通過對發動機室進行隔熱處理,可使發動機周圍
的熱量得以保留。
當發動機起動后又停機許多次,而沒有加以運轉
以便徹底暖機時,這些積碳將會積厚。這將導致
下列問題:
i06059651
•氣門無法自如工作。
•氣門發卡。
燃燃油油和和寒寒冷冷天天氣氣的的影影響響
•推桿可能會彎曲。
注:僅使用Perkins推薦的燃油等級。請參閱本操作
和保養手冊油液建議。
•還可對氣門系部件造成其它損壞。
籍此原因,起動后,發動機必須加以運轉,直到
冷卻液溫度達到至少71°C(160°F)。氣門桿
上的積碳將保持在最少。氣門和氣門部件將保持
自由操作。
柴油的性能可能會對發動機冷啟動能力有顯著的
影響。柴油的低溫臨界特性對期望發動機運轉的
最低環境溫度有可接受性。以下屬性用于定義燃
油低溫性能:
•濁點
•傾點
•濾清器冷阻塞點(CFPP)
This document has been printed from SPI2. NOT FOR RESALE
![]()
32
SCBU7833
寒冷天氣操作
寒冷天氣下與燃油有關的部件
燃油的濁點是指柴油中的蠟狀物開始析出的溫
度。燃油的熔點必須低于最低環境溫度以防止濾
清器堵塞。
寒冷天氣操作時,燃油粗濾器的微米等級和位置
相當主要。燃油粗濾器和供油管是最常見的受冷
態燃油影響的部件。
CFPP是指特定燃油將通過標準過濾裝置的溫度。
可利用CFPP估算燃油的較低工作溫度。
燃油加熱器
注:OEM可能會配備燃油加熱器。如果是這種情況的
話,溫暖天氣下應斷開燃油電熱器,以防燃油過熱。
如果燃油加熱器的類型采用熱交換器,OEM應加裝一
個溫暖天氣下使用的旁通設備。確保溫暖天氣下旁通
設施正常工作,以防燃油過熱。
傾點是燃油停止流動及開始析蠟前的最后溫度。
購買燃油時,請注意這些特性。考慮發動機應用
的平均環境溫度。在一種氣候條件下加油運轉良
好的發動機,裝運到較冷氣候下時可能無法正常
工作。引起問題的原因可能是溫度變化。
更多有關燃油加熱器(如有配備)的信息,請參
閱OEM資料。
如果冬季中發動機功率過低或性能太差,進行故
障檢修之前先檢查燃油是否析蠟。
以下部件可將寒冷天氣下燃油析蠟問題出現的幾
率降到最低。
•燃油加熱器,可能為OEM選裝件。
•燃油管絕緣件,可能為OEM選裝件。
冬季和北極級柴油可用于冬季嚴寒的國家和地
區。關于更多信息,請參閱操作和保養手冊寒冷
天氣操作
可能影響柴油發動機冷起動和操作的另一重要燃
油特性是辛烷值。有關更多信息,請參閱操作和
保養手冊油液建議。
i03018697
寒寒冷冷天天氣氣下下與與燃燃油油有有關關的的部部件件
燃油箱
未注滿的燃油箱可能形成水汽凝結。在您運行發
動機后加滿燃油箱。
燃油箱應包括一些從底部放出水和沉積物的設
施。有些油箱使用的供油管其管端在燃油箱中的
位置高于水和沉渣的沉積層。
有些燃油箱使用的供油管直接從燃油箱底部取
油。如果發動機配備了這種系統,定期保養燃油
系統濾清器相當重要。
在以下情況下從燃油儲油箱中放掉水和沉渣:每
周,換機油時和向燃油箱加油時.這樣將有助于
防止水和沉渣被從儲油箱中泵吸進發動機燃油箱
中。
燃油濾清器
可能會有一個燃油粗濾器安裝在燃油箱和發動機
燃油進口之間。更換燃油濾清器之后,要泵注燃
油系統以便從燃油系統中驅除氣泡。更多有關泵
注燃油系統的信息資料,請參考操作和保養手冊
保養部分。
This document has been printed from SPI2. NOT FOR RESALE
![]()
SCBU7833
33
保養部分
加注容量
保養部分
加注容量
1104發動機
表 7
1104 自然吸氣式發動機
艙室或系統
升
夸脫
i03616443
只對發動機
10.4
11
加加注注容容量量
外部冷卻系統容量(OEM 推薦) (1)
冷卻系統總容量 (2)
(1)
外部冷卻系統包括一個散熱器或一個膨脹箱及下述零部件: 熱
交換器, 后冷器 和 管路. 請參閱原始設備制造商 (OEM) 的技術
參數。 在本行中輸入外部系統容量數值。
整個冷卻系統包括發動機冷卻系統的容量外加外部系統的容
潤滑系統
(2)
發動機曲軸箱的再次加注容量反映了曲軸箱的近
似容量或油槽與標準機油濾清器容量之和。對于
輔助機油濾清器系統,需要另加機油。有關輔助
機油濾清器的容量大小,請參閱OEM技術參數。
關于潤滑劑技術參數的更多信息,請參閱操作和
保養手冊保養部分。
量。 將總容量填入此行中。
表 8
1104 渦輪增壓發動機
艙室或系統
升
夸脫
只對發動機
11.4
12
1104發動機
外部冷卻系統容量(OEM 推薦) (1)
冷卻系統總容量 (2)
表 5
(1)
外部冷卻系統包括一個散熱器或一個膨脹箱及下述零部件: 熱
1104 發動機
交換器, 后冷器 和 管路. 請參閱原始設備制造商 (OEM) 的技術
艙室或系統
升
夸脫
參數。 在本行中輸入外部冷卻系統容量數值。
整個冷卻系統包括發動機冷卻系統的容量外加外部系統的容
(2)
發動機曲軸箱標準集油槽 (1)
6.5
7
量。 將總容量填入此行中。
(1)
這些數值是曲軸箱油底殼的近似容量,其中包括工廠安裝的標
準機油濾清器的容量。 安裝了輔助機油濾清器的發動機將需要
額外的機油。 有關輔助機油濾清器的容量大小,請參閱原始設
備制造商的技術參數。
1103發動機
表 9
1103 自然吸氣式發動機不配備機油冷卻器
1103發動機
艙室或系統
升
夸脫
表 6
只對發動機
4.21
4
1103 發動機
外部冷卻系統容量(OEM 推薦) (1)
冷卻系統總容量 (2)
艙室或系統
升
夸脫
發動機曲軸箱標準集油槽 (1)
6.5
7
(1)
外部冷卻系統包括一個散熱器或一個膨脹箱及下述零部件: 熱
(1)
這些數值是曲軸箱油底殼的近似容量,其中包括工廠安裝的標
交換器, 后冷器 和 管路. 請參閱原始設備制造商 (OEM) 的技術
準機油濾清器的容量。 安裝了輔助機油濾清器的發動機將需要
額外的機油。 有關輔助機油濾清器的容量大小,請參閱原始設
備制造商的技術參數。
參數。 在本行中輸入外部系統容量數值。
(2)
整個冷卻系統包括發動機冷卻系統的容量外加外部系統的容
量。 將總容量填入此行中。
表 10
冷卻系統
1103 自然吸氣式發動機與渦輪增壓發動機配備一個機油冷
卻器
為了正確保養冷卻系統,必須知道冷卻系統總容
量。下表中列出了發動機冷卻系統的近似容量。
外部系統容量將隨應用的不同而變化。有關外部
系統的容量,請參閱OEM技術參數。需要知道這
個容量數據以便確定整個冷卻系統需要多少冷卻
液/防凍液。
艙室或系統
升
夸脫
只對發動機
4.43
4.02
外部冷卻系統容量(OEM 推薦) (1)
冷卻系統總容量 (2)
(1)
外部冷卻系統包括一個散熱器或一個膨脹箱及下述零部件: 熱
交換器, 后冷器 和 管路. 請參閱原始設備制造商 (OEM) 的技術
參數。 在本行中輸入外部系統容量數值。
(2)
整個冷卻系統包括發動機冷卻系統的容量外加外部系統的容
量。 將總容量填入此行中。
This document has been printed from SPI2. NOT FOR RESALE






![]()
34
SCBU7833
加注容量
油液建議
i06059632
如果沒有蒸餾水或去離子水,使用具有表11內
所列特性的水。
油油液液建建議議
表 11
可使用的水
特性
最高限值
一般冷卻液信息
氯化物(Cl)
40 mg/L
硫酸鹽(SO
4
)
100 mg/L
170 mg/L
注意
切勿向過熱的發動機中添加冷卻液。 發動機可能因此
而損壞。 應首先使發動機冷卻。
總硬度
總的固體含量
酸度
340 mg/L
pH 值為 5.5 至 9.0
注意
如果發動機貯存在或裝運到低于結凍溫度的區域,冷
卻系統必須在最低外界溫度下受到保護,或者完全放
掉以防止損壞。
有關水質分析,請咨詢以下渠道之一:
•當地自來水公司
•農業機構
注意
•獨立實驗室
為了妥當地防凍和防沸騰, 要常常檢查冷卻液的比
重。
添加劑
添加劑幫助保護冷卻系統的金屬表面。缺乏冷卻
液添加劑或添加劑量不足能夠促使以下情況的發
生:
基于以下原因,應清潔冷卻系統:
•冷卻系統受到污染
•發動機過熱
•腐蝕
•礦物沉淀物的生成
•銹蝕
•冷卻液起泡
注意
•水垢
切勿在冷卻系統中未裝水溫調節器的情況下運行發動
機。 水溫調節器幫助保持發動機冷卻液處于正確的工
作溫度。 未裝水溫調節器時,冷卻系統可能逐漸會產
生故障。
•冷卻液起泡
在發動機運行期間,許多添加劑會耗盡。這些添
加劑必須周期性補充。
許多發動機故障與冷卻系統有關。以下問題與冷
卻系統故障有關:過熱,水泵泄漏和散熱器或熱
交換器堵塞。
必須添加添加劑達到正確的濃度。添加劑濃度過
高會引起抑制劑從溶液中析出。這些沉淀物可能
促使以下問題的發生:
這些故障可以通過正確的冷卻系統保養來加以避
免。冷卻系統的保養與燃油系統和潤滑系統的保
養一樣重要。冷卻液的質量與燃油和潤滑油的質
量一樣重要。
•凝膠體的生成
•傳熱的減少
•水泵密封件的泄漏
•散熱器、冷卻器和細小通道的堵塞
冷卻液通常由三種成分組成:水,添加劑和乙二
醇。
乙二醇
水
冷卻液中的乙二醇幫助提供保護,防止以下情況
的發生:
水在冷卻系統中被用來傳遞熱量。
建建議議在在發發動動機機冷冷卻卻系系統統中中使使用用蒸蒸餾餾水水或或去去離離子子
水水。。
請勿在冷卻系統中使用以下類型的水:硬水,用
鹽調節后的軟化水和海水。
This document has been printed from SPI2. NOT FOR RESALE

![]()
![]()
![]()
![]()
![]()
![]()
![]()
![]()
![]()
SCBU7833
35
加注容量
油液建議
•沸騰
注意
•結凍
不要使用僅符合 ASTM D3306 技術參數的市售冷卻
液/防凍液。 這類冷卻液/防凍劑是為輕型汽車應用而
配制的。
•水泵氣穴
為獲得最佳性能,Perkins建議使用水/乙二醇
溶液1:1的混合液。
Perkins建議水和乙二醇的混合配比為1:1。這
種乙二醇與水的混合液作為防凍液能達到最佳的
重負荷性能。如果需要提供極冷條件下的保護,
水/乙二醇的比例可提高到1:2。
注:使用將會在最低環境溫度下提供保護的混合液。
注:100%的純乙二醇將在溫度為 −13°C(8.6°F)
時將凍結。
可以使用SCA抑制劑和水的混合液,但其防腐
蝕、防沸騰和防凍保護水平不如ELC。Perkins
建議在這類冷卻系統中將SCA的濃度保持在6%
至8%。最好使用蒸餾水或去離子水。符合推薦
水質要求的水也可以使用。
大多數傳統防凍劑使用乙二醇。也可以使用丙二
醇。當與水按照1:1比例混合時,乙二醇和丙二
醇提供相似的防凍和防沸騰保護。請參閱表12
和表13。
表 14
表 12
冷卻液使用壽命
乙二醇
冷卻液類型
使用壽命(1)
濃度
50%
60%
防凍保護
Perkins ELC
6000 個工作小時或 3 年
−36 °C (−33 °F)
符合ASTMD6210 要求的市售重
負荷防凍劑
−51 °C (−60 °F)
3000 個工作小時或 2 年
符合ASTMD4985 要求的市售重
負荷防凍劑
3000 個工作小時或 1 年
3000 個工作小時或 1 年
注意
市售 SCA 抑制劑和水
不要使用乙二醇濃度超過 50% 的丙二醇,因為此時
丙二醇的熱傳導能力會降低。 需要額外的防凍或防沸
保護時,可使用乙二醇。
(1)
使用首個周期。 此時,還必須把冷卻系統沖洗干凈。
ELC
表 13
Perkins提供用于以下應用的ELC:
•重載火花點火式燃氣發動機
•重型柴油發動機
丙二醇
濃度
防凍保護
50%
−29 °C (−20 °F)
要檢查冷卻液中的乙二醇濃度,請測量冷卻液比
重。
•汽車應用
ELC的防腐成份與其它冷卻液的防腐成份不同。
ELC是以乙二醇為基礎液的冷卻液。但是,ELC
包含有機腐蝕抑制劑和抗沫劑,并且亞硝酸鹽含
量低。PerkinsELC使用適量的上述添加劑配制
而成,能夠為發動機冷卻系統中的所有金屬部件
提供卓越的防腐蝕保護。
推薦的冷卻液
•ELC
•SCA
•ASTM
長效冷卻液
補充冷卻液添加劑
美國材料試驗協會
提供與蒸餾水預先混合的ELC溶液。ELC混合比
為1:1。這種預混合ELC可提供 −36°C
(−33°F)的防凍保護。建議在冷卻系統初次加
注時使用這種預混合ELC。也推薦在添補冷卻系
統時使用這種預混合ELC。
下面兩種冷卻液用在Perkins柴油發動機上:
首選–PerkinsELC
有幾種不同尺寸的容器可供選用。請向您的
Perkins經銷商咨詢零件號。
可接受–符合ASTMD6210技術規范的市售重負
荷防凍劑
適當–符合ASTMD4985技術規格的市售重負荷
防凍劑。1年后必須更換。
This document has been printed from SPI2. NOT FOR RESALE



![]()
![]()
![]()
![]()
![]()
![]()
![]()
![]()
36
SCBU7833
加注容量
油液建議
ELC 冷卻系統保養
4.使用適當的清潔劑清潔系統。遵照標簽上的
說明。
長效冷卻液的正確添加
5.把清潔劑排放到適當的容器中。用清潔的水
沖洗冷卻系統。
注意
僅對珀金斯產品使用預混合或濃縮冷卻液。
6.用清水加注冷卻系統,運轉發動機直到其升溫
到49°C至66°C(120°F至150°F)。
把長效冷卻液與其它產品混合降低長效冷卻液的使用
壽命。 不按照建議去做會降低冷卻系統部件使用壽
命,除非采取正確的補救措施。
注意
不正確或不徹底沖洗冷卻系統,會損壞銅和其它金屬
部件。
為正確保持防凍液和添加劑之間的平衡,保持推
薦的ELC的濃度。降低防凍液的比例同樣也會降
低添加劑的比例。此動作將降低冷卻液防止系統
出現點蝕、氣穴、侵蝕和沉積的能力。
為了避免損壞冷卻系統,確保用清水徹底沖洗冷卻系
統。 繼續沖洗系統,直到清洗劑的所有痕跡消失為
止。
注意
不要使用傳統冷卻液來添補加注了長效冷卻液 (ELC)
的冷卻系統。
7.將冷卻液排入適當的容器,然后用清水沖洗冷
卻系統。
不要使用標準補充用冷卻液添加劑 (SCA)。
使用珀金斯 ELC 時,不要使用標準冷 SCA 或 SCA
濾清器。
注:必須把冷卻系統清潔劑從冷卻系統中沖洗干凈。
留在系統中的冷卻系統清潔劑會污染冷卻液。清潔劑
也可能腐蝕冷卻系統。
8.重復步驟6和步驟7,直到系統完全潔凈。
ELC 冷卻系統清潔
9.用Perkins預混合ELC加注冷卻系統。
注:如果冷卻系統已使用ELC,則不需要使用清潔劑。
只有當系統已經被添加的一些其他類型的冷卻液或冷
卻系統損壞污染時,才需要使用清潔劑。
ELC 冷卻系統 污染
當ELC被排出冷卻系統后,只需用凈水沖洗。
注意
在加注冷卻系統之前,必須將加熱器控制裝置
(如有配備)設置在熱位置。請參閱OEM信息以
設置加熱器控制裝置。排空并重新加注冷卻系統
后,運行發動機,直到冷卻劑液位達到正常工作
溫度時的液位并保持穩定。需要時,添加冷卻液
混合液,把系統加注到規定的液位。
注意:長效冷卻液( ELC)與其他產品混合會減弱
ELC 的效 果,并縮短 ELC 的使用壽 命。 僅使用
Perkins 的預混合或濃縮冷卻液產品。 不遵循這些建
議會縮短冷卻系統部件的使用壽命。
ELC冷卻系統可以承受的最大雜質量為傳統重負
荷防凍劑或SCA的10%。如果雜質超過系統總
容量的10%,請執行以下步驟之一:
更換為 Perkins ELC
要將重負荷防凍液更換為PerkinsELC,執行以
下步驟:
•排放冷卻系統中的冷卻液到適當的容器中。按照
當地法規處置冷卻液。用清水沖洗冷卻系統。使
用PerkinsELC加注系統。
注意
在檢驗、保養、測試、調整及維修產品時,必須小心
以確保收集好排放出的油液。 在打開任何腔室或拆解
任何儲有液體的部件之前,要準備好用合適的容器收
集液體。
•按照當地法規排放冷卻系統中的部分液體到適當的
容器中。接著,用預混合ELC加注冷卻系統。此
程序將把雜質降到10%以下。
•按照傳統的重負荷冷卻液方法保養系統。用SCA
處理系統。在推薦的傳統重負荷冷卻液的更換周
期更換冷卻液。
按照本地法規和指令處置所有液體。
1.把冷卻液排放到適當的容器中。
2.按照當地法規處置冷卻液。
3.用清水沖洗冷卻系統以便清除所有碎屑。
This document has been printed from SPI2. NOT FOR RESALE
![]()
![]()
![]()
![]()
![]()
![]()
![]()
![]()
![]()
![]()
![]()
SCBU7833
37
加注容量
油液建議
市售重負荷防凍和 SCA
表 17
保養時向重負荷冷卻液中添加 SCA 的計算公式
V × 0.014 = X
注意
禁止使用防腐保護系統含有胺 成份的市售重負荷冷卻
液。
V 是冷卻系統的總容量。
X 是所需的 SCA 的數量。
表18舉例說明了如何使用表17中的公式進行
計算。
注意
切勿在冷卻系統中未裝水溫調節器的情況下運行發動
機。 水溫調節器幫助保持發動機冷卻液處于正確的工
作溫度。 未裝水溫調節器時,冷卻系統可能逐漸會產
生故障。
表 18
保養時向重負荷冷卻液中添加 SCA 的示例
冷卻系統的總容量
(V)
乘數
所需的 SCA 的數量
(X)
檢查防凍劑(乙二醇濃度)以能夠充分防沸和防
凍。Perkins建議使用折射儀來檢查乙二醇濃
度。應當使用比重計。
15 L (4 US gal)
× 0.014
0.2 L (7 oz)
清潔重負荷防凍劑系統
Perkins發動機冷卻系統應當每500小時測試一
次SCA的濃度。
•在排放舊冷卻液之后或冷卻系統加注新冷卻液之
前,清潔冷卻系統。
根據測試的結果添加SCA。可能每500小時需要
添加液體的SCA。
•只要發現冷卻液被污染或冷卻液起泡,就要清潔冷
卻系統。
初次加注時向重負荷冷卻液添加 SCA
i06059629
用表15中的計算公式確定初次加注冷卻系統時
所需的SCA量。
油油液液建建議議
表 15
初次加注時向重負荷冷卻液中添加 SCA 的計算公式
V × 0.045 = X
通用潤滑劑信息
V 是冷卻系統的總容量。
鑒于發動機廢氣排放認證方面的政府法規,必須
遵循潤滑劑推薦規程。
X 是所需的 SCA 的數量。
表16舉例說明了如何使用表15中的公式進行
計算。
美國石油學會(API)機油
Perkins認可美國石油學會(API)制定的發動
機機油許可和認證系統。有關該系統的詳細信
息資料,請參閱API第1509號出版物的最新版
本。帶有API符號的發動機機油是經API權威認
可的。
表 16
初次加注時向重負荷冷卻液中添加 SCA 的示例
冷卻系統的總容量
乘數
所需的 SCA 的數量
(X)
(V)
15 L (4 US gal)
× 0.045
0.7 L (24 oz)
保養時向重負荷冷卻液中添加 SCA
所有類型的重負荷防凍劑都需要定期添加SCA。
定期測試防凍劑的SCA濃度。有關具體周期,請
參閱操作和保養手冊保養周期表(保養部分)。
冷卻系統補充用冷卻液添加劑(SCA)-測試/添
加。
根據測試的結果添加SCA。冷卻系統的容量決定
了所需的SCA量。
如有必要,用表17中的計算公式確定所需的
SCA量:
This document has been printed from SPI2. NOT FOR RESALE




![]()
![]()
![]()
![]()
![]()
38
SCBU7833
加注容量
油液建議
針對APICH-4機油制訂了三項新發動機測試。
第一項測試專門評估采用兩件式鋼制活塞的發動
機的活塞積碳情況。該測試(活塞積碳)也測量
機油消耗控制。第二項測試在機油中煤煙含量中
等的情況下進行。第二項測試將衡量以下標準:
活塞環磨損,缸套磨損和耐腐蝕。第三項新測
試在機油中煤煙含量高的情況下衡量以下特性:
氣門機構磨損,抗機油濾清器堵塞和油泥控制.
除了新測試外,對于產生高煤煙應用中的粘度控
制,APICH-4機油還有更嚴格的限定。該機油還
有改良的抗氧化性。對于采用鋁制活塞(單件
式)的發動機,APICH-4機油必須通過額外的試
驗(活塞積碳)。還確定了針對運行在使用高硫
柴油區域的發動機的機油性能。
圖26
g00546535
所有這些改進使得APICH-4機油能夠達到最佳的
換油周期。APICH-4機油推薦在延長換油周期的
情況下使用。APICH-4機油推薦使用在需要優質
機油的情況。您的Perkins分銷商有優化換油
周期的具體指導原則。
典型的API符號
表 19
工業用發動機的 API 等級
機油規格
使用某些符合API等級的市售機油可能需要縮短
換油周期。為確定換油周期,密切監測機油狀況
并進行磨損金屬分析。
CH-4 最低技術規格
CI-4
術語
Perkins發動機可接受高于CH-4的機油技術規
格。
某些縮略語遵循SAEJ754的命名法。某些分級
遵循SAEJ183縮略語。除了Perkins的定義,
還有其它定義在購買潤滑劑時會有幫助。有關推
薦的機油粘度,請參閱本出版物油液推薦規程/
發動機機油主題(保養部分)。
注意
不遵守這些機油建議,會由于積碳和/或過度磨損而縮
短發動機使用壽命。
發動機機油
直噴式(DI)柴油發動機的總堿值(TBN)
市售機油
和燃油含硫量
市售柴油發動機機油的性能區分是基于美國石油
學會(API)等級。制訂這些API等級是為運行
在不同工況下的各式各樣的柴油發動機提供市售
潤滑油。
機油的總堿值(TBN)取決于燃油含硫量。對于
使用餾出燃油的直噴發動機,新機油的最低TBN
必須是燃油含硫量的10倍。TBN由ASTMD2896
定義。無論燃油含硫量是多少,機油的最低TBN
是5。圖27中說明了TBN范圍。
僅使用滿足下列等級的市售機油:
•APICH-4最低多級機油
•APICI-4
•ACEAE3
為了選擇正確的市售機油,請參考以下說明:
APICH-4–APICH-4機油是為了滿足新的高性
能柴油發動機的要求而開發的。并且,該機油被
設計來滿足低排放柴油發動機的要求。APICH-4
機油也允許使用在較老型號的柴油發動機和使用
高硫柴油的柴油發動機上。
This document has been printed from SPI2. NOT FOR RESALE

![]()
![]()
![]()

![]()
![]()
SCBU7833
39
加注容量
油液建議
通常,在滿足起動溫度要求的前提下,選用具有
最高粘度的機油。
圖27
g00799818
(Y)由ASTMD2896規定的TBN
(X)燃油含硫量重量百分比
(1)新油的TBN
(2)當TBN降低到初始TBN的50%時更換機油。
對于含硫量超過1.5%的燃油,請遵循以下指導
原則:
•選擇符合以下等級之一的TBN最高的機油:API
CH-4和APICI-4。
圖28
g03329687
合成基礎油
•縮短換油周期。根據機油分析結果來確定換油周
期。確保機油分析過程中涵蓋了機油狀況和金屬
磨損分析。
如果合成基礎油滿足發動機特定的性能要求,這
些機油就可以用在這些發動機上。
TBN高的機油可能產生過多的活塞積碳。這些積
碳會導致無法控制機油的消耗量并導致缸徑磨
光。
一般來講合成基礎油在兩方面超過傳統的機油:
•合成基礎油具有改進的低溫流動性,特別是在極冷
環境。
注意
使用含硫量超過 0.5 % 的燃油操作直噴(DI)柴油發
動機將需要縮短機油更換間隔。 縮短機油更換間隔將
有助于保持適當的磨損保護。
•合成基礎油具有改進的氧化穩定性,特別是在高溫
運行時。
有些合成基礎油具有提高潤滑油使用壽命的性能
特性。Perkins不推薦自動延長任何類型的機油
的換油周期。
表 20
燃油含硫百分比
低于 0.5
機油換油周期
正常
再精煉基礎油
0.5 至 1.0
高于 1.0
正常的 0.75
正常的 0.50
再精煉基礎油可以用在Perkins發動機上,只
要這些機油符合Perkins規定的性能要求。再
精煉基礎油可以廣泛地單用在成品油中或與新的
基礎油混合使用。美國軍用技術規格和其他重
型設備制造商的技術規格也允許使用符合同一標
準的再精煉基礎油。
直噴式(DI)柴油發動機的潤滑油粘度建議
正確的機油SAE粘度等級是由發動機冷起動時的
最低環境溫度和發動機運轉時的最高環境溫度決
定的。
再精煉基礎油的生產工藝應該足以清除用過機油
中的所有磨損金屬屑和添加劑。再精煉基礎油的
生產工藝通常涉及用過機油的真空蒸餾和氫化處
理過程。過濾足以生產出高質量的再精煉基礎
油。
請參閱圖28(最低溫度)以確定發動機冷起動
時所需要的機油粘度。
請參閱圖28(最高溫度)以選擇發動機在預期
的最高環境溫度下運行時所需要的機油粘度。
This document has been printed from SPI2. NOT FOR RESALE

![]()
![]()
![]()

![]()
![]()

![]()
![]()
40
SCBU7833
加注容量
油液建議
用于寒冷天氣的潤滑油
•選擇正確的機油,或符合EMA柴油發動機機油推薦
指導準則要求的或推薦的API等級的市售機油。
當發動機在低于 −20°C(− 4°F)的環境溫度下
起動和運轉時,使用能夠在低溫下流動的多級機
油。
•參閱相應的“潤滑油粘度”表,以便找到適用于您
的發動機的正確的機油粘度等級。
這些機油的潤滑油粘度等級為SAE0W或SAE5W。
•在規定的保養周期對發動機進行維修。使用新機
油并安裝新機油濾清器。
當發動機在低于 −30°C(− 22°F)的環境溫度
下起動并運轉時,請使用粘度等級為0W或5W的
合成基礎油多級機油。使用傾點低于 −50°C
(− 58°F)的機油。
•按照操作和保養手冊保養周期表中規定的保養周期
進行保養。
機油分析
在寒冷天氣條件下可接受的潤滑油的種類有限。
Perkins建議寒冷天氣條件下使用以下潤滑油:
有些發動機配有機油取樣閥。如果需要進行機油
分析,可使用機油取樣閥獲取發動機機油樣本。
機油分析將作為預防性保養程序的補充。
第一選擇–使用符合EMADHD-1推薦指導準則
的機油。使用具有API許可的CH-4機油。機油
的潤滑油粘度等級應為SAE0W20、SAE0W30、SAE
0W40、SAE5W30或SAE5W40。
機油分析是一種診斷工具,用于確定機油性能和
部件磨損率。通過機油分析,可確定和測量雜
質。機油分析包括以下測試:
第二選擇–使用含有CH-4添加劑組合的機油。
盡管這種機油未經測試可滿足API許可要求,但
機油必須為SAE0W20、SAE0W30、SAE0W40、SAE
5W30或SAE5W40。
•磨損率分析將監測發動機金屬部件的磨損。分析
機油中的磨損金屬數量和磨損金屬類型。機油中
發動機磨損金屬率的增加和機油中發動機磨損金屬
量同樣重要。
•進行測試以檢測機油中的水、乙二醇或燃油等雜
質。
注意
如果使用第二選擇機油,可能導致縮短發動機使用壽
命。
•機油狀況分析可確定機油潤滑特性的損失情況。
紅外線分析用來把舊機油油樣的特性與新機油的特
性相比較。該分析使技術人員能夠確定使用過程
中機油性能的退化量。該分析也使技術人員在整
個換油周期內依照技術規格核實機油的性能。
售后市場機油添加劑
Perkins不建議在機油中使用售后市場添加劑。
沒必要使用售后市場上的添加劑來使發動機達到
其最長使用壽命。完整配方的成品油包含了基礎
油和市售添加劑組合。這些添加劑組合以精確的
百分比混合到基礎油中,以便使成品油能提供滿
足行業標準的性能特性。
i06059607
油液建議
(燃油建議)
不存在有關評估在成品油中添加售后市場機油添
加劑后的性能及其兼容性的行業標準測試。售后
市場添加劑有可能和成品油中的添加劑組合不相
容,從而降低成品油的性能。售后市場添加劑可
能無法和成品油良好混合。售后市場添加劑可能
會在曲軸箱中產生油泥。Perkins不鼓勵在成
品油中使用售后市場添加劑。
為使Perkins發動機發揮其最佳性能,請遵循
以下指導原則:
This document has been printed from SPI2. NOT FOR RESALE
![]()
![]()
![]()
•詞詞匯匯表表
SCBU7833
41
加注容量
油液建議
•ISO國際標準化組織
•ASTM美國材料試驗協會
•HFRR用于對柴油進行潤滑性測試的高頻往復移動
式裝置
•FAME脂肪酸甲酯
•CFR協調燃油研究
•LSD低硫柴油
•ULSD超低硫柴油
•RME菜籽油甲酯
•SME大豆油甲酯
•EPA美國環保署
一般信息
注意
我們盡一切努力提供準確、及時的信息。 使用此文
檔,即表示您同意 Perkins Engines Company Limited
對其中的錯誤和疏漏不承擔任何責任。
注意
這些建議隨時可能改變,恕不另行通知。 請與本地
Perkins 經銷商聯系以獲得最新建議。
柴油要求
Perkins不負責持續評估和監測全球各地區政府
和技術協會發布的餾出柴油技術規格。
表21提供已知的可靠基準,用于判斷從傳統來
源獲得的餾出柴油的預期性能。
令人滿意的發動機性能取決于使用的優質燃油。
使用優質燃油將可產生以下效果:發動機使用壽
命長和可接受的廢氣排放水平。燃油必須達到
表21中所述的最低要求。
注意
腳注是 Perkins 餾出柴油技術規格表的重要部分 。 請
閱讀全部腳注。
This document has been printed from SPI2. NOT FOR RESALE
![]()
![]()
![]()
![]()
![]()
![]()
![]()
42
SCBU7833
加注容量
油液建議
表 21
Perkins 餾出柴油技術規格
特性
單位
要求
ASTM測試方法
D1319
ISO測試方法
ISO3837
芳香族化合物
灰分
體積百分比
重量百分比
重量百分比
最高 35%
最高 0.01%
最高 0.35%
D482
ISO6245
10% 的底部區域內的碳殘
D524
ISO4262
渣
十六烷值(1)
-
最低 40?
D613 或 D6890
ISO5165
ISO3015
濁點
°C
濁點絕不能超過最低預期環
境溫度。
D2500
銅帶腐蝕
蒸餾
-
最高 3 號
D130
ISO2160
ISO3405
°C
在 282 °C (539.6 °F) 條件下 D86
最高 10%
在 360 °C (680 °F) 條件下
最高 90%
15 °C (59 °F) 時的密度(2) Kg / M
3
最低 800,最高 860
無同等測試
ISO3675 或 ISO12185
閃點
°C
-
法定限度
D93
ISO2719
熱穩定性
在 150 °C (302 °F) 條件下
180 分鐘后至少 80% 的反射
比
D6468
無同等測試
傾點
°C
6 °C(10°F)
D97
ISO3016
最小低于環境溫度
硫
質量百分比
(3)
D5453 或 D26222
ISO20846 或 ISO20884
運動粘度(4)
2
“MM” “/S (cSt)”
輸送到噴油泵的燃油粘度。
D445
ISO3405
“最低 1.4 和最高 4.5”
水和沉淀物
水
重量百分比
重量百分比
重量百分比
mg/100ml
mm
最高 0.05%
D1796
D1744
D473
ISO3734
無同等測試
ISO3735
ISO6246
最高 0.05%
沉淀物
最高 0.05%
膠質物和樹脂(5)
最大 10 mg/100 mL
D381
60 °C (140 °F) 時經過潤
滑性校正的磨斑直徑 。(6)
最高 0.46
D6079
ISO12156-1
燃油清潔度(7)
-
ISO18/16/13
7619
ISO4406
(1)
(2)
(3)
為確保最小十六烷值為 40,在使用 ASTM D4737 測試方法的條件下,餾出柴油的最小十六烷值應為 40。 建議使用高十六烷值的燃油以在高
海拔地區或寒冷天氣中運行。
允許的密度范圍包括夏季和冬季柴油等級。 燃油密度隨含硫量不同而不同,含硫量高的燃油有較高的密度。 一些未混合的備選燃料的密度較
低,如果所有其它特性都符合此技術規格,則這點是可接受的。
地區法規、全國法規或國際法規可能會要求燃油達到特定的含硫量限制。 在為指定發動機應用選擇燃油之前,請查詢所有適用的法規。 如果
當地排放法規允許,則可以使用高含硫量燃油操作 Perkins 燃油系統和發動機部件。 燃油含硫量水平影響廢氣排放。 高含硫量燃油也增加內
部部件腐蝕的可能性。 燃油含硫量超過 0.5% 可顯著縮短機油更換周期。 有關更多信息,參考通用潤滑劑信息。
燃油粘度的數值是燃油輸送到燃油噴射泵時的數值。 燃油還應達到最低粘度要求,并達到在 40 °C (104 °F) 條件下使用 "ASTM D445" 測試方
法或 "ISO 3104" 測試方法測得的最大粘度要求。 如果使用了低粘度的燃油,可能需對其進行冷卻,以便將噴油泵處的燃油粘度保持在不低于
1.4 cSt。 高粘度的燃油可能需要在噴油泵處加裝燃油加熱器以將粘度降到 4.5 cSt 。
(4)
(5)
(6)
請遵循針對汽油(馬達)的測試條件和程序。
燃油潤滑性是低硫和超低硫 燃油可能出現的問題。 要確定燃油潤滑性,請進行ISO12156-1或ASTMD6079高頻往復移動式裝置(HFRR) 測
試。 如果燃油潤滑性未滿足最低要求,請咨詢燃油供應商。 不要在未咨詢燃油供應商的情況下處理燃油。 某些添加劑是不兼容的。 這些添
加劑可能導致燃油系統出現故障。
(7)
按照 ISO 4406,分配至機器或發動機燃油箱的建議燃油清潔度等級為 "ISO 18/16/13 或更高等級。 參考本章中的 "有關燃油的污染控制建
議"。
This document has been printed from SPI2. NOT FOR RESALE

![]()
SCBU7833
43
加注容量
油液建議
密度
注意
使用不符合 Perkins 推薦的燃油可能造成以下后果:
起動困難, 燃燒不充分, 燃油噴油器積碳 , 燃油系統使
用壽命縮短, 燃燒室積碳 和 發動機使用壽命縮短。
密度是特定溫度下單位體積的燃油質量。此參數
對發動機的性能和排放都會產生直接影響。此影
響決定了指定噴射體積的燃油所產生的熱輸出。
下文提到的是15°C(59°F)下的參數值,單
位為kg/m。
Perkins 制造的發動機通過了美國環保署規定的燃油
認證。 Perkins 制造的發動機通過了歐洲認證體系和
其它管理機構規定的燃油認證。 Perkins 不授權柴油
發動機使用其它任何燃油。
Perkins建議使用密度為841kg/m的燃油以獲得
正確的功率輸出。更輕的燃油可以接受,但是那
些燃油的輸出達不到額定功率。
注:發動機業主和操作員有責任使用美國環保署(EPA)
及其它相關管理機構指定的燃油。
硫
柴油特性
含硫量水平通過排放法規管理。地區法規、全
國法規或國際法規可能會要求燃油達到特定的含
硫量限制。燃油的含硫量和燃油質量必須符合現
有的當地排放法規。
Perkins推薦
十六烷值
強烈建議這些發動機型號使用含硫量為0.05%
(≤15ppm(mg/kg))的LSD燃油。
高十六烷值的燃油點火延遲更短。高十六烷值可
提高點火質量。燃油的十六烷值通過燃油在CFR
發動機中的十六烷和七甲基壬烷比例得出。請
參閱ISO5165以了解測試方法。
所有發動機型號都可使用ULSD和含硫柴油。按
照ISO12156-1的標準,這些燃油的潤滑性不得
超過0.46mm(0.01811in)的磨斑直徑。有關詳
細信息,請參閱“潤滑性”。在法規允許的地
區,可使用含硫量高于0.05%(500PPM)的燃
油。
目前的柴油預計十六烷值通常超過45。但是,
有些地區可能會出現40的十六烷值。美國就是
上述可能出現低十六烷值的地區之一。在普通起
動條件下,要求十六烷值最低達到40。如果在
高海拔地區或在寒冷天氣中運行,可能需要更高
的十六烷值。
在世界上有些地區以及部分應用中,可以使用質
量比超過0.5%的高含硫量燃油。高含硫量燃油
可能會造成發動機磨損。高含硫量燃油對微粒的
排放也有不利影響。如果當地排放法規允許,
則可以使用高含硫量燃油。在對排放沒有規定的
國家/地區,也可使用高含硫量燃油。
低十六烷值的燃油是冷起動故障的根本原因。
粘度
當只有高含硫量燃油時,可能需要使用高堿性潤
滑油。或者縮短潤滑油更換間隔。請參閱操作
和保養手冊油液建議(潤滑劑信息)以了解燃油
含硫量信息。
粘度是對剪切或流動形成阻力的液體性質。隨著
溫度升高,粘度將會降低。對于普通的礦物燃
油,粘度下降符合對數關系。通常涉及的是運動
粘度。運動粘度為動態粘度與密度之商。運動
粘度一般通過標準溫度下重力流量式粘度計的讀
數確定。請參閱ISO3104以了解測試方法。
潤滑性
燃油粘度很重要,因為燃油對燃油系統部件起著
潤滑劑的作用。燃油必須達到足夠的粘度才能在
寒冷天氣和高溫天氣條件下潤滑燃油系統。如果
噴油泵處的燃油運動粘度低于1.4cSt,則可能
會損壞噴油泵。這種損壞可能包括過度刮擦和卡
塞。低粘度可能會導致難以熱重新起動、失速和
性能下降。高粘度可能會導致泵卡塞。
潤滑性指燃油防止泵磨損的能力。液體的潤滑性
描述液體減少負荷面之間的摩擦力的能力。這種
能力可減少由于摩擦造成的損壞。燃油的潤滑屬
性關系到燃油噴射系統的運作。在強制實施燃油
含硫量限制之前,人們認為燃油的潤滑性是燃油
粘度的函數。
潤滑性對目前的低粘度、低硫燃油和低芳香烴礦
物燃油都有特別重要的意義。生產這些燃油是
為了達到嚴苛的尾氣排放要求。
Perkins建議輸送到噴油泵的燃油粘度為1.4到
4.5cSt。如果使用了低粘度的燃油,可能需對
其進行冷卻,以便將噴油泵處的燃油粘度保持在
不低于1.4cSt。高粘度的燃油可能需要在噴油
泵處加裝燃油加熱器以將粘度降到4.5cSt。
這些燃油的潤滑性不得超過0.46mm
(0.01811in)的磨斑直徑。必須在60°C
(140°F)條件下使用HFRR執行燃油潤滑性測
試。請參閱ISO12156-1。
This document has been printed from SPI2. NOT FOR RESALE
![]()
![]()
![]()
44
SCBU7833
加注容量
油液建議
•MIL-DTL-83133NATOF34(JP-8)
•MIL-DTL-83133NATOF35
•MIL-DTL-5624NATOF44(JP-5)
•MIL-DTL-38219(USAF)(JP7)
•NATOXF63
注意
按照ISO12156-1 的測試結果,燃油系統適合使用潤
滑性達到 0.46 mm (0.01811 in)磨斑直徑 的燃油。 磨
斑直徑 超過 0.46 mm (0.01811 in) 的燃油將會降低燃
油系統使用壽命,使燃油系統過早出現故障。
如果燃油未達到指定的潤滑性要求,可使用適當
的潤滑性添加劑增加燃油的潤滑性。 UMK8276
Perkins柴油調節劑為許可添加劑,參考
“Perkins柴油調節劑”。
•ASTMD1655JETA
•ASTMD1655JETA1
有關需要使用燃油添加劑的環境條件,請聯系您
的燃油供應商。您的燃油供應商會針對添加劑的
使用和正確處理給出相關建議。
注意
只有在配用適當的潤滑性添加劑時才能使用這些燃
油,且必須達到表 21 中列出的最低要求。 按照
“ISO 12156-1” 的標準,這些燃油的潤滑性不得超過
0.46 mm (0.01811 in) 的磨斑直徑。 請參閱“潤滑
性”。
蒸餾
蒸餾表示燃油中不同碳氫化合物的混合比例。高
比例的輕質碳氫化合物會影響燃燒性能。
注:推薦的最小十六烷值為40,否則可能會出現冷起
動問題或輕載點火不良。由于航油技術規格未提到十
六烷要求,Perkins建議采集燃油樣本以確定十六烷
值。
燃油分類
柴油發動機可以燃燒各種燃油。下面列出了通常
會遇到的燃油技術規格,對其可接受性進行評估
后分為若干類別:
注:輸送到噴油泵的燃油最低粘度必須達到1.4cSt。
可能需要冷卻燃油,以便在噴油泵處保持不低于1.4
cSt的燃油粘度。Perkins建議測量燃油的實際粘度
以確定是否需要燃油冷卻器。請參閱“粘度”。
第 1 組:優先選用燃油
通常認為以下燃油技術規格可以接受。
•表21中列出了符合要求的燃油。
•EN590-A到F級,0到4類
•ASTMD9751-D到2-D級
注:與柴油相比,航油密度過低或粘度過低可造成高
達10%的額定功率損失。
生物柴油
生物柴油是一種可定義為脂肪酸單烷基酯的燃
油。生物柴油可使用各種原料制成。歐洲最常
見的生物柴油是菜籽油甲酯(REM)。這種生物柴
油使用菜籽油制成。大豆油甲酯(SME)是美國
最常見的生物柴油。這種生物柴油使用大豆油
制成。主要原料是大豆油或菜籽油。這些燃油
都稱為脂肪酸甲酯(FAME)。
•如果按照 “ISO12156-1”測試標準得出的潤滑性磨
斑直徑未超過0.46mm(0.01811in),則JIS
K22041級、2級和3級以及特3級可以接受。
•BS2869-A2類非公路用汽油、紅柴油
注:按照 “ISO12156-1”的標準,這些燃油的潤滑性
不得超過0.46mm(0.01811in)的磨斑直徑。請參閱
“潤滑性”。
任何濃度的生植物油都不能作為燃油用于壓縮發
動機。不經過酯化作用,這些植物油會在曲軸
箱和燃油箱中形成凝膠。這些燃油可能與如今生
產的發動機中使用的許多人造橡膠部件不兼容。
這些植物油的原形不適合用在壓縮發動機中作為
燃油。生物柴油的替代原料包括動物油脂、廢
食用油和各種其它原料。為了將列出的各種產
品用作燃油,這些油類必須酯化。
第 2 組:航空煤油
以下煤油和航油技術規格屬于可接受的備選用
油,在無法獲得標準柴油且法規允許的情況下,
可偶爾應急使用或連續使用:
由100%FAME制成的燃油一般稱為B100生物柴油
或純生物柴油。生物柴油可以與餾出柴油燃料混
合使用。混合生物柴油表示為"BXX","XX"代表
礦物柴油混合物中所含的純生物柴油量。例如
(B5、B10和B20)。最常用的混合生物柴油是
由5%的生物柴油和95%的餾出柴油混合而成的
B5。
This document has been printed from SPI2. NOT FOR RESALE
![]()
![]()
![]()
![]()
![]()
注:上述百分比是容積百分比。 美國餾出柴油技術參
Perkins強烈建議季節性工作的發動機在長時間
停機之前使用常規柴油沖洗燃油系統,包括燃油
箱。例如,聯合收割機應當季節性地沖洗燃油系
統。
SCBU7833
45
加注容量
油液建議
數 “ASTMD975-09a”包括最高為B5(5%)的生物柴
油。
歐洲餾出柴油技術參數 “EN590:2010”包括最高
為B7(7%)的生物柴油。
微生物污染和生長可能導致燃油系統腐蝕和燃油
濾清器過早堵塞。請向供應商咨詢如何選擇適當
的抗微生物添加劑。
注:Perkins制造的發動機通過了美國環保署(EPA)和
歐洲認證體系規定的燃油使用認證。Perkins不授權
發動機使用其它任何燃油。發動機用戶負責使用制造
商推薦并得到EPA及其它相應管理機構許可的正確燃
油。
水會加快微生物的污染和生長。與餾出燃油相
比,生物柴油中自然更容易存在水。務必要經常
檢查,如有必要,排放油水分離器。
黃銅、青銅、紅銅、鉛、錫和鋅會加速生物柴油
的氧化過程。在氧化過程中可能會形成沉積物,
因此燃油箱和燃油管路不能使用這些材料。
技術規格要求
清潔的生物柴油必須符合EN14214或ASTMD6751
(在美國)技術規范且只可在可接受的餾出柴油
中體積比高達7%的混合燃料中混合。用于混合
的餾出柴油和混合產生的最終生物柴油必須滿足
表21中的要求。或者滿足EN590或ASTMD975
商用標準的最新版本。
用于寒冷天氣運行的燃油
歐洲標準EN590包含與天氣有關的要求以及選擇
范圍。這些選擇可分別應用于每個國家/地區。
有五類屬于北極氣候和嚴冬氣候。0,1,2,3和
這些發動機型號還未發布有高于B7的混合燃
料。
4。
符合EN5904類要求的燃油可在 −44°C
(−47.2°F)的低溫條件下使用。請參閱EN590
以了解燃油物理性質的詳細判斷標準。
在北美,生物柴油和混合生物柴油必須從經過
BQ-9000認可的制造商和經過BQ-9000認證的經
銷商購買。
在美國使用的柴油ASTMD9751-D可用于溫度低
于 −18°C(−0.4°F)的寒冷環境。
在世界其他地區,要求使用經過BQ-9000認可和
認證的生物柴油,或者使用經過同等生物柴油質
量機構認可和認證且符合類似生物柴油質量控制
標準的生物柴油。
在極寒環境中,您還可使用“第2組:航空煤
油”中指定的航空煤油。這些燃油適合在溫度低
至 −54°C(−65.2°F)的環境中使用。有關更
多信息,參考“第2組:航空煤油”了解使用航
空煤油的詳細和具體情況。
一般要求
已知生物柴油和混合生物柴油可導致燃油系統沉
淀物增加,其中噴油器中的沉淀物增加最為明
顯。這些沉淀物會導致由于噴油受限或改變而產
生能量損耗,或者導致與這些沉淀物相關的其他
功能問題。PerkinsT400012燃油清潔劑對于清
潔和預防沉積形成最為有效。請參閱“Perkins
柴油系統清潔劑”以了解詳細信息。Perkins
UMK8276Perkins柴油調節劑通過提高生物柴
油的穩定性同時阻礙新沉淀物的生成來幫助限制
沉淀物。有關更多信息,參考“Perkins柴油
調節劑”。
售后燃油添加劑
注意
Perkins 對非 Perkins 油液和濾清器的質量或性能不
提供任何保證。
在 Perkins 產品上使用其它制造商生產的輔助設備、
附件或消耗品(濾清器、添加劑)時,不會僅因這種
使用而影響 Perkins 保修。
但是,安裝和使用其他制造商的設備、附件或消耗品
而導致的故障不屬于 Perkins 產品缺陷。 因此,這
些缺陷不在 Perkins 保修范圍之內。
混有FAME的柴油不建議用于不經常使用且可能
長期存放的應用。例如,備用發電機組和一些應
急車輛。此建議的原因是,相比碳氫化合物柴
油,FAME的氧化穩定性較低。使用FAME可能會
導致形成酸或固體沉淀物。
不建議補充性柴油添加劑,因為可能會對燃油系
統或發動機帶來潛在損壞。燃油供應商或燃油制
造商會添加適當的補充性柴油添加劑。
如果必須使用生物柴油,則必須定期測試燃油品
質。特別是必須測試燃油的穩定性,燃油的穩定
性要符合EN15751,此類測試通常被稱為
Rancimat測試。
Perkins承認在有些特殊環境中需要使用添加
劑。需要小心使用燃油添加劑。有關需要使用
燃油添加劑的環境條件,請聯系您的燃油供應
商。燃油供應商可能會為您推薦適當的添加劑以
及正確的處理用量。
This document has been printed from SPI2. NOT FOR RESALE
![]()
![]()
![]()
注:為了獲得最佳效果,燃油供應商應在必要時使用
為使整體利益最大化,要求您的燃油供應商在輸
送燃油前以建議的處理速率添加燃油添加劑。或
者您可在燃油存放的前幾個星期以建議的處理速
率添加燃油調節劑。
46
SCBU7833
加注容量
油液建議
添加劑處理燃油。經過處理的燃油必須達到表21中
所述的要求。
Perkins 柴油系統清潔劑
有關燃油的污染控制建議
PerkinsT400012燃油清潔劑是Perkins推薦
的唯一一種燃油清潔劑。
應使用ISO18/16/13清潔度等級的燃油或分配給
發動機或應用燃油箱的清潔劑。從而減少功率損
失、故障和相關的發動機停機時間。對于新燃油
系統設計,例如共軌噴射系統和單體噴射系統,
此清潔度等級非常重要。噴射系統設計采用了更
高的燃油壓力和移動部件之間更緊密的間隙,以
滿足要求的嚴格排放法規。當前燃油噴射系統的
峰值噴射壓力可能超過30,000psi。這些系統中
的間隙小于5µm。因此,即使是4µm小的顆粒
污染物也可能會導致泵和噴油器內表面以及噴嘴
出現劃痕和擦傷。
如果需要使用生物柴油或混合生物柴油,
Perkins要求使用Perkins燃油清潔劑。如需
生物柴油和混合生物柴油使用方面的詳細信息,
請參閱“生物柴油”。
Perkins燃油清潔劑可清除燃油系統中因使用生
物柴油和混合生物柴油而形成的沉積物。這些沉
積物可能會造成功率和發動機性能損失。
如果向燃油中加入燃油清潔劑,發動機運行30
個小時后即可清除燃油系統中的沉積物。為了獲
得最佳效果,燃油清潔劑可一直使用到運行時間
達到80個小時。Perkins燃油清潔劑可連續使
用,不會對發動機或燃油系統的耐用性產生任何
不利影響。
燃油中的水會導致氣穴和燃油系統零件腐蝕,并
提供一個促使微生物在燃油中繁榮生長的環境。
其它燃油污染源有肥皂、凝膠劑或其它可能會導
致燃油(特別是ULSD)中產生不良化學反應的化
合物。低溫生物柴油或長期存放的生物柴油中還
可能會析出凝膠劑或其它化合物。微生物污染、
燃油添加劑或冷溫凝膠劑的最佳指示是散裝燃油
濾清器或應用燃油濾清器的快速濾清器堵塞。
容器上詳細注明了必須遵循的燃油清潔劑使用比
率說明。
Perkins 柴油調節劑
為減少因污染而造成的停機時間,請遵循這些燃
油保養指南。
與本手冊有關的工業用發動機均可使用
UMK8276Perkins柴油調節劑。柴油調節劑
采用專屬無金屬和灰分配方,經大量測試,適于
與餾出柴油燃料一起用在Perkins柴油發動機
上。調節劑有助于解決世界范圍內各種燃油在燃
油壽命/穩定性、發動機穩定性、噴油器積碳、
燃油系統壽命及長期發動機性能方面所面臨的諸
多難題。
注:柴油燃料添加劑/調節劑不會改善明顯不良的柴油
燃料特性,使其足以適于使用。
柴油調節劑是歷經證實的高性能、多功能柴油燃
料調節劑,其設計用于改善:
•燃油經濟性(通過燃油系統凈化)
•潤滑性
•氧化穩定性
•去垢性/分散性
•水氣分散性
•防腐蝕性
•十六烷(通常十六烷值為2-3)
柴油調節劑還可減少膠質物、樹脂和油泥的生
成,同時可以分散不溶膠質物。
This document has been printed from SPI2. NOT FOR RESALE
![]()
SCBU7833
47
加注容量
油液建議
•按照建議的或要求的技術規格使用高品質燃油
•使用ISO18/16/13清潔度等級或更高等級的燃油
加注燃油箱,特別是對于帶共軌和單體噴射系統的
發動機。加注燃油箱時,通過一個絕對值為4µm
的濾清器(Beta4=75至200)過濾燃油,以達到
建議的清潔度等級。應該在將燃油注入燃油箱的
裝置上執行此過濾操作。另外,分配點處的過濾
應去除水分,以確保分配燃油的含水量在500ppm
或以下。
•Perkins建議使用可清除燃油中的顆粒污染物和
單程水分的散裝燃油濾清器/coalescer裝置,
•務必使用Perkins高效燃油濾清器。按照建議的
保養要求或根據需要更換燃油濾清器。
•每天排放油水分離器。
•按照操作和維護手冊說明排放燃油箱中的沉淀物和
水。
•安裝并保持正確設計的散裝濾清器/coalescer過
濾系統。可能需要連續的散裝過濾系統,以確保
分配的燃油符合清潔度目標。有關散裝過濾產品
的可用性,請咨詢您的Perkins分銷商。
•對于含水量超標和/或含有大顆粒污染物等嚴重污
染的燃油,可能需要使用離心濾清器作為預濾器。
離心濾清器可有效清除大污染物,但可能無法清除
為達到建議的“ISO”清潔度等級而需要清除的小
研磨顆粒。需要使用散裝濾清器/凝聚式過濾器
作為最終濾清器,以達到建議的清潔度等級。
•安裝絕對效率為4µm或以下且能去除散裝儲罐水
分的干燥劑型呼吸器。
•遵守有關燃油運輸的正確規程。儲罐到應用的過
濾可提高供應燃油的清潔度。可在每一個運輸階
段安裝燃油過濾,以確保燃油清潔。
•蓋住和保護所有連接軟管、管接頭和分配噴嘴,并
確保它們清潔。
有關Perkins設計和生產的過濾產品的更多信
息,請咨詢您當地的Perkins分銷商。
This document has been printed from SPI2. NOT FOR RESALE
![]()
48
SCBU7833
加注容量
保養周期表
i06059658
軟管和卡箍-檢查/更換.................73
散熱器-清潔..........................74
保保養養周周期期表表
每1000工作小時
發動機氣門間隙-檢查/調整.............63
需要時即進行的保養
每2000工作小時
蓄電池-更換..........................51
蓄電池或蓄電池電纜-斷開..............51
發動機-清潔..........................57
發動機空氣濾清器濾芯(雙濾芯)-清潔/更換57
發動機空氣濾清器濾芯(雙濾芯)-清潔/更換59
發動機機油油樣-采樣..................61
燃油噴油器-測試/更換.................63
燃油系統-充油........................64
惡劣條件作業-檢查....................74
后冷器芯-檢查........................49
交流發電機-檢查......................49
發動機安裝支座-檢查..................60
起動馬達-檢查........................75
渦輪增壓器-檢查......................75
水泵-檢查............................77
每 2 年
冷卻系統冷卻液-更換..................55
每3000個工作小時
每天的保養
燃油噴油器-測試/更換.................63
冷卻系統冷卻液液位-檢查..............55
被驅動設備-檢查......................56
發動機空氣濾清器保養指示器-檢查.......59
發動機機油油位-檢查..................60
燃油系統粗濾器/油水分離器-放水........68
燃油系統細濾器/油水分離器-放水........69
圍繞檢查..............................76
每3000個工作小時或每2年
冷卻系統冷卻液(市售重載)-更換.......52
每4000工作小時
后冷器芯-清潔/測試...................48
每6000個工作小時或3年
冷卻系統長效冷卻液(ELC)延長劑-添加....55
每50個工作小時或 每周 一次的保養
每12000個工作小時數或每6年的保養
燃油箱中的水和沉渣-排放..............73
冷卻系統冷卻液[長效冷卻液(ELC)]-更換..53
每500個工作小時的保養
i03616473
交流發電機和風扇皮帶-檢查/調整/更換...50
后后冷冷器器芯芯-清清潔潔/測測試試
每500個工作小時或1年
蓄電池電解液液位-檢查................51
發動機空氣濾清器濾芯(雙濾芯)-清潔/更換57
發動機空氣濾清器濾芯(雙濾芯)-清潔/更換59
發動機接地-檢查/清潔.................60
發動機機油和濾清器-更換..............61
燃油系統粗濾器(油水分離器)濾芯-更換...66
燃油系統細濾清器-更換................70
1.1.拆下芯。關于正確程序,請參見OEM資料。
2.2.將后冷器芯倒置,以便倒掉碎屑。
This document has been printed from SPI2. NOT FOR RESALE
![]()
高
高壓壓空空氣氣會會造造成成人人身身傷傷害害。。
SCBU7833
49
加注容量
后冷器芯 - 檢查
i03616454
后后冷冷器器芯芯-檢檢查查
不不按按下下面面的的適適當當步步驟驟進進行行操操作作會會造造成成人人身身傷傷害害。。使
用用壓壓縮縮空空氣氣時時,,戴戴防防護護面面罩罩及及穿穿防防護護服服。。
注:根據作業環境影響的情況調整清潔工作的頻率。
用用做做清清洗洗用用途途時時,,噴噴嘴嘴處處最最大大空空氣氣壓壓力力必必須須低低于于
202055kPkPaa(3030pspsii)。
就下列項目檢查后冷器:損壞的散熱片,腐蝕,
污垢,油脂,昆蟲,樹葉,機油和其他碎屑.必要
時清潔后冷器。
3.3.壓縮空氣是清除松動碎屑的首選方法。將壓
縮空氣對著與散熱片氣流相反的方向吹。保持
噴嘴離散熱片大約6mm(.25in)遠。在與管
平行的方向緩慢移動空氣噴嘴。這將清除管子
之間的碎屑。
對于空對空后冷器,應使用與清潔散熱器同樣的
方法進行清潔。
4.4.加壓水也可用于進行清洗。清洗用的最大水
壓必須低于275kPa(40psi)。用高壓水來軟
化污泥。從兩側清潔芯。
高高壓壓空空氣氣會會造造成成人人身身傷傷害害。。
不不按按下下面面的的適適當當步步驟驟進進行行操操作作會會造造成成人人身身傷傷害害。。使
用用壓壓縮縮空空氣氣時時,,戴戴防防護護面面罩罩及及穿穿防防護護服服。。
用用做做清清洗洗用用途途時時,,噴噴嘴嘴處處最最大大空空氣氣壓壓力力必必須須低低于于
202055kPkPaa(3030pspsii)。
注意
不要用高濃度的腐蝕性清潔劑來清洗芯子。 高濃度腐
蝕性清潔劑會腐蝕芯子內部的金屬從而引起滲漏。 只
使用推薦濃度的清洗劑。
清潔后,起動發動機并將發動機加速至高怠速。
這有助于清除碎屑和干燥芯。停止發動機。在
芯的后方放置一個燈泡可檢查芯是否清潔。必要
時重復清潔步驟。
5.5.用適當的清潔劑反沖洗芯。
檢查散熱片有無損壞。彎曲了的散熱片可用一把
“梳刀(comb)”梳開。
6.6.用蒸汽清洗芯子,以便清除所有殘留物。沖
洗后冷器芯的散熱片。去除其它積存的碎屑。
注:如果修理或更換了后冷器的零件,高度推薦進行
滲漏測試。
7.7.用熱的肥皂水清洗芯子。用清潔水徹底沖洗
芯。
檢查這些項目是否處于良好狀態:焊接處,安裝
支架,空氣管路,連接處,卡箍和密封件.必要
時進行修理。
高高壓壓空空氣氣會會造造成成人人身身傷傷害害。。
i04651969
不不按按下下面面的的適適當當步步驟驟進進行行操操作作會會造造成成人人身身傷傷害害。。使
用用壓壓縮縮空空氣氣時時,,戴戴防防護護面面罩罩及及穿穿防防護護服服。。
交交流流發發電電機機-檢檢查查
用用做做清清洗洗用用途途時時,,噴噴嘴嘴處處最最大大空空氣氣壓壓力力必必須須低低于于
202055kPkPaa(3030pspsii)。
珀金斯建議定期檢查交流發電機。檢查交流發電
機接頭是否松動以及蓄電池是否正常充電。在發
動機運轉過程中,檢查電流表(如有配備),以
確保蓄電池和/或電氣系統正常的工作性能。根
據需要進行修理。
8.8.用壓縮空氣吹干芯。讓壓縮空氣沿空氣正常
流動的反方向吹。
9.9.檢查后冷器芯,確保它已干凈。加壓測試
芯。必要時,修理芯。
檢查交流發電機和蓄電池充電是否正常工作。如
果蓄電池充電正常,電流表讀數應該幾乎為零。
所有蓄電池都應保持充電狀態。蓄電池應保暖,
因為溫度會影響盤車功率。如果蓄電池太冷,蓄
電池將無法盤機。當發動機長時間不運轉或只是
短時間運轉時,蓄電池可能未充足電。充電低的
蓄電池比充足電的蓄電池更容易凍結。
1010..安裝芯。關于正確程序,請參見OEM資料。
1111..清潔后,起動發動機并將發動機加速至高怠
速。這有助于清除碎屑和干燥芯。停止發動
機。在芯的后方放置一個燈泡可檢查芯是否清
潔。必要時重復清潔步驟。
This document has been printed from SPI2. NOT FOR RESALE
![]()
![]()
![]()
![]()
![]()
![]()
![]()
![]()
![]()
50
SCBU7833
加注容量
交流發電機和風扇皮帶 - 檢查/調整/更換
i06059639
調整
交交流流發發電電機機和和風風扇扇皮皮帶帶-檢檢查查/
調調整整/更更換換
檢查
為使發動機性能最大化,檢查皮帶是否磨損和斷
裂。更換損壞或磨損的皮帶。
對于需要多根傳動皮帶的應用,要更換相配的整
組傳動皮帶。由于舊皮帶已被拉伸,只更換一組
中的一條皮帶會使新皮帶承受更多的負載。額外
負載就會加到新皮帶上,從而造成皮帶斷裂。
如果皮帶過松,振動會引起皮帶和皮帶輪不必要
的磨損。松弛的皮帶可能打滑而引起過熱。
要精確檢查皮帶緊度,應使用合適的量規。
圖30
g03716557
1.1.把交流發電機樞軸螺栓 (2)松開。
圖29
g03716511
典型示例
(1)Burroughs量規
將量規 (1)安裝在最長自由長度的中心,檢查張
緊度。正確的張力為535N(120lb)。如果皮帶
張緊力低于250N(56lb),將其調整到535N
(120lb)。
如果安裝了雙皮帶,檢查并調整兩條皮帶的張
力。
圖31
g03716558
2.2.松開連桿螺栓 (3) 。移動交流發動機以增加或
降低皮帶張緊度。將交流發電機樞軸螺栓和連
桿螺栓擰緊至22N·m(16lbft)。(1)。
更換
有關皮帶的安裝和拆卸步驟,請參閱拆解和裝配
手冊。
This document has been printed from SPI2. NOT FOR RESALE
![]()

![]()
![]()

![]()
![]()

![]()
![]()
SCBU7833
51
加注容量
蓄電池 - 更換
i03018721
i03018722
蓄蓄電電池池-更更換換
蓄蓄電電池池電電解解液液液位位-檢檢查查
當發動機長時間不運轉或只是短時間運轉時,蓄
電池可能未充足電。確保蓄電池充足電以防止蓄
電池結凍。如果蓄電池經正確充電,發動機運轉
時電流表讀數應快接近零位。
蓄蓄電電池池釋釋放放出出可可能能會會爆爆炸炸的的可可燃燃氣氣體體。。火火花花可可能能引引
起起此此可可燃燃氣氣被被點點燃燃。。由由此此可可能能導導致致人人身身傷傷亡亡。。
確確保保置置于于密密閉閉處處的的蓄蓄電電池池的的適適當當通通風風。。遵遵循循正正確確程程
序序以以便便幫幫助助防防止止在在蓄蓄電電池池周周圍圍產產生生電電弧弧和和/或或火火花花。。
在在維維護護蓄蓄電電池池時時不不要要吸吸煙煙。。
所所有有鉛鉛酸酸蓄蓄電電池池含含有有硫硫酸酸,,硫硫酸酸能能燒燒蝕蝕皮皮膚膚和和腐腐蝕蝕
衣衣服服。。對對蓄蓄電電池池作作業業或或, 在在其其附附近近工工作作時時,,必必須須戴戴防防
護護面面罩罩和和穿穿防防護護服服。。
1.1.拆下加注口蓋。蓄電池的電解液位保持在蓄
電池的 “滿(FULL)”標記位置。
在在拆拆卸卸蓄蓄電電池池電電纜纜或或蓄蓄電電池池之之前前,,應應先先拆拆下下蓄蓄電電池池
蓋蓋。。進進行行任任何何維維護護之之前前,,應應先先拆拆下下蓄蓄電電池池蓋蓋。。
未未拆拆下下蓄蓄電電池池蓋蓋的的情情況況下下就就拆拆卸卸蓄蓄電電池池電電纜纜或或蓄蓄電電
池池可可能能會會引引發發爆爆炸炸,,導導致致人人身身傷傷害害。。
如果需要加水,要使用蒸餾水。如果沒有蒸餾
水,可使用低礦物質的清潔水。不要使用人工
軟化水。
1.1.把發動機起動開關轉動斷開(OFF)位置。卸掉
所有電氣負載。
2.2.使用適當的蓄電池測試儀檢查電解液的狀況。
3.3.安裝蓋。
2.2.關掉所有蓄電池充電器。斷開所有蓄電池充
電器。
4.4.保持蓄電池清潔。
3.3.用負極 “-”電纜把蓄電池的負極 “-”端子與
起動馬達的負極 “-”端子連接起來。從蓄電池
的負極 “-”端子斷開電纜。
用以下清潔劑清洗蓄電池殼:
•使用0.1kg(0.2lb)碳酸氫鈉與1L
(1qt)清水的溶液。
4.4.正極 “+”電纜把蓄電池的正極 “+”端子與起
動馬達的正極 “+”端子連接起來。從蓄電池
的正極 “+”端子斷開電纜。
•使用氫氧化銨溶液。
用清潔水徹底沖洗蓄電池殼。
注:一定要回收蓄電池。決不要廢棄蓄電池。把廢舊
蓄電池送到適當的回收工廠。
5.5.拆下廢舊蓄電池。
i03840677
蓄蓄電電池池或或蓄蓄電電池池電電纜纜-斷斷開開
6.6.安裝新蓄電池。
注:安裝電纜之前,確保發動機起動開關在停機(OFF)
位置。
7.7.把來自起動馬達正極端子的電纜連接到蓄電池
在在拆拆卸卸蓄蓄電電池池電電纜纜或或蓄蓄電電池池之之前前,,應應先先拆拆下下蓄蓄電電池池
蓋蓋。。進進行行任任何何維維護護之之前前,,應應先先拆拆下下蓄蓄電電池池蓋蓋。。
的正極 “+”端子。
未未拆拆下下蓄蓄電電池池蓋蓋的的情情況況下下就就拆拆卸卸蓄蓄電電池池電電纜纜或或蓄蓄電電
池池可可能能會會引引發發爆爆炸炸,,導導致致人人身身傷傷害害。。
8.8.將蓄電池負極 “-”電纜連接到蓄電池負極 “-”
端子上。
1.1.將起動開關轉到斷開(OFF)位置。把點火開關
(如有配備)轉到斷開(OFF)位置,取下鑰匙
和關掉所有電氣負載。
This document has been printed from SPI2. NOT FOR RESALE
![]()
![]()
![]()
![]()
![]()
![]()
![]()
![]()
![]()
52
SCBU7833
加注容量
冷卻系統冷卻液(市售重載) - 更換
2.2.斷開蓄電池負極端子。確保電纜無法與端子
接觸。當使用4個12伏蓄電池時,必須斷開
兩個負極連接。
排放
加加壓壓的的系系統統::熱熱的的冷冷卻卻液液能能造造成成嚴嚴重重的的燙燙傷傷。。在在發發
動動機機停停機機,,等等待待冷冷卻卻系系統統部部件件冷冷卻卻下下來來后后再再打打開開冷冷
卻卻系系統統加加注注口口蓋蓋。。緩緩慢慢松松開開冷冷卻卻系系統統加加注注口口蓋蓋,,以以
釋釋放放掉掉所所有有壓壓力力。。
3.3.斷開正極連接。
4.4.清潔所有斷開的接頭和蓄電池端子。
5.5.用細砂紙清理端子和電纜卡箍。清潔這些項
目,直到其表面光亮為止。不要過度去除材
料。過分地去除材料可能會造成卡箍無法正常
配合。使用合適的硅油或凡士林涂沫卡箍和端
子表面。
1.1.發動機停機,使發動機冷卻下來。緩慢地松
開冷卻系統加注口蓋,以釋放掉所有壓力。拆
下冷卻系統加注口蓋。
6.6.為了防止意外起動,將電纜線頭用膠帶包上。
7.7.進行必要的系統修理。
8.8.要連接蓄電池,需先連接正極接頭,然后再接
負極接頭。
i06059649
冷冷卻卻系系統統冷冷卻卻液液((市市售售重重載載))-
更更換換
注意
在檢驗、保養、測試、調整及維修產品時,必須小心
以確保收集好排放出的油液。 在打開任何腔室或拆解
任何儲有液體的部件之前,要準備好用合適的容器收
集液體。
按照本地法規和指令處置所有液體。
圖32
g03716975
2.2.打開排放旋塞或取下發動機上的排放螺塞 (1)
。打開排放旋塞或拆下散熱器上的排放螺塞。
注意
保持所有零件清潔無雜質。
使冷卻液放出。
雜質會造成快速磨損和縮短部件壽命。
注意
用過的發動機冷卻液應妥善棄置或再循環。 回收用過
的冷卻液使之再利用于發動機冷卻系統的方法有多
種。但珀金斯唯一接受的回收舊冷卻液的方法是完全
蒸餾法。
如果有以下情況發生,在推薦的保養周期之前,
清潔和沖刷冷卻系統:
•發動機頻繁過熱。
•觀察到起泡沫。
有關用過冷卻液的處置和循環再利用的資料,請
咨詢您的Perkins代理商或您的Perkins分銷
商。
•機油已進入冷卻系統,冷卻液被污染。
•柴油已進入冷卻系統,冷卻液被污染。
注:清潔冷卻系統時僅需要清水。
沖刷
1.1.用清潔水沖刷冷卻系統以便清除所有碎屑。
注:冷卻系統放水后,檢查水泵和水溫調節器。該檢
查為在必要時更換水泵、水溫調節器和軟管提供了好
機會。
2.2.關閉排放旋塞或將排放螺塞裝到發動機上。
關閉排放旋塞或安裝散熱器上的排放螺塞。
This document has been printed from SPI2. NOT FOR RESALE