操作和保養手冊
1104D 發動機
NH (發動機)
NJ� 發動機)
This document is printed from SPI². Not for RESALE
![]()
![]()
![]()
![]()
重要安全事項
產品的操作、保養和修理中的大多數事故,都是由于不遵守基本安全規則或預防措施引起的。若能在事
故發生前認識到各種潛在危險,事故往往是可以避免的。對各種潛在的危險,必須對工作人員提出警
告。還必須對工作人員進行培訓,使其掌握必要的技能和正確使用工具。
不正確的操作、潤滑、保養或修理產品是危險的,并會造成人身傷亡。
必須閱讀和理解產品的操作、潤滑、保養和修理的資料后,才可進行這些工作。
在本手冊中和在產品上都提供有安全預防措施和警告。如果對這些警告不予注意,會給自己或他人
造成人身傷亡。
識別危險用“安全警告符號”和“標志文字”,如“危險”、“警告” 或 “當心”。“警告” 標貼如下所示。
安全警告符號的含義如下:
注意!提高警惕! 事關您的安全。
警告的下面,說明危險的情況,有的用文字書寫,有的用圖形表示。
對能造成產品損壞的操作,在產品上和在本手冊中都以“注意”標貼表示。
� � � � 不能預料到可能發生危險的每一種情況。所以,本手冊和產品上提出的警告并不包括所有
情況。如果采用的工具、操作程序、工作方法或操作技術未經 Perkins 專門推薦,您必須保障您自己和
他人的安全。還要保證您所選擇的操作方法、潤滑、保養或修理程序不會損壞產品或造成不安全。
本手冊中的資料、技術規范和圖表是根據編寫當時可得到的資料匯編的。 所列舉的技術規范、扭矩、壓
力、測量值、調整值、圖表和其它項目,隨時都可能變更, 這些變更會影響對產品的維修。因此,在進
行各項作業前,必須獲得完整的最新的資料。 � � � � 代理商備有最新的資料。
本產品需要更換零件時, � � � � 推薦使用
Perkins 原廠生產的零件或者相同技術規范的零
件。相同的技術規范包括,但不局限于外形尺寸、
類型、強度和材料。
忽視此警告會導致過早發生故障、產品損壞甚至人
員傷亡。
This document is printed from SPI². Not for RESALE
![]()
![]()
![]()
SCBU8172-02
3
目錄
目錄
保養周期表 ..................................................... 56
保修部分
前言 ................................................................. 4
保修信息資料 .................................................. 87
安全部分
索引部分
安全標志 ........................................................... 5
一般危險信息 .................................................... 8
防止燙傷 ........................................................... 9
防火與防爆 ....................................................... 9
防止壓傷和割傷 ............................................... 11
上、下設備 ..................................................... 11
高壓燃油管 ..................................................... 11
起動發動機前 .................................................. 13
發動機起動 ..................................................... 13
發動機停機 ..................................................... 13
電氣系統 ......................................................... 13
發動機電子裝置 ............................................... 14
索引 ............................................................... 88
產品信息資料部分
機型視圖說明 .................................................. 16
產品識別信息資料 ........................................... 20
操作部分
起吊和貯存 ..................................................... 22
儀表和指示燈 .................................................. 24
功能部件和控制裝置 ........................................ 25
發動機診斷 ..................................................... 31
發動機起動 ..................................................... 34
發動機運行 ..................................................... 37
發動機停機 ..................................................... 38
寒冷天氣操作 .................................................. 39
保養部分
加注容量 ......................................................... 42
保養建議 ......................................................... 55
This document is printed from SPI². Not for RESALE
![]()
![]()
4
前言
SCBU8172-02
前言
保養周期
進行保養時,應同時做比該次規定時間間隔小的前幾
級的保養項目。根據您的具體保養實踐、操作和用
途,每一級和(或)每一級中的每個保養項目可以適
當提前或推遲。我們建議復制一份保養計劃表并展示
在發動機附近,作為一種方便的提醒。我們還建議將
保養紀錄作為發動機永久性記錄的一部分保存好。
文獻資料
本手冊包含安全事項、操作說明、潤滑和保養資
料。 本手冊應存放在靠近發動機的一個文件夾內或
文件存放處。 閱讀、分析本手冊并將它與文件和
發動機資料放在一起。
在本《操作和保養手冊》, “保養記錄”中的相關文件
通常作為保養和維修的證據。 經授權的卡特彼勒代
理商可以根據您的操作環境的需要來調整維護計劃。
英語是所有卡特彼勒出版物的主要語言。 使用英語
便于翻譯并與電子媒體輸出一致。
本手冊中的某些照片和圖示上顯示的細節或選裝部
件可能與您發動機上的有所不同。 為了說明方便,
一些護罩和蓋板可能已經拿掉。 產品設計的不斷改
進和發展可能對發動機有所改變,而這些改變可能
未編入本手冊中。 當您對發動機或本手冊有任何疑
問時,請向您的卡特彼勒代理商咨詢最新的資料。
大修
除了大修周期和在此周期時的保養項目外,在《操
作和保養手冊》中沒有發動機大修的細節。主要維
修應由經過培訓的人員和卡特彼勒授權的代理商進
行。 卡特彼勒代理商可以提供大修的多種方案。 如
果遇到重大發動機故障時,從卡特彼勒代理商處還
可以獲得許多故障后大修的方案。 關于這些選擇的
資料,請與卡特彼勒代理商聯系。
安全
安全部分列出了基本的安全注意事項。 此外,本部
分還標出了各種危險情況和警告內容。 在操作、潤
滑、保養和修理本發動機以前,要閱讀并弄懂列在
安全部分上的基本注意事項。
加利福尼亞州65號提案中的警告
加利福尼亞州認為,柴油發動機排氣及其中的某些成
分會致癌,引起生育缺陷和其它生殖方面的危害。
操作
蓄電池接線柱、端子和相關的附件中含有鉛和鉛化
合物。接觸后要洗手。
在本手冊中指出的操作方法是最基本的。 它們能幫
助操作人員提高技術和技能從而更有效、更經濟地
運轉發動機。當操作人員獲得發動機知識和掌握其
性能后,操作技巧和方法將得到提高。
操作部分是供操作人員參考的,各種照片和圖示指導
操作人員進行發動機的檢查、起動、運行和停機。
本部分還包含電子診斷方面的論述。
保養
保養部分是對發動機維護的指南。 附有插圖的逐步說
明是按燃油消耗量、工作小時和(或)日歷時間保養
周期。 保養周期表中的項目參閱后面的詳細說明。
采用燃油消耗量或工作小時數確定保養周期。如
果按日歷時間可提供更方便的計劃周期,并與工時
計的讀數相近,則可用日歷周期(每日、每年等)
替代工時計周期。
應按保養周期表中指出的相應間隔期進行推薦的保
養。 發動機的實際工作環境也會影響保養周期。 因
此,在極度惡劣、多塵、潮濕或冰凍的寒冷條件下運
轉,潤滑和保養次數需要比保養周期表規定的要多。
保養計劃中的保養項目是按預防性保養管理程序編制
的。 如果遵照預防性保養管理程序進行保養,那就
不需要進行定期調整。 履行預防性保養管理程序,
由于減少了計劃外停機和故障造成的費用損失,將
使運行成本降到最低。
This document is printed from SPI². Not for RESALE
![]()
SCBU8172-02
5
安全部分
安全標志
安全部分
i03616496
安全標志
發動機上可能有一些特定的警告標志。 本部分回
顧這些安全標志的確切位置和描述。 請熟悉所有
安全標志。
請確保所有安全標志都很清晰易讀。 如果安全標志
的說明文字或圖無法辨識,請擦凈或更換。 用抹
布、水和肥皂清洗安全標志。 不要使用溶劑、汽油
或其它刺激性化學制品。 溶劑、汽油或刺激性化學
制品可能會使粘貼安全標志的粘著劑喪失粘性。 喪
失粘性的安全標志可能會從發動機上脫落下來。
更換任何已損壞或失落的安全標志。 如果有安全標
志貼在了被更換的發動機零件上,應在替換零件上
粘貼新的安全標志。 您的珀金斯代理商或分銷商可
以提供新的安全標志。
(1) 通用警告
在閱讀和了解《操作和保養手冊》中的指示和警告之
前,請勿操作機器。 不遵守這些警告,可能會導致
人身傷亡。
g01154807
圖 1
典型范例
通用警告標簽(1)位于氣門室蓋底座兩側。 請參考
圖 1。
This document is printed from SPI². Not for RESALE
![]()
![]()
![]()
![]()

![]()
6
安全部分
安全標志
SCBU8172-02
g01268960
圖 2
(1) 通用警告
(2) 手(高壓)
接觸高壓燃油可能導致液體滲透和燒傷危險。 高壓
燃油溢出可能會產生火災。 如果不遵循檢查、保養和
維修指南,可能會造成人身傷亡。
This document is printed from SPI². Not for RESALE
![]()
![]()

![]()
![]()
SCBU8172-02
7
安全部分
安全標志
g01426636
圖 3
(2) 手(高壓)
(3) 乙醚
g01154858
g01154809
圖 4
圖 5
典型范例
典型范例
手(高壓)警告標簽(2)位于燃油歧管頂部。 請參
考圖 4。
乙醚警告標簽(3)位于進氣歧管蓋上。 請參考圖 4。
注: 此標簽位置隨發動機應用場合而定。
(3)乙醚
不要使用類似乙醚的噴霧劑輔助起動。 否則可能導
致爆炸和人身傷害。
This document is printed from SPI². Not for RESALE
![]()
![]()

![]()

![]()
![]()
![]()

8
安全部分
一般危險信息
SCBU8172-02
i03018725
在對匯流板或預熱塞進行操作前,請確保電源斷開。
一般危險信息
設備放在維修位置時保養發動機。 有關將設備放在
維修位置的資料,請參閱 OEM 資料。
壓縮空氣和水
壓縮空氣和/或加壓水可能把碎屑和/或熱水吹出來。
這有可能造成人身傷害。
在殼體上直接使用壓縮空氣或加壓水可能會造成
人身傷害。
使用壓縮空氣和/或水進行清洗時,請穿戴防護衣、防
護鞋和眼部護具。眼部護具包括護目鏡及防護面罩。
清潔時使用的最大氣壓一定要低于205 kPa (30 psi)。
清潔時使用的最大水壓一定要低于 275 kPa (40 psi)。
g00104545
液體穿透
圖 6
在維修或修理設備前,要在起動開關或操縱桿上掛
一個 “不準操作”或類似的警告標簽。
即使發動機已經熄火很久,液壓回路中仍可能有壓
力存在。 如果壓力沒有正確地被釋放,會導致液壓
油或管子堵頭之類的物體高速射出。
在釋放壓力之前,不可拆卸任何液壓零部件,否則
會造成人身傷害。 在釋放壓力之前,不可拆開任何
液壓零部件,否則會造成人身傷害。 有關釋放液壓
壓力所需要的任何步驟,請參閱 OEM 資料。
g00702020
圖 7
請按要求戴上安全帽、護目鏡和其他保護裝備。
不要穿寬松的衣服或佩帶首飾,因為它們可能勾住
控制裝置或發動機其他部件。
g00687600
圖 8
應確保所有護板和罩蓋都固定在發動機的正確位
置上。
請務必使用木板或硬紙板來檢查泄漏。 在壓力下所
噴出的液體可能會穿透人體組織。 液體穿透進入身
體會造成嚴重的人身傷害,甚至可能導致死亡。 即
使是一個針孔大小的漏洞,也可能會引起嚴重的人
身傷害。 若液體噴射到您的皮膚,必須立即治療。
要找熟悉這類傷害的醫生進行治療。
保持發動機上沒有異物。 清除機器地臺板、通道和
階梯上的碎屑、機油、工具和其它物件。
切勿將保養液體到玻璃容器內。 將所有的液體排放
到適當的容器內。
盛裝溢出的液體
請遵守當地的法規處置液體。
小心使用所有清洗溶液。
在進行檢查、保養、測試、調整及維修發動機時,
務必留心,以便確保溢出的液體被盛裝在容器中。
在打開任何腔室或拆解任何部件之前,請準備好用
適當的容器來收集流出的液體。
報告所有需要修理的項目。
不準未經許可的人員登上機器。
This document is printed from SPI². Not for RESALE
![]()
![]()

![]()

![]()

SCBU8172-02
9
安全部分
防止燙傷
• 只能使用適于收集液體的工具及設備。
• 只能使用適于盛裝液體的工具及設備。
請遵守當地的法規處置液體。
i04952392
防火與防爆
i03546292
防止燙傷
不要觸摸運轉中的發動機的任何零件。 一定要待發
動機冷卻下來后,才對發動機進行保養。
接觸高壓燃油可能導致液體滲透和燒傷危險。 高壓
燃油溢出可能會產生火災。 如果不遵循檢查、保養和
維修指南,可能會造成人身傷亡。
g00704000
圖 9
所有的燃油、大多數的潤滑油和某些冷卻液混合物
都是易燃品。
發動機停止后,在對發動機的燃油管路進行任何維
修或修理前,必須等待60秒鐘以便排除高壓燃油
管路中的燃油壓力.
易燃液體滲漏或濺到熾熱表面或電器部件上時,可
能引起火災。 火災會引起人身傷害和財產損失。
在斷開任何管路、接頭或相關物件之前,將空氣系
統、液壓系統、潤滑系統或冷卻系統中的氣壓排除。
操作緊急停止按鈕后,務必等待 15 分鐘,然后才
能取下發動機罩。
冷卻劑
確定發動機是否在可燃氣體可被吸入進氣系統的環
境下運行。 這些氣體會造成發動機超速。 這可能會
導致人身傷害、財產損失或發動機損壞。
發動機處于工作溫度時,發動機的冷卻液是熱的。
而且冷卻液處于壓力之下。 散熱器和通向加熱器或
發動機的所有管道內都有熱的冷卻液。
如果應用類型涉及存在可燃氣體的情況,請咨詢您
的 Perkins 代理商和/或 Perkins 分銷商,以獲得關于
適當防護裝置的更多資料。
接觸滾燙的冷卻液或蒸汽都會造成嚴重燙傷。 排放
冷卻系統以前,讓冷卻系統部件先冷卻下來。
在發動機停機和冷卻后,檢查冷卻液液位。
清除發動機上的所有易燃或導電材料,例如燃油、
機油和碎屑。 禁止在發動機上堆積任何易燃或導
電材料。
拆卸加注口蓋以前,要確保加注口蓋是涼的。 加注
口蓋必須涼到可以徒手觸摸。 慢慢拆下加注口蓋,
以便釋放壓力。
將燃油和潤滑劑裝入正確標記的容器內,并存放在遠
離未經授權人員的位置。 將油布和其他易燃物存放在
保護性的容器內。 切勿在存放易燃物的場所吸煙。
冷卻系統添加劑含堿。 堿性物質會造成人身傷害。
不要讓堿接觸皮膚,也不要讓其進入眼睛或嘴。
不得讓發動機暴露在任何明火之下。
機油
如果管路、管道和密封件損壞,排氣管隔熱板(如有
配備)可以保護熱的排氣管部件不被機油或燃料噴射
到。 排氣隔熱板必須正確安裝。
熾熱油和熾熱的潤滑部件會造成人身傷害。 不要讓
熾熱的機油接觸皮膚。 同時,不要讓熾熱的部件
與皮膚接觸。
禁止在裝有易燃液體的管路或油箱上進行焊接。 禁
止在裝有易燃液體的管路或油箱上進行火焰切割。
在焊接或火焰切割這些管路或油箱前,先用不可燃
的溶劑徹底將其清洗。
蓄電池
電解液是酸性的。 電解液會造成人身傷害。 避免
電解液接觸皮膚或眼睛。 保養蓄電池時一定要戴
防護眼鏡。 接觸了蓄電池和接線柱后要洗手。 建
議使用手套。
導線必須保持在良好狀態。 確保所有電線正確布線
并且牢固連接。 每天檢查所有的電線。 請在運轉發
動機之前修復松動或磨損的電線。 清潔并緊固所
有線路接頭。
This document is printed from SPI². Not for RESALE
![]()
![]()
![]()
![]()

10
安全部分
防火與防爆
SCBU8172-02
去掉所有無關的或不必要的導線。 不要使用比推薦
規格小的導線或電纜。 不得將任何保險絲和/或斷路
器旁通短接。
電弧或火花會引起火災。 牢固連接、按照推薦布
設的線路和正確保養的蓄電池電纜有助于防止產生
電弧和火花。
接觸高壓燃油可能導致液體滲透和燒傷危險。 高壓
燃油溢出可能會產生火災。 如果不遵循檢查、保養和
維修指南,可能會造成人身傷亡。
發動機停機后,在對發動機的燃油管進行任何維
修或修理之前,等待 60 秒以便釋放高壓燃油管中
的燃油壓力。
確保發動機停轉。 檢查所有的管路和軟管有無磨損
或老化。 軟管的走向布置必須適當。 管路和軟管必
須有適當的支撐或牢固的管夾。
g02298225
圖 11
正確安裝機油濾清器和燃油濾清器。 濾清器殼體必
須擰緊到正確的扭矩。 有關更多信息,請參閱拆解
和裝配手冊。
蓄電池散發出來的氣體能引起爆炸。 讓明火或火花遠
離蓄電池的頂部。 不要在蓄電池充電的場所吸煙。
不得采用將金屬物體跨接在接線端子上的辦法來檢
查蓄電池的充電情況。 必須使用電壓表或比重計。
跨接電纜連接不當可能會引起爆炸,造成人身傷害。
有關具體的說明,請參考本手冊的操作部分。
不要給凍住的蓄電池充電。給凍住的蓄電池充電
有可能造成爆炸。
蓄電池必須保持清潔。 每個電池柵格單元都必須蓋
好蓋子(如有配備)。 在發動機運轉時,要使用推
薦的電纜、接頭和蓄電池箱蓋。
滅火器
確保備有滅火器供使用。 要熟悉滅火器的使用方
法。 經常檢修滅火器。 遵從指示板上的說明。
管路、管道和軟管
g00704059
請勿將高壓管線彎折。 請勿敲擊高壓管線。 請勿
安裝任何受損的管路。
圖 10
向發動機加燃油的時候要小心謹慎。 不要在向發動機
加燃油的時候吸煙。 也不要在靠近明火或火花的地
方向發動機加燃油。 切記加燃油前將發動機熄火。
泄漏會造成火災。 請與您的 Perkins 代理商或
Perkins 分銷商聯系以獲取更換零件。
若出現下列任何一種情況,請更換零件:
• 高壓燃油管路已拆下。
• 端接頭損壞或滲漏。
• 外層有磨損或割傷。
This document is printed from SPI². Not for RESALE
![]()
![]()
![]()
![]()

![]()

SCBU8172-02
11
安全部分
防止壓傷和割傷
• 金屬線暴露在外。
• 外層鼓包隆起。
i03592472
高壓燃油管
• 軟管的彈性零件扭曲。
• 鎧裝護套嵌入外層。
• 端接頭移位。
接觸高壓燃油可能導致液體滲透和燒傷危險。 高壓
燃油溢出可能會產生火災。 如果不遵循檢查、保養和
維修指南,可能會造成人身傷亡。
確保所有的卡箍、護罩及隔熱板安裝正確,以避免
振動、部件間的摩擦以及過量生熱。
i03018585
防止壓傷和割傷
在部件下面工作時,部件應有可靠的支撐。
如果沒有提供另外的保養說明,在發動機運轉時,
切勿試圖進行調整。
避開所有轉動部件和運動部件。 直到進行保養時再
拿掉保護罩。 保養結束后重新裝上護罩。
將物件遠離轉動的風扇葉片。 風扇葉片會拋出或
切割物件。
敲擊物件時,要戴護目鏡,以免傷及眼睛。
在敲擊物件時,碎片或其它碎屑會四處飛散。 敲擊
物件之前,應確保周圍無人會被飛出的碎屑擊傷。
i03546296
上、下設備
登上發動機之前檢查階梯、扶手和工作區域。 保持
階梯、扶手和工作區域清潔并處于良好狀態。
必須在裝有踏板和/或扶手的地方上下發動機。 不
要爬到發動機上,也不要從發動機上跳下來。
上下發動機時,要面朝發動機。 與階梯和扶手保持
三點接觸。 用雙腳和單手或用單腳和雙手。 不要把
控制裝置當扶手使用。
不要站在不能支承您體重的部件上。 使用適當的梯子
或使用工作平臺。 固定好攀爬設備,使它不會移動。
上下發動機時,不要攜帶工具或物品。 要用一根手
拉繩吊上和放下工具或物品。
This document is printed from SPI². Not for RESALE
![]()
![]()
![]()
12
安全部分
高壓燃油管
SCBU8172-02
g01425090
圖 12
(1) 高壓管路
(2) 高壓管路
(3) 高壓管路
(4) 高壓管路
(5) 高壓燃油歧管 (油軌)
(6) 高壓管路
高壓燃油管是指高壓燃油泵與高壓燃油歧管之間以
及燃油歧管與缸蓋之間的燃油管路。 這些燃油管路
與其它燃油系統的燃油管路不同。
不要松開高壓燃油管來排出燃油系統的空氣。 該步
驟并不是必需的。
在發動機起動前,目測檢查高壓燃油管。 應每天
都進行該項檢查。
這是由于下述差異情況造成的:
• 高壓燃油管持續充有高壓。
如果您檢查正在運行的發動機,請始終使用正確的
檢查步驟以避免液體穿透危險。 請參閱《操作和保
養手冊》, “一般危險信息”。
• 高壓燃油管的內部壓力比其它類型的燃油系統要
高。
• 檢查高壓油管有無下列情況: 損壞、變形、刻
痕、切割、折痕或凹痕
• 高壓燃油管首先經過加工成型,然后按照特殊工
藝進行加固。
• 不要在燃油泄漏的情況下運轉發動機。 如果發生
泄漏,不要擰緊管接頭來阻止泄漏。 接頭必須僅
擰緊至推薦扭矩。 請參考《解體與組裝手冊》,
“燃油噴油管 - 拆卸和安裝”。
不要踩踏高壓燃油管。 不要偏轉高壓燃油管。 不要
彎曲或敲擊高壓燃油管。 高壓燃油管的變形或損壞
可能導致形成薄弱點和潛在故障。
不要在發動機或起動馬達運行時檢查高壓燃油管。
發動機停止后,在對發動機的燃油管路進行任何維
修或修理前,必須等待60 秒鐘以便排除高壓燃油管
路中的燃油壓力。
• 如果高壓燃油管已擰緊至正確扭矩,但卻發生泄
漏,則必須更換高壓燃油管。
• 確保所有高壓燃油管上的卡子都安裝到位。 不要
在卡子損壞、遺失或松動的情況下運轉發動機。
This document is printed from SPI². Not for RESALE
![]()
![]()

SCBU8172-02
13
安全部分
起動發動機前
• 不要將任何物品系在高壓燃油管。
一定要按照《操作和保養手冊》, “發動機起動”主題
(操作部分)中所敘述的步驟起動發動機。 了解正
確啟動步驟有助于防止發動機零部件的重大損壞。
了解起動步驟有助于防止人身傷害。
• 松動的高壓燃油管路必須更換。 拆下的高壓燃油
管也必須更換。 請參考《解體與組裝手冊》, “燃
油噴油管 - 安裝”。
為確保水套加熱器(如有配備)和/或潤滑油加熱
器(如有配備)正常工作,請在加熱器工作期間檢
查水溫表和/或油溫表。
i03018734
起動發動機前
發動機排氣含有對人體有害的燃燒產物。 一定要在
通風良好的地方啟動和運轉發動機。 如果在一個密
閉的空間起動發動機,要將發動機廢氣排到室外去。
首次起動新的、保養過的或修理過的發動機前,預
先做好停機準備,以便制止超速。 這可以用關斷發
動機燃油供應和/或點火來完成。
注: 發動機配備了冷起動裝置。 如果發動機將在嚴
寒條件下運轉,那么可能需要嚴寒輔助起動裝置。
通常,發動機將配備有適合于作業地區的輔助起動
裝置。
發動機超速應該自動關機,它是電子控制的。 如果
自動關機不自動執行,按下緊急停車按鈕以切斷供
向發動機的燃油和/或空氣。
這些發動機在每個獨立的油缸配備了電熱塞輔助起
動裝置,以加熱進氣空氣,提高起動效能。
檢查發動機有無潛在危險。
i03616502
起動發動機前,確保發動機上面、下面或附近無人。
確保周圍沒有任何人員。
發動機停機
如有配備,確保用于發動機的照明系統適合于工況
條件。 如有配備,確保所有照明燈工作正常。
遵循《操作和保養手冊》, “發動機停機(操作部
分)”進行發動機停機操作,以便避免發動機過熱和
發動機部件的加速磨損。
如果必須起動發動機進行維修作業,必須安裝好所
有保護罩、蓋。 為了預防旋轉件引起事故,在轉
動件周圍工作要小心。
只有在緊急情況下決才能使用緊急停機按鈕(如有
配備)。 發動機正常停機時不要使用緊急停機按鈕
。 發動機緊急停機后,在引起緊急停機的問題解決
之前,切勿起動發動機。
不要旁通自動關斷電路。 不要使自動關斷電路不起
作用。 這種電路的設置是為了防止人身傷害。 同時
也可防止發動機損壞。
有關修理和調整的資料,請參閱《維修手冊》。
如果新發動機或經大修后的發動機初次起動時發生
超速情況,使發動機停機。
i03616477
要停止電子控制的發動機,請切斷發動機電源和/或
不給發動機供氣。
發動機起動
i03591697
電氣系統
不要使用類似乙醚的噴霧劑輔助起動。 否則可能導
致爆炸和人身傷害。
充電裝置正在工作時,切勿斷開任何充電裝置電路
或從蓄電池上斷開蓄電池電路電纜。 由蓄電池產生
的易燃氣體可能被火花點燃。
如果發動機起動開關或操縱桿上掛有警告標簽,切
勿起動發動機或移動操縱桿。 在啟動發動機前,要
向掛警告標簽的人咨詢。
為便于防止火花點燃某些蓄電池產生的可燃氣體,
負極 “−” 電纜應該最后從外接電源連接到起動馬達
的負 “−” 接線柱。 如果起動馬達沒有配備負“−” 接線
柱,請把跨接起動電纜連接到缸體。
如果必須起動發動機進行維修程序時,那么必須安
裝好所有保護罩、蓋。 為了預防旋轉件引起事故,
在旋轉件周圍工作時要小心。
每天檢查電線是否松動或擦破。 發動機啟動之前,
要緊固所有電路連接。 發動機啟動之前,要修理好
所有擦破的電線。 有關具體的起動說明,請參閱
《操作和保養手冊》。
在操作人員的操作室或使用發動機起動開關來起
動發動機。
This document is printed from SPI². Not for RESALE
![]()
![]()
![]()
14
安全部分
發動機電子裝置
SCBU8172-02
接地方法
未安裝發動機到機架接地帶的發動機可能因電氣
放電而損壞。
為確保發動機和發動機電氣系統正常工作,必須使
用直通到蓄電池的發動機到機架接地帶。 該通路徑
可通過發動機直接接地到機架。
接地接頭應連接緊密、無腐蝕現象。 發動機交流發
電機必須通過一根足可以承受其全額充電電流的電
線接地到蓄電池的負“-”接線柱。
發動機電子系統的電源和接地線始終應從絕緣體連
接至蓄電池。
i03616494
發動機電子裝置
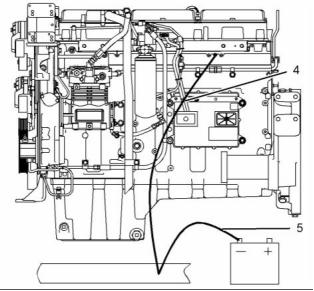
g01162916
圖 13
擅自改動電子系統或原始設備制造商(OEM)的接線安
裝是危險的,可能導致人身傷亡和/或發動機損害。
典型示例
(1) 發動機起動馬達
(2) 起動馬達接地
(3) 蓄電池接地
有電擊危險。 電子單體式噴油器使用 DC 電壓。 ECM
將此電壓發送給電子單體式噴油器。 發動機運轉時,
切勿接觸電子單體式噴油器的線束接頭。 不遵守此指
示,可能會導致人身傷亡。
本發動機具有全面的、可編程的發動機監測系統。
發動機控制模塊 (ECM) 具有監測發動機工作狀況的
能力。 如果任何發動機的參數超出容許范圍,ECM
將立即有所動作。
發動機監測控制有以下動作:
• 警告
• 減額
• 停機
下列受到監控的發動機工作條件能夠限制發動機
轉速和/或發動機功率:
g01162918
圖 14
• 發動機冷卻液溫度
• 發動機機油壓力
• 發動機轉速/正時
• 進氣歧管空氣溫度
典型示例
(4) 發動機接地
(5) 蓄電池接地
為獲得發動機的最佳性能和可靠性有必要使發動機
電氣系統接地正確。 不正確的接地會造成不可控
和不可靠的電路路徑。
發動機監測組件可能因發動機機型和應用不同而變
化。 但是,對所有發動機來說,監測系統和發動機
監測控制裝置將是相似的
不受控制的電路會對曲軸軸頸表面和鋁質部件造
成損壞。
This document is printed from SPI². Not for RESALE
![]()
![]()

![]()

![]()
![]()
![]()
![]()
SCBU8172-02
15
安全部分
發動機電子裝置
注: 許多可使用在珀金斯 發動機上的發動機控制系統
和顯示模塊將和發動機監測系統一起協調工作。 這
兩種控制系統將一起提供為特定發動機應用所需的
發動機監測功能。 有關《發動機監控系統》的更多
信息,請參閱故障診斷與排除。
This document is printed from SPI². Not for RESALE
![]()
16
產品信息資料部分
機型視圖說明
SCBU8172-02
產品信息資料部分
機型視圖說明
i03616499
機型視圖
以下機型視圖顯示了發動機的典型特點。 由于具體
應用不同,您的發動機可能看起來與圖中所示不同。
g01425089
圖 15
1104D NJ 發動機為渦輪增壓和后冷式。
This document is printed from SPI². Not for RESALE
![]()
![]()

![]()
SCBU8172-02
17
產品信息資料部分
機型視圖說明
g01428165
圖 16
1104D NH 發動機為渦輪增壓型。
發動機左前視圖
(1) 前吊耳
(6) 燃細細濾器
(7) 水泵
(11) 機油濾清器
(12) 曲軸皮帶輪
(13) 傳動皮帶
(2) 出水口
(3) 后吊耳
(4) 燃油歧管(油軌)
(5) 電子控制模塊
(8) 機油加注口
(9) 機油表
(14) 皮帶張緊裝置
(10) 機油取樣閥
This document is printed from SPI². Not for RESALE
![]()
![]()

18
產品信息資料部分
機型視圖說明
SCBU8172-02
g01428176
圖 17
發動機右后視圖
(15) 交流發電機
(16) 排氣歧管
(17) 渦輪增壓器
(18) 廢氣門電磁閥
(19) 排放塞或冷卻液取樣閥
(20) 起動馬達
(23) 充油泵
(24) 飛輪
(25) 飛輪殼體
(21) 機油排放塞
(22) 燃油粗濾器
發動機規格
注: 燃油粗濾器可不在發動機上安裝。
注: 發動機的前端是與發動機飛輪端相對的發動機的
另一端。 在飛輪端處看去,確定發動機的左側和右
側。 第1缸是最前端的氣缸。
i04952393
發動機描述
排放控制系統
NH - 直接柴油噴射、渦輪增壓器和發動機控制模塊
1104 電控發動機型號 NH 和 NJ 設計用于下列應
用:機器 和 工業移動設備。 發動機可以采用下列
吸氣類型:
NJ - 直接柴油噴射、含氣冷式增壓空氣冷卻器和發
動機控制模塊的渦輪增壓器
• 渦輪增壓式
• 渦輪增壓后冷式
• 直列 4 缸
This document is printed from SPI². Not for RESALE
![]()
![]()

SCBU8172-02
19
產品信息資料部分
機型視圖說明
• 冷起動措施
• 空燃比自動控制
• 可調扭矩曲線
• 噴油正時控制
• 系統診斷
有關電控發動機更多特點的,請參閱《操作和保養
手冊》, “特性和控制”專題(操作部分)。
發動機診斷
發動機有內置診斷裝置,以確保發動機系統正常工
作。 由“停機或警告”燈向操作人員發出狀態警示。
在某些情況下,發動機的馬力和車速會受到限制。
可以利用電子維修工具來顯示診斷代碼。
有 3 種類型的診斷編碼:激活, 記錄 和 事件
g01187485
圖 18
大多數診斷代碼被記錄和存儲在 ECM 中。 詳細內
容,請參閱操作和保養手冊發動機診斷主題(操作
部分)。《》, “”
(A) 排氣門
(B) 進氣門
表 1
ECM 具有控制噴油器輸出以便保持理想發動機轉
速的電子調速器。
1104 電動發動機技術規范
轉速工作范圍(rpm)
750 至 2640
(1)
直列4缸
發動機冷卻與潤滑
冷卻系統包括以下部件:
• 齒輪驅動離心水泵
油缸數量
缸徑
105 mm (4.13 in)
127 mm (5.0 in)
沖程
吸氣
NH 渦輪增壓發動機
NJ 后冷式渦輪增壓發動機
• 調節發動機冷卻液溫度的水溫調節器
• 齒輪驅動轉子型機油泵
• 機油冷卻器
壓縮比
16.2:1
排量
4.4 L (269 in )
3
點火順序
1、3、4、2
逆時針
旋轉方向(飛輪端)
氣門間隙設定值(進氣)
氣門間隙設定值(排氣)
發動機潤滑油由轉子型機油泵供應。 發動機潤滑油
經過冷卻并過濾。 如果機油濾清器濾芯堵塞,旁通
閥可為發動機提供流量不受限制的潤滑油。
0.35 mm (0.013 in)
0.35 mm (0.013 in)
發動機的效率、排放控制效率和發動機性能的最大利
用取決于遵守正確的操作和保養建議。 發動機的性
能和效率也依賴于使用建議的燃油、潤滑油和冷卻
液的情況。 關于保養事項的更多信息,請查閱《操
作和保養手冊》, “保養周期表”。
(1) 工作轉速取決于發動機額定值、應用和油門配置。
電控發動機特性
對發動機運行狀態進行監控。 電子控制模塊
(ECM)控制發動機對這些狀況和操作員要求作出
反應。 這些狀況和操作員要求決定了 ECM 對噴油的
精確控制。 電子發動機控制系統提供以下功能:
• 發動機監控
• 發動機調速
• 控制噴射壓力
This document is printed from SPI². Not for RESALE
![]()
![]()


20
產品信息資料部分
產品識別信息資料
SCBU8172-02
產品識別信息資料
序列號銘牌 (1)
發動機序列號標牌位于缸體左側靠近發動機后部
的地方。
i03616511
標牌和貼膜的位置
g01094203
圖 20
序列號銘牌
i02890279
參考號
訂購零件時,可能需要有關以下項目的信息資料。
找出您的發動機的資料。 在相應位置填寫這些資
料。 復印此清單作為檔案記錄。 保存這些資料以
供將來參考。
供參考用的檔案記錄
g01248563
圖 19
發動機型號 _________________________________________________________
發動機生產序號 __________________________________________________
發動機低怠速 ______________________________________________________
發動機滿負荷轉速 ________________________________________________
燃油粗濾器 _________________________________________________________
水分離器濾芯 ______________________________________________________
燃油細濾器濾芯 __________________________________________________
潤滑油濾芯零件號 _______________________________________________
輔助機油濾芯零件號 ___________________________________________
潤滑系統總容量 __________________________________________________
冷卻系統總容量 __________________________________________________
空氣濾清器濾芯 __________________________________________________
風扇傳動皮帶 ______________________________________________________
序列號標牌的位置
珀金斯發動機可通過發動機序列號進行識別。
例如發動機號為NH*****U000001J。
***** ____________________________________________發動機列表編號
UL _____________________________________________________發動機類型
U __________________________________________________________英國制造
000001 ___________________________________________發動機序列號
J ___________________________________________________________制造年份
珀金斯代理商或珀金斯分銷商需要這些號碼以便確
定該發動機上包括的部件。 這樣可以精確識別替
換零件的零件號。
有關電控發動機燃油設置的數碼儲存在個性化模塊
中。 這些數碼可以通過電子維修工具讀取。
This document is printed from SPI². Not for RESALE
![]()
![]()

![]()

SCBU8172-02
21
產品信息資料部分
產品識別信息資料
交流發電機皮帶 __________________________________________________
i03616514
排放認證貼膜
g01440937
圖 21
典型范例
This document is printed from SPI². Not for RESALE
![]()
![]()

22
操作部分
起吊和貯存
SCBU8172-02
操作部分
吊耳是為特定的發動機配置總成設計和安裝的。 改
動吊耳和/或發動機會使吊耳和吊具失效。 如果對吊
耳和/或發動機作過改動,則應確保提供正確的起吊
裝置。 請咨詢您的珀金斯代理商或您的珀金斯分銷
商以獲得有關正確發動機吊裝夾具的資料。
起吊和貯存
i03616497
i03018702
發動機貯存
發動機起吊
如果發動機數周內將不再起動,應將潤滑油從缸壁和
活塞環中放掉。 缸壁上可能會生銹。 缸壁上的銹蝕
將導致發動機磨損加劇和發動機使用壽命的降低。
珀金斯不對發動機在保養一段時間后貯存中發生
的損壞負責。
您的珀金斯代理商或您的珀金斯分銷商能幫助您
籌備發動機長期存放。
如果發動機不運行或者計劃不使用發動機超過一個
月,建議執行完整的保護程序。
為防止發動機過度磨損和銹蝕,請遵守下列準則:
1. 徹底清潔發動機外部。
2. 確保車輛位于水平地面上。
3. 將燃油系統排放干凈,并向其注入防腐燃油。
1772204 POWERPART Lay-Up 1 可以與正常燃
油混用,以便將燃油轉變為防腐油。
如果沒有防腐燃油,可向燃油系統注入普通燃
油。 此燃油在貯存期結束后必須和燃油濾清器濾
芯一同丟棄。
g01097527
圖 22
熱的冷卻液可能造成人身傷害。 接觸滾燙的冷卻液
或蒸汽都會造成嚴重燙傷。 排放冷卻系統以前,讓
冷卻系統部件先冷卻下來。
注意
千萬不要折彎吊環螺栓和支架。 吊環螺栓和支架只
能承受張力負荷。 要記住當支承構件和物體之間的角
度小于90°時,吊環螺栓的承載能力變小。
4. 排放和加注冷卻系統。 參看 《操作和保養手冊》,
“冷卻系統冷卻液 (市售重載 - 更換或冷卻系統冷
卻液 (ELC) - 更換” 以獲取關于排空,清洗和加注
冷卻系統的信息。
當必須在某一角度搬移部件時,只能使用具有適當額
定載荷的連桿支架。
使用起重機拆卸重的部件。 使用一個可以調節的吊
粱起吊發動機。 所有的承載構件(鏈條和鋼絲繩)
應互相平行。 鏈條和鋼絲繩與被吊物體的頂面盡可
能保持垂直。
接觸高壓燃油可能導致液體滲透和燒傷危險。 高壓
燃油溢出可能會產生火災。 如果不遵循檢查、保養和
維修指南,可能會造成人身傷亡。
有些搬移工作要求用吊裝工具吊裝,以確保正確的
平衡和安全。
只在拆卸發動機時,要使用發動機上的吊耳。
This document is printed from SPI². Not for RESALE
![]()
![]()

![]()
![]()
![]()
![]()
![]()
![]()
![]()
SCBU8172-02
23
操作部分
起吊和貯存
5. 運轉發動機,直到發動機達到正常工作溫度。 使
發動機停機. 發動機停機后,在對發動機的燃油管
路進行任何維修或修理前,必須等待 60 秒鐘以
便排除高壓燃油管路中的燃油壓力。 如有必要,
進行較小的調整。 修理低壓燃油系統和冷卻、潤
滑或空氣系統的任何滲漏處。 更換滲漏的高壓
燃油管。 請參閱《拆解和組裝手冊》, “燃油噴
射管路 - 安裝”。
6. 從油底殼中排放潤滑油。
更新潤滑油濾清器的濾罐。
將新的清潔機油注入油底殼,直至發動機機油
油尺的滿刻度位置。 向機油中添加 1762811
POWERPART Lay-Up 2 來保護發動機防止腐
蝕。 如果沒有 1762811 POWERPART Lay-Up
2,請使用具有正確技術參數的防腐劑取代機油。
如果使用防腐劑,在貯存期結束后必須將其完
全排放干凈,并向油底殼重新注入正確等級的
普通潤滑油。
7. 操作發動機以循環發動機機油。
8. 斷開蓄電池。 確認蓄電池處于完全充電狀態。
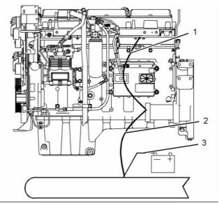
保護端子避免銹蝕。 1734115 POWERPART
Lay-Up 3 可以用在端子上。 把蓄電池安全存儲起
來。
9. 如果配備,更換曲軸箱呼吸器濾芯。 密封呼吸器
管路的末端。
10. 拆下氣門機構蓋。 向搖臂軸組件周圍噴灑
1762811 POWERPART Lay-Up 2。
11. 拆下下預熱塞。 緩慢旋轉曲軸。 通過檢查
氣門,將活塞定位于BDC。 噴涂 1762811
POWERPART Lay-Up 2 到缸徑,持續時間為 2
秒鐘。 對每個氣缸都必須應用該程序。
12. 安裝預熱塞。 安裝氣門機構蓋。
13. 拆下安裝在空氣濾清器組件和渦輪增壓器之
間的管路。 向渦輪增壓器中噴入 1762811
POWERPART Lay-Up 2。 噴灑持續時間印在容
器上。 使用防水膠帶密封渦輪增壓器。
14. 從渦輪增壓器的輸出端拆下排氣管。 向渦輪增
壓器中噴入 1762811 POWERPART Lay-Up 2。
噴灑持續時間印在容器上。 使用防水膠帶密封
渦輪增壓器。
15. 使用防水膠帶密封燃油箱通風口或燃油加注口
蓋。
16. 拆下交流發電機傳動皮帶并將其儲存起來。
17. 為了避免發動機外部的腐蝕,用 1734115
POWERPART Lay-Up 3來噴灑發動機。 不得噴
灑交流發電機內部區域。
This document is printed from SPI². Not for RESALE
![]()
24
操作部分
儀表和指示燈
SCBU8172-02
儀表和指示燈
水套水冷卻液溫度表 – 典型溫度范圍為
83° 至 95°C (181.4° 至 171°F)。 在海平
面,加壓冷卻系統為 48 kPa (7 psi) 時的最
大容許溫度為 103 °C (217.4 °F)。 在某些情況下可
能會有更高的溫度。 負載不同,水溫讀數不同。 溫
度讀數不得超過 7 °C (44.6 °F)(低于正在使用的加
壓系統的沸點)。
i03616493
儀表和指示燈
您的發動機上的儀表可能與下述儀表不同或不具備
所有下述儀表。 更多有關儀表組的資料,請參閱原
始設備制造商提供的資料。
可在冷卻系統上安裝一個100 kPa (14.5 psi) 的散
熱器蓋。 冷卻系統的溫度一定不要超過112 °C
(233.6 °F)。
儀表指示出發動機性能。 確保儀表處于良好的工作
狀態。 觀察儀表一段時間之后,您就能確定正常
的運行范圍。
如果發動機在正常范圍內運轉且有蒸汽生成,則進
行下列程序:
1. 降低負載和發動機轉速。
儀表讀數的顯著變化表明潛在的儀表或發動機問
題。 即使儀表讀數在規格范圍內,其讀數變化也可
能表明存在問題。 確定和糾正導致任何讀數顯著變
化的原因。 請向您的珀金斯代理商或您的珀金斯
分銷商尋求幫助。
2. 決定是否必須立即關閉發動機,或者是否可以通
過降低負載使發動機冷卻。
3. 檢查冷卻系統是否滲漏。
部分發動機應用配備了指示燈。 指示燈可用作診斷
輔助裝置。 有兩個燈。 一個燈有橙色透鏡,另一
個則有紅色透鏡。
轉速表 – 此表指示發動機轉速。 在無負
載時,把油門控制桿移動到全油門位置,
發動機在高怠速運轉。 在最大額定負載
下,油門控制桿在全油門位置,發動機在滿負載轉
速下運轉。
這些指示燈可用于兩種用途:
• 指示燈可用于確定發動機的當前工作狀態。 指示
燈還可指示發動機是否有故障。 該系統通過點
火開關自動運作。
注意
為幫助防止發動機受到損害,切勿超過高怠速轉速。
超速可能導致對發動機的嚴重損害。 應盡少以超過高
怠速的速度運轉。
• 指示燈可用于識別激活的診斷代碼。 按壓閃亮代
碼按鈕,該系統即被激活。
電流表 – 此儀表指示蓄電池充電電路中的
充電或放電量。 指針應指向 “0”(零)的
正數 “+” 一側。
更多信息,請參閱《故障診斷和排除指南》, “指示
燈”。
注意
燃油油位 – 此儀表指示燃油箱中燃
油的液位。 燃油油位表在“起動/停機
(START/STOP)”開關在“接通 (ON)”位置時
工作。
如果顯示無機油壓力,應將發動機停機。 如果發動
機冷卻液超出了最高冷卻液溫度,停止發動機。 否
則會導致發動機損壞。
發動機機油壓力 – 冷態發動機起動
后,機油壓力應在最大值。 額定發動
機速率時,SAE10W40的典型機油壓力
為350 至 450 kPa (50 至 65 psi)。
工時計 – 該儀表指示發動機的總工作時
間。
低怠速時油壓低是正常的。 如果負載穩定但儀表讀
數變化,進行以下步驟:
1. 卸掉負載。
2. 使發動機停機。
3. 檢查和保持機油油位。
This document is printed from SPI². Not for RESALE
![]()
![]()
![]()
![]()
![]()
![]()
![]()
![]()
![]()
![]()
![]()
SCBU8172-02
25
操作部分
功能部件和控制裝置
功能部件和控制裝置
如果發動機超越了預置的操作極限發動機將發生減
額。 通過限制每次噴油的燃油量來實現對發動機的
減額。 這種燃油量的減少取決于造成發動機減額的
故障的嚴重性,通常減少的極限為 50%。 這種燃油
的減少導致預設的發動機功率降低。
i03616517
監測系統
“警告/減額/停機(Warning/Derate/
Shutdown”
“診斷(DIAGNOSTIC)”燈被“接通(ON)”,警告
信號(紅色燈或蜂鳴器)被激活。 警報后,發動機
動力將發生減額。 發動機將以設置的減額轉速繼續
運行直到出現發動機停機。 發動機可以在緊急情
況下停機后重新起動。
如果已選擇停機模式,同時警告指示燈已工作,發動
機可能在短到自警告指示燈開始工作后的20秒鐘內停
機。 取決于應用不同,應采取特殊的預防措施以避
免人身傷害。 如有必要,發動機可在緊急操縱停機
后重新起動。
發動機可能在短到 20 秒鐘停機。 發動機可以在緊急
情況下停機后重新起動。 但是,起初停機的原因可
能依然存在。 發動機可能再次在短到 20 秒鐘停機。
注意
發動機監測系統不能保證防止突然的事故的發生。 編
程設定的延遲和減額程序是設計來最大限度減少錯誤
警報和提供操作人員使發動機停機的時間。
如果出現機油壓力低或冷卻液溫度高的信號,將有 2
秒鐘的延遲來確認該狀況。
關于每個編程模式,請參看《故障診斷和排除》, “指
示燈” 以獲取關于指示燈的更多信息。
船用動力顯示器可顯示下列參數:
• 冷卻液溫度
要獲取更多信息或修理的協助,請聯系您的 珀金斯
代理商或您的 珀金斯 分銷商。
• 進氣溫度
• 發動機進氣歧管壓力
• 發動機機油壓力
• 燃油油軌的壓力
• 發動機轉速/正時
可編程選項和系統運作
如果選定了警告/減額/停機模式,同時報警指示燈點
亮,應盡可能讓發動機停機。 取決于應用類型,應采
取專門的預防措施,以免發生人身傷害。
發動機可以被編程設置為以下模式:
“警告”
“診斷(DIAGNOSTIC)”燈和警告信號(紅色燈或蜂
鳴器)被“接通(ON)”,警告信號持續工作以便警告
操作人員一個或多個發動機參數不在正常操作范圍。
“警告/減額(Warning/Derate)”
“診斷(DIAGNOSTIC)”燈被“接通(ON)”,警告信
號(紅色燈或蜂鳴器)被激活。 警報后,發動機動
力將發生減額。 減額發生時,警告燈將開始閃爍。
This document is printed from SPI². Not for RESALE
![]()
![]()
![]()
![]()
![]()
![]()
![]()
26
SCBU8172-02
操作部分
功能部件和控制裝置
i03616482
監測系統
表 2
報警燈
停機指示燈
燈狀態
燈狀態的說明
發動機狀態
燈檢查
當發動機的起動開關被撥到“ON”位置時,兩
盞燈都點亮2 秒鐘。
發動機還未起動。
接通 (ON)
接通 (ON)
關 (OFF)
關 (OFF)
關 (OFF)
無故障
沒有現行診斷故障。
發動機在正常運轉。
發動機在正常運轉。
接通 (ON)
現行診斷故障
現行診斷故障
檢測到現行診斷故障。
檢測到嚴重現行診斷故障,同時啟動發動機
減額。
發動機在運轉但是處于減
額狀態。
接通 (ON)
閃爍
閃爍
關 (OFF)
閃爍
警告
一個或更多的發動機保護值 被超越。
一個或更多的發動機保護值 被超越。
發動機在正常運轉。
減額和警告。
發動機在運轉但是處于減
額狀態。
閃爍
發動機關機
一個或更多 發動機保護值被超出或探測到嚴
重的現行診斷故障。
發動機關機或者即將關機。
接通 (ON)
接通 (ON)
i03592460
傳感器和電氣部件
傳感器位置
圖示23顯示發動機上傳感器和ECM的典型位置。 具
體發動機上傳感器的位置可能會因應用不同而異。
This document is printed from SPI². Not for RESALE
![]()

SCBU8172-02
27
操作部分
功能部件和控制裝置
g01425443
圖 23
(1) 冷卻液溫度傳感器
(2) 進氣歧管壓力傳感器
(3) 進氣溫度傳感器
(4) 燃油壓力傳感器
(5) 電子控制模塊
(6) 主位置傳感器
(7) 輔助位置傳感器
(8) 發動機機油壓力傳感器
圖示24顯示發動機上傳感器和ECM的位置。
This document is printed from SPI². Not for RESALE
![]()
![]()

28
SCBU8172-02
操作部分
功能部件和控制裝置
g01425468
圖 24
傳感器失效
可編程監測系統(PMS)
所有傳感器
可編程監測系統決定電控模塊(ECM)對可能損壞發動
機的狀態作出反應的動作等級。 這些狀態是由電子
控制模塊(ECM)從以下傳感器產生的信號確定的。
傳感器的失效可能是由于下列故障之一造成的:
• 傳感器輸出開路。
• 冷卻液溫度傳感器
• 進氣歧管空氣溫度傳感器
• 進氣歧管壓力傳感器
• 燃油壓力傳感器
• 傳感器輸出與“蓄電池負極 (-)”或“蓄電池正極 (+)”
短接。
• 傳感器測量讀數超出規格范圍。
• 發動機機油壓力傳感器
• 主轉速/正時傳感器
This document is printed from SPI². Not for RESALE
![]()
![]()

SCBU8172-02
29
操作部分
功能部件和控制裝置
• 輔助轉速/正時傳感器
如果電子控制模塊(ECM)沒有接收到來自主轉速
/正時傳感器(7)的信號,電子控制模塊(ECM)將
會讀取來自輔助轉速/正時傳感器(8) 的信號 。 電子
控制模塊(ECM)不斷檢查以便確定是否有來自兩
個傳感器的信號。
冷卻液溫度傳感器 1
冷卻液溫度傳送器監測發動機冷卻液溫度。 ECM(5)
的輸出可通過繼電器或指示燈來指示冷卻液溫度
高。 ECM使用冷卻液溫度傳感器來確定冷態起動
策略的起動。
傳感器間歇性失效將會導致發動機控制反常。
主轉速/正時傳感器故障
冷卻液溫度傳感器失效
正常運轉的主轉速/正時傳感器是必不可少的。 ECM
中的軟件可保護發動機不反向運轉。 如果主轉速/正
時傳感器失效,則對于反向轉動沒有自動保護。 在
某些場合,變速箱有可能反向帶動發動機。 在這種
情況下,應立即停止發動機。 將鑰匙開關轉到“斷開
(OFF)”位置。
ECM (5)會檢測到冷卻液溫度傳感器的失效。 診斷燈
將會警告操作員冷卻液溫度傳感器的狀態。 冷卻液
溫度傳感器的失效將不會導致發動機停機或任何馬
力改變。 為了檢查傳感器的正常運轉,請參見 《故
障查尋》, “發動機溫度傳感器電路 - 測試”。
為了檢查傳感器的正常運轉,請參見 《故障查尋》,
“發動機轉速/正時傳感器 - 測試”。
進氣歧管空氣溫度傳感器 2
注: 傳感器可能有兩個不同位置。 位置取決于發動
機類型。
輔助轉速/正時傳感器 7
ECM (5)使用來自輔助轉速/正時傳感器的發動機起
動信號,以便檢查活塞沖程。 當主轉速/正時傳感
器有故障時,ECM會使用輔助轉速/正時傳感器操
縱發動機。
進氣歧管溫度傳感器檢測進氣溫度。 信號被發送到
ECM (5)。 ECM也使用進氣歧管溫度傳感器來確定
冷態起動策略的啟動。
為了檢查傳感器的正常運轉,請參見 《故障查尋》,
“發動機溫度傳感器電路 - 測試”。
為了檢查傳感器的正常運轉,請參見 《故障查尋》,
“發動機轉速/正時傳感器 - 測試”。
進氣歧管壓力傳感器 3
發動機機油壓力傳感器 8
進氣歧管壓力傳感器檢測歧管壓力。 信號被發送到
ECM (5)。
注: 傳感器可能有兩個不同位置。 位置取決于發動
機類型。
燃油壓力傳感器 4
發動機的機油壓力傳感器是絕對壓力傳感器,用來測
量主油道內的發動機機油壓力。 發動機機油壓力傳感
器檢測發動機機油壓力以接進行診斷。 發動機機油壓
力傳感器向電子控制模塊 (ECM) (5)發送一個信號 。
燃油壓力傳感器測量燃油歧管的燃油壓力。 信號
被發送到ECM (5)。
電子控制模塊 5
機油壓力偏低警告
ECM是發動機的控制電腦。 ECM向電子設備電子設
備提供電力。 ECM監測來自發動機傳感器的數據。
ECM作為調速器以控制發動機轉速和功率。
低壓警告設定點取決于發動機轉速。 只在發動機已運
轉超過 8 秒鐘之后故障才會處于活動狀態并被記錄。
機油壓力非常低告警
ECM會調整噴油正時和燃油壓力以便取得最佳發動
機性能、最佳燃油經濟性和最佳尾氣排放控制。
非常低機油壓力設定點取決于發動機轉速。 如果選
擇了發動機監控系統的減額模式的話,電子控制模
塊(ECM)(5)將會降低發動機功率。 發動機馬力
將會被限制。
主轉速/正時傳感器 6
如果ECM (5)沒有接收到來自主轉速/正時傳感器的信
號,“診斷(DIAGNOSTIC〕”燈將會指示一個診斷故
障代碼,該代碼將被記錄到ECM的存儲器中。
This document is printed from SPI². Not for RESALE
![]()
30
SCBU8172-02
操作部分
功能部件和控制裝置
發動機機油壓力傳感器失效
冷卻液溫度 – 冷卻液溫度傳感器會指示出水套冷
卻水的溫度過高。
ECM(5)會檢測到發動機機油壓力傳感器的失效。 診
斷燈警告用戶發動機機油壓力傳感器的狀態。 在出
現發動機機油壓力傳感器失效的情況時,與發動機
機油壓力有關的功能將會被禁用。 發動機機油壓力
傳感器的失效將不會導致發動機停機或任何馬力改
變。 為了檢查傳感器的正常運轉,請參見《故障查
尋》, “5 V傳感器供電電路 - 測試”。
進氣歧管空氣溫度 – 進氣歧管空氣溫度傳感器指示
進氣歧管空氣溫度高。
進氣歧管壓力 – 進氣歧管壓力傳感器檢查發動機歧
管額定壓力。
油軌壓力 – 燃油導軌壓力傳感器檢查燃油導軌的
高壓或低壓。
i03591676
發動機停機和發動機報警
發動機油壓 – 當油壓在一定發動機轉速下降到低于
系統額定壓力時,機油壓力傳感器會指示。
發動機超速 – 主轉速/正時傳感器檢查發動機轉速。
在3000轉/分鐘時警報器激活。
切斷裝置
空氣濾清器阻力 – 當發動機工作時,開關檢查空
氣濾清器。
切斷裝置為電子操作或機械操作。 電子操作切斷
裝置由ECM控制。
用戶定義開關 – 該開關可遠程關閉發動機。
切斷裝置被設定在以下各項的臨界水平上:
燃油含水開關 – 該開關檢查發動機運轉時,粗燃油
濾清器內的水含量情況。
• 工作溫度
• 工作壓力
注: 為了使冷卻液溫度開關的敏感元件能夠動作必須
把它浸沒在冷卻液中。
• 工作液位
發動機可能配備有各種報警裝置,以便在發生不利
的運行條件時提醒操作員。
• 工作轉速 (rpm)
在啟動發動機之前,某個具體的切斷裝置需要復位。
注意
某一警報被觸發后,在情況變得緊急之前就必須采取
, ,糾正措施,以免可能對發動機造成損害。
注意
一定要確定導致發動機停機的原因。 在試圖重新起
動發動機之前,要進行必要的修理。
如果在適當時間內沒有采取改正措施,可能會導致
發動機損壞。 警報將一直持續直到不利條件被糾正
為止。 報警器可能需要復位。
請熟悉以下各項:
• 切斷裝置的類型和所在部位
• 導致每一個切斷裝置起作用的條件
• 為啟動發動機所需的復位步驟
測試
將鑰匙開關轉到 運轉 位置可檢查控制面板上的指示
燈。 當操作鑰匙開關后,所有指示器燈亮兩秒。
立即更換懷疑的燈泡。
報警器
更多有關信息資料,請參閱《故障診斷與排除》。
警報器為電子操作。 ECM控制警報器操作。
i03616487
報警器由傳感器或開關操作。 當傳感器或開關被激
活,將發送信號到 ECM。 ECM創建了一個事件代
碼。 ECM將發送信號使指示燈亮起。
超速(OVERSPEED)
您的發動機上可能配備了下列傳感器和開關:
電子控制模塊 (ECM) 可檢測到超速狀態。 如果發動
機的速度超過 3000 rpm,事件代碼將會被記錄。 “診
斷” 燈指示現行診斷代碼。 現行診斷代碼將保持有效
直到發動機的速度降到 2800 rpm。
冷卻液液位 – 當冷卻液液位低于設定值時,冷卻液
低液位開關就會指出。
This document is printed from SPI². Not for RESALE
![]()
![]()
![]()
![]()
![]()
SCBU8172-02
31
操作部分
發動機診斷
發動機診斷
如果發動機配備了“診斷(DIAGNOSTIC)”燈,請使用
以下程序來檢索診斷編碼:
1. 在3秒內轉動鑰匙開關“打開/關閉(ON/OFF)”兩次。
i03616492
自診斷
閃爍的“黃”燈表示一個3 位發動機代碼。 閃爍順序表
示系統診斷信息。 點數閃爍的第一序列以便確定診
斷編碼的第一位數字。 在2秒鐘停頓之后,閃爍的第
二序列將確定診斷編碼的第二位數字。 第二次停頓
后,閃爍的第三序列將確定診斷編碼的第三位數字。
珀金斯 電噴發動機有進行自診斷測試的能力。 當系
統檢測到現有問題,啟動診斷燈。 診斷代碼將被儲
存在電子控制模塊(ECM)的永久性存儲器中。 用下
列部件可檢索診斷代碼. 請參閱《故障診斷與排除》,
“電子維修工具”,了解詳細資料。
任何其它診斷編碼將在停頓后接續而來。 這些診斷
編碼將以與以上同樣的方式顯示。 閃爍編碼551表
示自從起動鑰匙開關被轉到通電(ON)位置,無檢
測故障發生。
某些發動機安裝了電子顯示器,可以直接閱讀發動機
診斷代碼。 關于檢索發動機診斷代碼的詳細資料,
請參閱原始設備制造商提供的手冊。 請參閱《故障
診斷和排除指南》, “指示燈”以獲取更多信息。
有關更多相關信息資料、修理幫助或故障診斷與排
除等事項,請參閱《維修手冊》或咨詢將授權的帕
金斯代理商。
現行代碼代表目前存在的故障。 這些問題應首先
查明。
表3中列出閃爍代碼和這些閃爍代碼的簡短描述。
注: 表3中指出了“活動”閃爍代碼對發動機性能的影
響。
記錄的代碼代表下列情況:
• 間歇問題
一些編碼記錄事件。 某些編碼可能也會指示機械系
統需要留心注意。 對于代碼“551”無需進行故障查
尋。 代碼001將不閃爍。 某些編碼將限制發動機的
操作或性能。
• 記錄事件
• 性能歷史記錄
表3指示活動閃爍代碼對發動機性能的可能的影響。
表3也同時列出電子診斷代碼及其描述。
自編碼被記錄后,與之有關問題可能已被維修解
決。 這些代碼并不意味著需要進行修理。 這些代碼
是存在某一狀況的指南或信號。 代碼可能對故障診
斷與排除有幫助。
當排除這些問題后,應清除相應的記錄故障代碼。
i03616485
診斷燈
診斷燈用于指示存在現行故障。 請參閱《故障檢查
與排除》, “指示燈”以獲取更多信息。 故障診斷代碼
將保持現行狀態直到問題得到解決。 可以通過使用
電子維修工具來提取診斷代碼。 請參閱《故障檢查
與排除》, “電子維修工具”以獲取更多信息 。
i03616478
診斷閃爍代碼的檢索
“診斷”燈
使用“診斷(DIAGNOSTIC)”燈或電子維修工具來確
定診斷閃爍代碼。
This document is printed from SPI². Not for RESALE
![]()
32
操作部分
發動機診斷
SCBU8172-02
表 3
工業發動機閃爍代碼
對發動機性能的影響
(1)
建議的操作人員反應
診斷閃爍代碼
發動機
缺火
發動機轉
速降低
使發動機
維修保
安排維修計
劃.
(4)
功率低
發動機關停
停機:
(2)
養
(3)
111
112
113
114
氣缸 1 故障
X
X
X
X
X
X
X
X
X
氣缸 2 故障
X
X
X
氣缸 3 故障
氣缸 4 故障
進氣歧管溫度傳感
133
141
X
X
X
X
器故障
(5)
主轉速/正時傳感器
故障
X
輔助轉速/正時傳感
器故障
142
143
144
正時標定故障
X
X
發動機操作模式選
擇器開關故障
X
X
X
151
154
空氣濾清器阻力高
X
X
油門位置傳感器故障
X
X
輔助油門位置傳感
器故障
155
157
X
X
機油壓力傳感器故
X
X
X
X
障
(5)
燃油軌壓力傳感器
故障
159
162
168
X
X
X
X
X
高壓油泵故障
X
X
冷卻液溫度傳感
器故 障
X
X
169
177
185
發動機冷卻液低
廢氣門電磁閥故障
排氣溫度高
X
X
X
X
X
X
進氣歧管壓力傳感
器故障
197
預熱塞起動繼電器
故障
199
415
426
429
511
X
X
X
發動機軟件不正確
機器安全系統模塊
X
X
X
故障
(6)
鑰匙開關故障
X
蓄電池向ECM供電
間歇性中斷
X
X
X
X
SAE J1939 數據鏈
路故障
514
X
(續)
This document is printed from SPI². Not for RESALE
![]()

SCBU8172-02
33
操作部分
發動機診斷
(表 3, 續)
工業發動機閃爍代碼
對發動機性能的影響
(1)
建議的操作人員反應
診斷閃爍代碼
發動機
缺火
發動機轉
速降低
使發動機
維修保
安排維修計
劃.
(4)
功率低
發動機關停
停機:
(2)
養
(3)
5 伏傳感器直流電源
516
517
527
X
X
X
X
故障
(5)
8 伏傳感器直流電源
故障
X
X
檢查用戶參數或系
X
統參數
(5)
(1) “X”表示在此編碼處于活動狀態時可能對發動機性能發生影響。
(2) 使發動機停機: 小心操作發動機。 立即取得維修。 可能導致發動機嚴重損壞。
(3) 操作員應將車輛駛往最近的合格的維修場所。
(4) 安排維修計劃: 應在操作人員有機會使用合格的維修程序時調查發生的問題。
(5) 這些閃爍代碼可能會在特定環境情況下影響系統,比如發動機在寒冷溫度條件下起動時和寒冷天氣下在高海拔操作時。