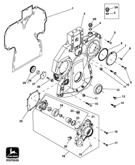
正時齒輪蓋、水泵、曲軸下惰輪
John Deere約翰迪爾強鹿柴油發動機正時齒輪蓋、水泵、曲軸下惰輪零件圖冊

KEY PART NO. PART NAME QTY SERIAL NO. 0 0 1 REMARKS
1 R136516 GASKET 1 X (SUB FOR R123421 AND R134534)
2 R121633 COVER 1 -703904 X (SUB R134531, R134534, (2) R134518 AND
(2) 14M7296)
R134531 COVER 1 703905- X
3A R101085 DRAIN PLUG 1 X (SUB RE501938, THIS APPLICATION)
3B RE501938 PLUG 1 X
4 51M7044 O-RING 1 X 17.300 X 2.200 MM
5 19M8317 SCREW 6 X M8 X 40
6 R121424 O-RING 1 X
7 R121411 COVER 1 X
8 19M7775 SCREW 3 X M6 X 16
9 19M8291 SCREW 1 X M8 X 35
10 RE67239 SCREW 1 X M8 X 45
19M7867 SCREW 1 X M8 X 25
11 14M7296 FLANGE NUT 2 X M10
12 RE59810 SEAL 1 X
13 19M7801 SCREW 1 X M8 X 60
14 19M7799 SCREW 1 X M8 X 45
15 19M7979 SCREW 2 X M8 X 55
16 19M7863 SCREW 5 X M6 X 25
17 19M7796 SCREW 3 X M6 X 30
18 RE500737 WATER PUMP 1 X (MARKED RE500737, RE56737 OR RE70683)
(SUB FOR RE56737 OR RE70683)
.................. HOUSING 1 X (MARKED R500401)
19 R98527 FILTER 2 (USE WITH RE70683 OR RE56737)
R100369 FILTER 2 X (USE WITH RE500737)
20 RE46685 PLUG 2 X
21 RE71240 KIT 1 X (SUB FOR RE59407) (OPTION 9900)
.................. IMPELLER 1 X (MARKED R121036)
.................. SEAL 1 X
.................. RING 1 X
.................. SHAFT 1 X
22 R123226 GASKET 1 X
23 A364R SNAP RING 1 X
24 .................. BALL BEARING 1 X (SUB RE71240)
25 R123417 GASKET 1 X
26 19M8966 SCREW 1 X M10 X 50
27 R131283 THRUST WASHER 1 X
28 R114193 BUSHING 1 X
29 RE56369 GEAR 1 X
.. .................. VALVE 1 X (OPTION 9000)
POWERTECH

KEY PART NO. PART NAME QTY SERIAL NO. 0 0 0 REMARKS
1 R136516 GASKET 1 X X X (SUB FOR R123421 AND R134534)
2 R121633 COVER 1 -703904 X X X (SUB R504725, R136516, (2) R134518,
RE515978 AND (2) 14M7296)
R134531 COVER 1 703905-893296 X X X (SUB R504725, RE505501, RE515978)
R505462 COVER 1 893297- X X X (SUB R504725 AND RE515978)
3A R101085 DRAIN PLUG 1 X X X (SUB RE501938, THIS APPLICATION)
3B RE501938 PLUG 1 X X X
4 51M7044 O-RING 1 X X X 17.300 X 2.200 MM
5 19M8317 SCREW 6 X X X M8 X 40
6 R121424 O-RING 1 X X X
7 R121411 COVER 1 X X X
8 19M7775 SCREW 3 X X X M6 X 16
9 19M8291 SCREW 1 X X X M8 X 35
10 RE67239 SCREW 1 X X X M8 X 45
19M7867 SCREW 1 X X X M8 X 25
11 14M7296 FLANGE NUT 6 X X X M10
12 RE59810 SEAL 1 X X X
13 19M7801 SCREW 1 X X X M8 X 60
14 19M7799 SCREW 1 X X X M8 X 45
15 19M7979 SCREW 2 X X X M8 X 55
16 19M7863 SCREW 5 X X X M6 X 25
17 19M7796 SCREW 3 X X X M6 X 30
18 RE500734 WATER PUMP 1 X X X (MARKED RE59646, RE70985 OR RE500734)
(SUB FOR RE59646 OR RE70985) (SUB
RE505980 AND RE508566)
.................. HOUSING 1 X X X (MARKED R500401)
19 R98527 FILTER 2 X X X (USE WITH RE59646 OR RE70985)
R100369 FILTER 2 X X X (USE WITH RE500734)
20 RE46685 PLUG 2 X X X
21 RE70962 KIT 1 X X X (SUB FOR RE65970) (OPTION 9900)
.................. IMPELLER 1 X X X (MARKED R123395)
.................. SEAL 1 X X X
.................. RING 1 X X X
.................. SHAFT 1 X X X
22 R123226 GASKET 1 X X X
23 A364R SNAP RING 1 X X X
24 .................. BALL BEARING 1 X X X
25 R123417 GASKET 1 X X X
26 19M8966 SCREW 1 X X X M10 X 50
27 R131283 THRUST WASHER 1 X X X
28 R114193 BUSHING 1 X X X
29 RE56369 GEAR 1 X X X
.. RE508566 KIT 1 X X X (OPTION 9900)

KEY PART NO. PART NAME QTY SERIAL NO. 0 0 0 REMARKS
1 R136516 GASKET 1 X X X (SUB FOR R123421 AND R134534)
2 R121633 COVER 1 -703904 X X X (SUB R504725, R136516, (2) R134518,
RE515978 AND (2) 14M7296)
R134531 COVER 1 703905-893296 X X X (SUB R504725, RE505501, RE515978)
R505462 COVER 1 893297- X X X (SUB R504725 AND RE515978)
3A R101085 DRAIN PLUG 1 X X X (SUB RE501938, THIS APPLICATION)
3B RE501938 PLUG 1 X X X
4 51M7044 O-RING 1 X X X 17.300 X 2.200 MM
5 19M8317 SCREW 6 X X X M8 X 40
6 R121424 O-RING 1 X X X
7 R121411 COVER 1 X X X
8 19M7775 SCREW 3 X X X M6 X 16
9 19M8291 SCREW 1 X X X M8 X 35
10 RE67239 SCREW 1 X X X M8 X 45
19M7867 SCREW 1 X X X M8 X 25
11 14M7296 FLANGE NUT 6 X X X M10
12 RE59810 SEAL 1 X X X
13 19M7801 SCREW 1 X X X M8 X 60
14 19M7799 SCREW 1 X X X M8 X 45
15 19M7979 SCREW 2 X X X M8 X 55
16 19M7863 SCREW 5 X X X M6 X 25
17 19M7796 SCREW 3 X X X M6 X 30
18 RE500734 WATER PUMP 1 X X X (MARKED RE59646, RE70985 OR RE500734)
(SUB FOR RE59646 OR RE70985) (SUB
RE505980 AND RE508566)
.................. HOUSING 1 X X X (MARKED R500401)
19 R98527 FILTER 2 X X X (USE WITH RE59646 OR RE70985)
R100369 FILTER 2 X X X (USE WITH RE500734)
20 RE46685 PLUG 2 X X X
21 RE70962 KIT 1 X X X (SUB FOR RE65970) (OPTION 9900)
.................. IMPELLER 1 X X X (MARKED R123395)
.................. SEAL 1 X X X
.................. RING 1 X X X
.................. SHAFT 1 X X X
22 R123226 GASKET 1 X X X
23 A364R SNAP RING 1 X X X
24 .................. BALL BEARING 1 X X X
25 R123417 GASKET 1 X X X
26 19M8966 SCREW 1 X X X M10 X 50
27 R131283 THRUST WASHER 1 X X X
28 R114193 BUSHING 1 X X X
29 RE56369 GEAR 1 X X X
.. RE508566 KIT 1 X X X (OPTION 9900)
氣缸體、曲軸主軸承蓋和凸輪軸
John Deere約翰迪爾強鹿6068 6.8L柴油發動機氣缸體、曲軸主軸承蓋和凸輪軸零件圖冊


KEY PART NO. PART NAME QTY SERIAL NO. 0 0 0 REMARKS
1 26M4224 SHAFT KEY 1 X X X 4 X 16 MM, (USE WITH R132428)
R133303 SHAFT KEY 1 X X X (USE WITH R133811 OR R135440)
2 RE56578 CAMSHAFT 1 X X X (MARKED R132428, R133811 OR R135440)
3 R116466 PLUG 1 X X X
4 R119874 BUSHING 1 X X X
5 R132518 PLATE 1 X X X (SUB FOR R122845)
6 19M8999 SCREW 2 X X X M8 X 25
7 T18891 CAP 2 X X X
8 R26493 BUSHING 1 -XXXXXX X X X
RE505501 VALVE 1 XXXXXX- X X X NOT AS SHOWN (OPTION 9900)
9 R111137 SPRING 1 X X X
10 R121043 VALVE 1 X X X
11 R26650 DOWEL PIN 2 X X X
12 15H623 PIPE PLUG 1 X X X 3/8"
13 R115390 BUSHING 1 X X X
14 R75892 O-RING 1 X X X
15 T23474 CAP SCREW 14 X X X
16 T20168 WASHER 14 X X X
17 R114241 BEARING CAP 6 X X X
18 R132186 BEARING CAP 1 X X X
19 D2361R BALL 1 X X X
20 U13639 O-RING 2 X X X
21 RE508185 FITTING 2 X X X (SUB FOR R39741, THIS APPLICATION)
22 R48685 DOWEL PIN 4 X X X
23 R131182 ORIFICE 6 X X X
24 15H624 PIPE PLUG 1 X X X 1/2"
25 R55233 PIPE PLUG AR X X X 1/4"
26 R104592 PIPE PLUG 7 X X X 1/8"
27 AT13740 DRAIN VALVE 1 X X X
28 .................. CYLINDER BLOCK 1 X (MARKED R119565) (ORDER RE65961 OR
RE65962)
.................. CYLINDER BLOCK 1 X (MARKED R119565) (ORDER RE65981)
.................. CYLINDER BLOCK 1 X (MARKED R119565) (ORDER RE65963,

KEY PART NO. PART NAME QTY SERIAL NO. 0 0 0 REMARKS
1 26M4224 SHAFT KEY 1 X X X 4 X 16 MM, (USE WITH R132428)
R133303 SHAFT KEY 1 X X X (USE WITH R133811 OR R135440)
2 RE56578 CAMSHAFT 1 X X X (MARKED R132428, R133811 OR R135440)
3 R116466 PLUG 1 X X X
4 R119874 BUSHING 1 X X X
5 R132518 PLATE 1 X X X (SUB FOR R122845)
6 19M8999 SCREW 2 X X X M8 X 25
7 T18891 CAP 2 X X X
8 R26493 BUSHING 1 -XXXXXX X X X
RE505501 VALVE 1 XXXXXX- X X X NOT AS SHOWN (OPTION 9900)
9 R111137 SPRING 1 X X X
10 R121043 VALVE 1 X X X
11 R26650 DOWEL PIN 2 X X X
12 15H623 PIPE PLUG 1 X X X 3/8"
13 R115390 BUSHING 1 X X X
14 R75892 O-RING 1 X X X
15 T23474 CAP SCREW 14 X X X
16 T20168 WASHER 14 X X X
17 R114241 BEARING CAP 6 X X X
18 R132186 BEARING CAP 1 X X X
19 D2361R BALL 1 X X X
20 U13639 O-RING 2 X X X
21 RE508185 FITTING 2 X X X (SUB FOR R39741, THIS APPLICATION)
22 R48685 DOWEL PIN 4 X X X
23 R131182 ORIFICE 6 X X X
24 15H624 PIPE PLUG 1 X X X 1/2"
25 R55233 PIPE PLUG AR X X X 1/4"
26 R104592 PIPE PLUG 7 X X X 1/8"
27 AT13740 DRAIN VALVE 1 X X X
28 .................. CYLINDER BLOCK 1 X (MARKED R119565) (ORDER RE65961 OR
RE65962)
.................. CYLINDER BLOCK 1 X (MARKED R119565) (ORDER RE65981)
.................. CYLINDER BLOCK 1 X (MARKED R119565) (ORDER RE65963,
RE65964, RE65965 OR RE65981)

KEY PART NO. PART NAME QTY SERIAL NO. 0 0 1 REMARKS
1 26M4224 SHAFT KEY 1 X X X 4 X 16 MM, (USE WITH R132428)
R133303 SHAFT KEY 1 X X X (USE WITH R133811 OR R135440)
2 RE56578 CAMSHAFT 1 X X X (MARKED R132428, R133811 OR R135440)
3 R116466 PLUG 1 X X X
4 R119874 BUSHING 1 X X X
5 R132518 PLATE 1 X X X (SUB FOR R122845)
6 19M8999 SCREW 2 X X X M8 X 25
7 T18891 CAP 2 X X X
8 R26493 BUSHING 1 -XXXXXX X X X
RE505501 VALVE 1 XXXXXX- X X X NOT AS SHOWN (OPTION 9900)
9 R111137 SPRING 1 X X X
10 R121043 VALVE 1 X X X
11 R26650 DOWEL PIN 2 X X X
12 15H623 PIPE PLUG 1 X X X 3/8"
13 R115390 BUSHING 1 X X X
14 R75892 O-RING 1 X X X
15 T23474 CAP SCREW 14 X X X
16 T20168 WASHER 14 X X X
17 R114241 BEARING CAP 6 X X X
18 R132186 BEARING CAP 1 X X X
19 D2361R BALL 1 X X X
20 U13639 O-RING 2 X X X
21 RE508185 FITTING 2 X X X (SUB FOR R39741, THIS APPLICATION)
22 R48685 DOWEL PIN 4 X X X
23 R131182 ORIFICE 6 X X X
24 15H624 PIPE PLUG 1 X X X 1/2"
25 R55233 PIPE PLUG AR X X X 1/4"
26 R104592 PIPE PLUG 7 X X X 1/8"
27 AT13740 DRAIN VALVE 1 X X X
28 .................. CYLINDER BLOCK 1 X (MARKED R119565) (ORDER RE65961 OR
RE65962)
.................. CYLINDER BLOCK 1 X (MARKED R119565) (ORDER RE65981)
.................. CYLINDER BLOCK 1 X (MARKED R119565) (ORDER RE65963,
RE65964, RE65965 OR RE65981)