康明斯QSX15 QST30 QSK23、QSK45、QSK60 和 QSK78柴油發動機電子控制燃油系統概述
康明斯發電用
發電機-驅動控制系統是一種電子控制系統,用于優化發動機控制和降低排放。
康明斯QSK23、QSK45、QSK60 和 QSK78 燃油系統的設計利用 Quantum™ 系統內的電子傳感器來控制發動機轉速和燃油壓力。
康明斯 QST30 系統是基于 Bosch™ 燃油系統的設計。該系統包括了兩個 in-line 噴油泵(每排一個噴油泵)。Bosch™ 燃油系統通過將燃油泵齒條放在供油量所需的適當位置,來控制發動機供油。
康明斯QSX15 燃油系統的設計利用系統中的電子傳感器來控制發動機轉速和燃油。
發電機驅動發動機控制系統
優化發動機控制
降低廢氣排放。
發電機電子控制系統具有其自己的工具軟件 - INPOWER™。INSITE™ 不能用于這些 ECM。可通過康明斯公司購買 INPOWER™。
有關該軟件的具體情況,請參考 INPOWER™ 手冊:
INPOWER™
INPOWER™ PRO。

康明斯可編程特性
康明斯發電驅動控制系統經過設計具有較強的靈活性,符合各種發電用發動機控制技術規范。

客戶提供的運轉/停機開關提供了 ECM 接地。起動時,ECM 的接地允許 ECM 向燃油切斷閥供電。可使用服務軟件監測此開關。

客戶提供的怠速/額定開關允許選擇怠速或額定轉速模式。ECM 的接地使 ECM 可以從額定轉速變為怠速轉速。可使用服務軟件監測此開關。

客戶提供的開關復位所有停機/警告功能。發動機正在運轉或停機時,警告繼電器驅動器和繼電器觸點可復位。僅當發動機停機時,才能復位停機繼電器驅動器和觸點以及非現行故障代碼。故障引起停機后,重新起動發動機之前,使用服務軟件檢查 ECM 有無故障代碼。可使用服務軟件調整怠速速度。關于此特性的詳細信息,請參考服務軟件手冊。

客戶提供的備用頻率開關允許選擇 50-Hz 或 60-Hz 的額定轉速,而無須服務軟件重新標定。可使用服務軟件監測此開關。必須在發動機停機之后,才能改變頻率。對于單一的發動機額定轉速運轉頻率,變更頻率輸入不工作

可以通過服務軟件選擇“正常”頻率設定值或備用頻率設定值。關于此特性的詳細信息,請參考服務軟件手冊。

對于同步轉速運行,調速器調速率的設定值應設置為 0%。如果需要,可通過服務軟件或調速率電位計輸入調整調速器調速率設定值。關于此特性的詳細信息,請參考服務軟件手冊。在調速率轉速下運行時,調速器調速率設定值可調范圍為 0 到 10%。
如果需要,可通過服務軟件或調速率電位計輸入調整調速器調速率設定值。關于此特性的詳細信息,請參考服務軟件手冊。

以 60-Hz 滿載運轉的發動機-發電機組必須將發動機空載限速調整到轉速調速率 3% 時 61.8 Hz [1854 rpm],或者轉速調速率 5% 時 63.0 Hz [1890 rpm]。

以 50-Hz 滿載運轉的發動機-發電機組必須將發動機空載限速調整到轉速調速率 3% 時 51.5 Hz [1545 rpm],或者轉速調速率 5% 時 52.5 Hz [1575 rpm]。可通過記錄空載和滿載下的轉速并使用調速率公式檢驗發動機-發電機組的調速率。使用位于控制面板中的調速率調節電位計可以調節發動機調速器調速率,而無須使用服務軟件。有關調速率的更多信息,參考同步和調速率轉速調控

位于控制面板中的頻率調節電位計允許調整發動機轉速,而無須使用服務軟件。
注: 這只是在極小范圍內的精細調節。

注意
通過調節/電壓調節器子菜單或服務軟件花幾秒鐘時間對每個增益調整進行初始化。建議調速器增益設置的增量不要超過 3%。這樣可避免不穩定狀態延長。
增益調節可在服務軟件或發電機驅動控制面板中進行。如果調整量設置過高,則輸出電壓會變得不穩定。如果增益設置過低,則輸出電壓對負載變化的響應會非常遲緩并導致過度調節。調整調速器增益可使發動機達到最佳性能。可使用服務軟件在 1% 到 100% 之間調整調速器增益。在工廠設置的增益下,1500 和 1800 rpm 的發電機組通常表現出令人滿意的靜態穩定性和可接受的瞬態性能,因此無需調整典型發動機-發電機組合的調速器增益設定值。

ECM 提供三種轉速加速變化率函數,可使用服務軟件進行調節此函數。
從啟動到額定轉速 - 加速時間
從怠速到額定速度 - 加速時間
從額定速度到怠速 - 減速時間
起動至額定轉速的加速時間表示從拖動到額定轉速的轉速變化率。
怠速到額定轉速的變化時間表示從怠速到額定轉速的轉速變化率。
額定轉速至怠速的減速時間表示從額定轉速到怠速的轉速變化率。
有關特性的詳細情況,請參考服務軟件手冊。
變化時間(單位為秒)取決于怠速和額定轉速的設定值。不是直接選擇變化時間,而是通過選擇變化率編號來選擇期望的變化時間。
Barber-Colman 和 Woodward™ Bias 輸入特性能夠使 ECM 與 Barber-Colman 或 Woodward™ 負載分配、自動同步、負載指令等相結合。
硬件可以是模擬或數字式。
可使用服務軟件選擇該特性。關于此特性的詳細信息,請參考服務軟件手冊。
可使用服務軟件監測此內部發動機計時器。它使操作員可以查看發動機-發電機已經工作了多少小時。
故障代碼瞬間數據將帶有相應的時間標記。

儀表標定特性允許 GOEM 安裝的發動機轉速、冷卻液溫度和機油壓力儀表標定至 ECM 儀表驅動程序(0 至 1 mA)。
可使用服務軟件執行這些標定。停機臨界值是 ECM 記錄并報告停機故障條件時的發動機參數值。這些數值可從工廠默認值向下(或根據機油油位或冷卻液液位,向上)調整。可使用服務軟件進行這項調整。警告臨界值是 ECM 記錄并報告警告故障條件時的發動機參數值。這些數值可從工廠默認值向下(或根據機油油位或冷卻液液位,向上)調整。可使用服務軟件進行這項調整。

超速停機臨界值是 ECM 切斷至發動機的供油時的發動機轉速值。該臨界值可從工廠默認值向下調整。可使用服務軟件進行這項調整。

發動機保護系統
發電機-驅動控制系統發動機裝備發動機保護系統。該系統監測發動機的臨界速度、臨界溫度和臨界壓力,并且在發生超出發動機正常工作范圍的情況時記錄診斷故障。如果存在超出范圍的情況,公共警告電路就會被接通。當超出正常工作范圍的情況越來越嚴重甚至造成發動機停機時,就會接通公共報警電路。發動機保護停機取消特性使客戶可以取消發動機保護停機。此特性的所有標定默認值停用,必須使用服務軟件啟用。如果當此特性啟用時產生發動機保護停機故障代碼,將連同原始發動機保護故障一起記錄故障代碼 1416。

康明斯故障診斷代碼
發電機-驅動控制系統可顯示和記錄某些可檢測的故障條件。這些故障做為故障代碼顯示,使得故障診斷及排除更加容易。故障代碼保留在 ECM 中。
有兩種形式的診斷代碼:
信息代碼用于通知操作者和電子系統(并行控制器、智能切換變速箱)已發生事件。
故障代碼用于向操作者和電子系統報告發動機或燃油系統出現了問題或者存在潛在問題。
可通過下列三種不同的方式得到故障代碼:
閃爍
服務軟件
操作者接口面板。

發電機驅動控制系統 ECM 有 5 個 LED 用于診斷:
OS - 超速
LOP - 機油壓力偏低
HET - 發動機溫度偏高
停機 - 發動機保護停機已使用
報警 - 發動機保護報警情況出現。
發電機-驅動控制系統有 8 個繼電器驅動器用于客戶提供的繼電器:
開關的超速轉速范圍
機油壓力低
發動機溫度偏高
發生發動機保護停機
存在發動機保護警告條件
機油壓力偏低預報警
發動機溫度偏高預報警
起動失敗。

為了閃現故障代碼,康明斯ECM 必須進入診斷模式。使用診斷模式開關或將兩個單針診斷模式啟動接頭連接在一起,進入診斷模式。ECM 正常工作期間,這兩個接頭斷開(開路)。當兩個接頭連接在一起(短路)時,ECM 處于診斷模式。報警指示燈將閃亮(表示有新故障代碼出現),然后停機指示燈將閃亮故障代碼。服務軟件可用于讀取故障代碼。使用維修線束(零件號為 3163156)將安裝了服務軟件的微機與發動機相連。有關如何讀取故障代碼的詳細信息,請參考服務軟件手冊。

如果使用 RS485 數據通信接口將客戶提供的操作者接口面板與發電機驅動控制系統結合成一體,就能夠讀取故障代碼。有關更詳細的信息,請參考設備附帶的手冊。當 ECM 中記錄一個診斷故障代碼時,ECM 同時記錄來自所有傳感器和開關的輸入和輸出數據。進行故障診斷及排除時,可查看和使用瞬間數據以了解 ECM 輸入和輸出之間的關系。僅可以清除非現行故障代碼。清除非現行故障代碼的唯一方法是使用服務軟件。
注: 清除非現行停機故障代碼時,發動機必須停機。
記錄的所有故障代碼分為現行故障代碼(發動機中當前正在起作用的故障代碼)或非現行故障代碼(故障代碼曾經起作用,但當前不起作用)。

流程圖
康明斯QSX15
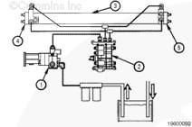
燃油泵(3)從燃油箱(1)中抽出燃油。燃油經燃油濾清器(2)過濾之后進入齒輪泵(3)。燃油泵根據發動機速度調節燃油輸出壓力。調節壓力后的燃油流向控制閥體,經燃油切斷閥(4)流向正時執行器(6)和供油執行器(5)。控制閥體用螺栓固定在缸蓋上,正時執行器和供油執行器與缸蓋中的油道相連。缸蓋中有從供油執行器到噴油器(8)的油道和從正時執行器到噴油器(7)的油道。

康明斯正時執行器和供油執行器調節后的燃油經缸蓋中的供油油道流至噴油器。

康明斯QST30
燃油供應泵(5)從燃油箱(7)抽取燃油。供油繼電器(8)使燃油供應泵(5)工作。燃油通過燃油濾清器和油水分離器(4)循環。在溫度傳感器(6)和壓力傳感器(3)處進行測量。然后,燃油流至右排燃油殼體,被分流至左排和右排燃油切斷閥(2)。如有必要,減壓旁通閥(9)開啟,使燃油流向燃油回流管(11)。然后燃油流向 Bosch™ 燃油噴油泵(10)和噴油器(1)。

康明斯QST30
升級
升機型 燃油輸油泵 (4) 從客戶燃油油箱或常用油箱 (1) 中抽出燃油。燃油通過康明斯®或客戶預濾器(2)和燃油連接塊(3)循環。然后燃油流入燃油輸油泵(4),在輸油泵中增壓,并通過發動機上的燃油濾清器(5)循環。燃油流過燃油切斷閥 (6),然后流入噴油泵 (7),噴油泵使燃油達到噴油壓力并在適當的時間將燃油輸送到每個噴油器 (9)。

溢流閥 (8) 調節向噴油泵的供油壓力并將多余的燃油輸送回油箱 (1)。燃油從溢流閥(8)中流過,并流過一個 “T”,在這里與從噴油器(9)中未使用的燃油會合在一起。然后燃油將流過燃油連接塊 (3) 并流回到油箱 (1) 中。

康明斯QSK23、QSK45、QSK60 和 QSK78
燃油泵 (1) 從設備燃油箱中抽出燃油。燃油經燃油濾清器過濾之后進入齒輪泵。燃油泵根據發動機速度調節燃油輸出壓力。調節壓力后的燃油流向控制閥體 (2)。控制閥體冷卻ECM (3),并調節流向正時和供油油道管 (4) 的燃油流量。正時和供油油道管連接至缸蓋上的燃油分配塊(5)。缸蓋上有燃油歧管至噴油器的油道。

注: QSK23 僅有一個正時油軌執行器。
控制閥體通過正時油道執行器(2)和供油油道執行器(6)調節燃油流量。燃油從供油管接頭 (1) 流入控制閥體。然后,燃油在正時油軌執行器 (2) 中循環,由正時油軌壓力傳感器 (3) 進行調節,然后從正時油軌出口 (4) 流出。同時燃油還流向燃油切斷閥(5),然后流向供油油道執行器(6)。該執行器將燃油輸送到油道壓力傳感器并向上到達供油油道壓力出口 (8)。
大氣壓力傳感器 (10) 安裝在正時油軌壓力傳感器 (3) 的下面。燃油溫度傳感器 (9) 安裝在燃油油軌壓力傳感器 (7) 的上面,監測燃油溫度。

經過調節后燃油從控制閥體流向正時和供油油道壓力管,流經燃油分配塊、燃油歧管和缸蓋中的油道,然后輸送至正時和供油油道計量孔。

康明斯QSX15 系統部件
QSX15 發動機的燃油系統由下列部件組成:
進氣歧管壓力/溫度傳感器
燃油排放
燃料進口
燃油切斷閥
康明斯機油壓力/溫度傳感器。

康明斯凸輪軸位置傳感器
康明斯供油執行器
康明斯正時執行器
康明斯曲軸位置傳感器
康明斯燃油壓力傳感器
康明斯大氣壓力傳感器。

康明斯ECM 輸入
康明斯ECM 輸入的列表如下:
康明斯燃油壓力傳感器
康明斯曲軸發動機位置傳感器
康明斯凸輪軸發動機位置傳感器
康明斯進氣歧管空氣壓力傳感器
康明斯機油壓力傳感器

康明斯進氣歧管空氣溫度
康明斯冷卻液溫度傳感器
康明斯冷卻液液位傳感器
康明斯大氣壓力傳感器
康明斯機油溫度傳感器。

發動機轉速傳感器提供了發動機轉速和位置信息。
凸輪軸發動機轉速傳感器位于進氣側,燃油系統控制殼體上方。
曲軸發動機轉速傳感器位于進氣側,前部下角。

進氣歧管壓力傳感器和進氣歧管溫度傳感器位于進氣歧管內。進氣歧管壓力傳感器監控用于空燃比控制功能的正向歧管壓力。進氣歧管溫度傳感器測量渦輪增壓空氣溫度。進氣歧管空氣溫度傳感器也可用于發動機保護系統。

發動機冷卻液溫度傳感器提供用于降低排放優化正時的數據,它還用于發動機保護系統。冷卻液溫度傳感器位于節溫器殼中。

OEM 配備的冷卻液液位傳感器位于散熱器頂部水箱中。它是發動機保護系統所需的一種液位驅動開關。

機油壓力/溫度傳感器向 ECM 發送用于發動機保護系統的信號。該傳感器位于發動機缸體上。

康明斯ECM 輸出
ECM 處理輸入數據,然后控制這些輸出部件:
正時和油軌執行器
燃油切斷閥

康明斯QST30 系統部件
康明斯QST30 發動機燃油系統由下列部件組成:
燃油泵
燃油切斷閥
供油壓力傳感器
進氣歧管壓力傳感器
機油壓力傳感器
進氣歧管空氣溫度傳感器
冷卻液溫度傳感器
發動機轉速傳感器
齒條位置傳感器
冷卻液液位傳感器
發動機線束
延長線束
電子控制模塊 (ECM)
大氣壓力傳感器
燃油溫度傳感器
冷卻液壓力傳感器
機油油位傳感器
發電機接口線束
燃油供應泵繼電器
機油溫度傳感器。
ECM 處理來自傳感器的信息并控制燃油齒條的運動以控制供油。這一動作控制燃油計量,然后根據最近的發動機狀態產生正確的功率和扭矩。

康明斯ECM 輸入
ECM 輸入的列表如下:
供油壓力傳感器
發動機轉速傳感器
機油油位傳感器。

進氣歧管壓力傳感器
機油壓力傳感器
進氣歧管溫度傳感器
冷卻液和機油溫度傳感器
冷卻液液位傳感器
大氣壓力傳感器
冷卻液壓力傳感器
燃油溫度傳感器
供油壓力傳感器。

備用頻率開關
起動開關
緊急停機開關
遠程緊急停機開關
報警復位開關
怠速/額定轉速開關
診斷模式開關
調速率調節
頻率調節。

進氣歧管壓力傳感器(1)和進氣歧管空氣溫度傳感器(2)位于進氣歧管內。進氣歧管壓力傳感器監控用于空燃比控制功能的正向歧管壓力。進氣歧管溫度傳感器測量渦輪增壓空氣溫度。進氣歧管空氣溫度傳感器也可用于發動機保護系統。有關更為詳細的部件位置,請參考第 E 節。

發動機冷卻液溫度傳感器提供用于發動機保護系統的數據。冷卻液溫度傳感器位于節溫器殼中。有關更為詳細的部件位置,請參考第 E 節。

如果配備冷卻液液位傳感器,該傳感器安裝在散熱器頂部水箱中。它是發動機保護系統所需的一種液位驅動開關。
注: 這是一個可選裝的傳感器,不是所有發動機上都裝有此傳感器。如果沒有使用冷卻液液位傳感器,則安裝一個短接插頭。

機油壓力傳感器向 ECM 發送信號,用于發動機保護系統。該傳感器位于發動機缸體上。有關更為詳細的部件位置,請參考第 E 節。

發動機轉速傳感器提供了發動機轉速信息。該傳感器位于飛輪殼內。

康明斯ECM 輸出
ECM 處理所有輸入數據,然后控制這些輸出部件:
燃油輸油泵總成
燃油切斷閥
燃油泵齒條執行器。
QST30 發動機有兩種燃油泵/齒條執行器。
儀表(發動機轉速、機油壓力、冷卻液溫度)。
故障指示燈(警告、停機、超速、冷卻液溫度高、機油壓力低、冷卻液溫度高預警、機油壓力低預警)。

康明斯 QST30 系統部件
QST30 發動機升級后的燃油系統有下列部件組成:
燃油泵
燃油切斷閥
機油壓力傳感器
冷卻液溫度傳感器
發動機轉速傳感器
發動機線束
發動機線束適配器電纜
OEM 線束
電子控制模塊 (ECM)。
康明斯公司將提供一個組件,將當前的 QST30 發電機-驅動發動機升級為新發電機-驅動控制系統。
升級組件包括:
發電機驅動控制系統 ECM
適配器線束。

康明斯ECM 輸入
ECM 輸入的列表如下:
機油壓力傳感器
冷卻液溫度傳感器
發動機轉速傳感器。

備用頻率開關
起動開關
緊急停機開關
遠程緊急停機開關
報警復位開關
怠速/額定轉速開關
診斷模式開關
調速率調節
頻率調節
增益調節。

發動機轉速傳感器提供了發動機轉速信息。該傳感器位于飛輪殼內。

機油壓力傳感器向 ECM 發送信號,用于發動機保護系統。該傳感器位于發動機缸體上。

發動機冷卻液溫度傳感器向 ECM 發送信號,用于發動機保護系統。冷卻液溫度傳感器位于節溫器殼體的上部套管中。

康明斯ECM 輸出
ECM 處理所有輸入數據,然后控制這些輸出部件:
燃油切斷閥
公共警告電路
公共報警電路
燃油泵齒條執行器
繼電器驅動器
儀表驅動器。

康明斯QSK23、QSK45、QSK60 和 QSK78 系統部件
康明斯SK23、QSK45、QSK60 和 QSK78 發動機的燃油系統由下列部件組成:
燃油泵
正時油軌執行器
正時油軌壓力傳感器
燃油切斷閥
燃油油軌執行器
燃油油軌壓力傳感器
進氣歧管壓力傳感器
機油壓力傳感器
進氣歧管空氣溫度傳感器
冷卻液溫度傳感器
發動機轉速傳感器
冷卻液液位傳感器
發動機線束
延長線束
電子控制模塊 (ECM)
燃油冷卻器
大氣壓力傳感器
燃油溫度傳感器
冷卻液壓力傳感器
機油溫度
中冷器進水口溫度傳感器
竄氣壓力傳感器
發電機接口線束
控制閥體中裝有執行器、燃油溫度傳感器以及控制噴油器正時和燃油計量的壓力傳感器。
ECM處理來自傳感器的信息并控制執行器的開啟和關閉。這項操作控制正時和燃油計量,然后為最新的發動機工況產生正確的功率和扭矩。

康明斯ECM 輸入
ECM 輸入的列表如下:
康明斯正時油軌壓力傳感器
康明斯燃油油軌壓力傳感器
康明斯發動機轉速傳感器
康明斯機油溫度
康明斯中冷器進水口溫度傳感器
康明斯竄氣壓力傳感器

康明斯進氣歧管空氣壓力傳感器
康明斯機油壓力傳感器
康明斯進氣歧管空氣溫度
康明斯冷卻液溫度傳感器
康明斯冷卻液液位傳感器
康明斯大氣壓力傳感器
康明斯冷卻液壓力傳感器
康明斯燃油溫度傳感器
康明斯燃油泵壓力傳感器

康明斯發動機轉速傳感器提供了發動機轉速和位置信息。該傳感器位于缸體齒輪室殼體凸緣后部,附件驅動裝置的下面。

康明斯進氣歧管壓力傳感器和進氣歧管溫度傳感器位于進氣歧管內。進氣歧管壓力傳感器監控用于空燃比控制功能的正向歧管壓力。進氣歧管溫度傳感器測量渦輪增壓空氣溫度。進氣歧管空氣溫度傳感器也可用于發動機保護系統。

康明斯發動機冷卻液溫度傳感器提供用于降低排放優化正時的數據,它還用于發動機保護系統。冷卻液溫度傳感器位于節溫器殼中。

如果配備冷卻液液位傳感器,該傳感器安裝在散熱器頂部水箱中。它是發動機保護系統所需的一種液位驅動開關。

機油壓力傳感器向 ECM 發送信號,用于發動機保護系統。該傳感器位于發動機缸體上。冷卻液壓力傳感器向 ECM 發送用于發動機保護系統的信號。該傳感器位于發動機缸體上。

康明斯ECM 輸出
ECM 處理輸入數據,然后控制這些輸出部件:
正時和油軌執行器
燃油切斷閥
燃油泵執行器。
注: QSK45、QSK60 和 QSK78 發動機有兩種正時執行器。
儀表(發動機轉速、機油壓力、冷卻液溫度)。
故障繼電器/指示燈(警告、停機、超速、發動機溫度高、機油壓力低、發動機溫度高預警、機油壓力低預警)。